Перекись водорода высококонцентрированная ГОСТ Р 50632-93
Перекись водорода высококонцентрированная. Технические условия (с Изменениями N 1, 2) ГОСТ Р 50632-93
ГОСТ Р 50632-93
Группа Л17
ГОСУДАРСТВЕННЫЙ СТАНДАРТ РОССИЙСКОЙ ФЕДЕРАЦИИ
Перекись водорода высококонцентрированная
Технические условия
High-strength hydrogen peroxide.Specifications
ОКП 21 2352
Дата введения 1995-01-01
Предисловие
1 РАЗРАБОТАН Научно-производственным Объединением Государственный институт прикладной химии
ВНЕСЕН Главным управлением стандартизации и сертификации сырья и материалов Госстандарта России
2 УТВЕРЖДЕН И ВВЕДЕН В ДЕЙСТВИЕ Постановлением Госстандарта России от 30.12.93 N 313
3 ВВЕДЕН ВПЕРВЫЕ
ВНЕСЕНЫ: Изменение N 1, утвержденное и введенное в действие Постановлением Госстандарта России от 02.08.99 N 228-ст с 01.01.2000, Изменение N 2, утвержденное и введенное в действие Приказом Федерального агентства по техническому регулированию и метрологии от 03.02.2005 N 17-ст
Изменения N 1, 2 внесены изготовителем базы данных по тексту ИУС N 10, 1999 год, ИУС N 4, 2005 год
ВВЕДЕНИЕ
Стандарт разрабатывается с целью расширения области применения высококонцентрированного пероксида водорода, обеспечения выхода на международный рынок объектов, эксплуатирующих данный продукт.
1 ОБЛАСТЬ ПРИМЕНЕНИЯ
Настоящий стандарт распространяется на высококонцентрированный пероксид водорода (далее - пероксид водорода), содержащий в качестве стабилизаторов дифосфат натрия 10-водный по ГОСТ 342 и оловяннокислый натрий по ТУ 6-09-1506, а в качестве ингибитора коррозии - азотнокислый аммоний по ГОСТ 22867.
Пероксид водорода применяют в качестве однокомпонентного топлива или окислительного компонента в двухкомпонентных топливах и других системах.
Химическая формула: H2O2
Относительная молекулярная масса (по международным атомным массам 1987 г.) - 34,0158.
Требования настоящего стандарта являются обязательными.
(Измененная редакция, Изм. N 1).
2 НОРМАТИВНЫЕ ССЫЛКИ
В настоящем стандарте использованы ссылки на следующие стандарты и технические условия:
ГОСТ 12.1.005-88 ССБТ. Общие санитарно-гигиенические требования к воздуху рабочей зоны
ГОСТ 12.1.016-79 ССБТ. Воздух рабочей зоны. Требования к методикам измерения концентраций вредных веществ
ГОСТ 12.4.121-83 ССБТ. Противогазы промышленные фильтрующие. Технические условия
ГОСТ 177-88 Водорода перекись. Технические условия
ГОСТ 342-77 Натрий дифосфат 10-водный. Технические условия
ГОСТ 618-73 Фольга алюминиевая для технических целей. Технические условия
ГОСТ 701-89 Кислота азотная концентрированная. Технические условия
ГОСТ 857-95 кислота соляная синтетическая техническая. ТУ
ГОСТ 860-75 Олово. Технические условия
ГОСТ 1770-74 Посуда мерная лабораторная стеклянная. Цилиндры, мензурки, колбы, пробирки. Технические условия
ГОСТ 2263-79 натр едкий технический. Технические условия
ГОСТ 3118-77 кислота соляная. Технические условия
ГОСТ 3765-78 Аммоний молибденовокислый. Технические условия
ГОСТ 4148-78 Железо (II) сернокислое 7-водное. Технические условия
ГОСТ 4159-79 Йод. Технические условия
ГОСТ 4165-78 Медь (II) сернокислая 5-водная. Технические условия
ГОСТ 4198-75 калий фосфорнокислый однозамещенный. Технические условия
ГОСТ 4204-77 Кислота серная. Технические условия
ГОСТ 4233-77 Натрий хлористый. Технические условия
ГОСТ 4328-77 Натрия гидроокись. Технические условия
ГОСТ 4461-77 Кислота азотная. Технические условия
ГОСТ 4784-97 Алюминий и сплавы алюминиевые деформируемые. Марки
ГОСТ 6563-75 Изделия технические из благородных металлов и сплавов. Технические условия
ГОСТ 6709-72-->ГОСТ 6709-72 Вода дистиллированная. Технические условия
ГОСТ 8050-85 Двуокись углерода газообразная и жидкая. Технические условия
ГОСТ 8551-74 Смазка ЦИАТИМ-205. Технические условия
ГОСТ 9147-80 Посуда и оборудование лабораторные фарфоровые. Технические условия
ГОСТ 10163-76 Крахмал растворимый. Технические условия
ГОСТ 10689-75 Сода кальцинированная техническая из нефелинового сырья. Технические условия
ГОСТ 11069-2001 Алюминий первичный. Марки
ГОСТ 12026-76 Бумага фильтровальная лабораторная. Технические условия
ГОСТ 16350-80 Климат СССР. Районирование и статистические параметры климатических факторов для технических целей
ГОСТ 13744-87 Фторопласт-3. Технические условия
ГОСТ 14192-96 Маркировка грузов
ГОСТ 14919-83 Электроплиты, электроплитки и жарочные электрошкафы бытовые. Общие технические условия
ГОСТ 18300-87 Спирт этиловый ректификованный технический. Технические условия
ГОСТ 19433-88 Грузы опасные. Классификация и маркировка
ГОСТ 19908-90 Тигли, чаши, стаканы, колбы, воронки, пробирки и наконечники из прозрачного кварцевого стекла. Общие технические условия
ГОСТ 20288-74 Углерод четыреххлористый. Технические условия
ГОСТ 20490-75 Калий марганцовокислый. Технические условия
ГОСТ 22867-77 Аммоний азотнокислый. Технические условия
ГОСТ 24104-2001 Весы лабораторные. Общие технические требования
ГОСТ 24222-80 Пленка и лента из фторопласта-4. Технические условия
ГОСТ 24297-87 Входной контроль продукции. Основные положения
ГОСТ 25336-82 Посуда и оборудование лабораторные стеклянные. Типы, основные параметры и размеры
ГОСТ 25794.1-83 Реактивы. Методы приготовления титрованных растворов для кислотно-основного титрования
ГОСТ 25794.2-83 Реактивы. Методы приготовления титрованных растворов для окислительно-восстановительного титрования
ГОСТ 28498-90 Термометры жидкостные стеклянные. Общие технические требования. Методы испытаний
ГОСТ 29169-91 Посуда лабораторная стеклянная. Пипетки с одной отметкой
ГОСТ 29227-91 Посуда лабораторная стеклянная. Пипетки градуированные. Часть 1. Общие требования
ГОСТ 29251-91 Посуда лабораторная стеклянная. Бюретки. Часть 1. Общие требования
ОСТ 301-02-203-96 Окислители на основе высококонцентрированного пероксида водорода (марок ПВ). Требования безопасности
РЭ 301-02-208-2001 Окислители на основе высококонцентрированного пероксида водорода. Руководство по эксплуатации
ТУ 6-05-41-5-38-83 Фторопласт-10. Пленка
ТУ 6-05-1570-86 ФУМ-0
ТУ 6-05-1873-79 Фторопласт-4МБ
ТУ 6-09-05-1452-94 Натрий метастаннат 3-водный (натрий оловяннокислый)
ТУ 6-09-2540-87 Стандарт-титры (Фиксаналы; Нормадозы)
ТУ 6-09-3671-85 Сплав Деварда
ТУ 6-09-5169-84 Метиловый красный индикатор
ТУ 6-09-5171-84 Метиловый оранжевый
ТУ 6-09-5393-88 Олово (II) хлорид 2-водное (олово двухлористое) чистый для анализа, чистый
ТУ 17 РСФСР 04-7366-81 Костюм унифицированный
ТУ 38101687-77 Смазка ВНИИ НП-233
Технические условия перевозки пероксида водорода водного раствора концентрации свыше 60%, стабилизированного наливом в специальных вагонах-цистернах типа ЖКЦ.
Инструкция по обеспечению безопасности перевозки опасных грузов автомобильным транспортом.
Общесоюзные нормы технологического проектирования ОНТП 24-86.
(Измененная редакция, Изм. N 1, 2).
3 МАРКИ
В зависимости от массовой доли основного вещества пероксид водорода выпускают трех марок: ПВ-85, ПВ-98, ПВ-100. Коды ОКП для марок пероксида водорода приведены в таблице 1.
Таблица 1
|
Марка |
Код ОКП |
|
ПВ-85 |
21 2352 0800 |
|
ПВ-98 |
21 2352 0900 |
|
ПВ-100 |
21 2352 1000 |
4 ТЕХНИЧЕСКИЕ ТРЕБОВАНИЯ
4.1 Пероксид водорода должен изготовляться в соответствии с требованиями настоящего стандарта по технологическому регламенту, утвержденному в установленном порядке.
4.2 По физико-химическим свойствам пероксид водорода должен соответствовать требованиям и нормам, указанным в таблице 2.
Таблица 2
Примечания
1 При применении пероксида водорода допускается снижение массовой доли для марки ПВ-85 не менее чем до 80,5%, для марки ПВ-98 - не менее чем до 96,0% и для марки ПВ-100 - не менее чем до 98,0%.
2 По требованию потребителя предприятие-изготовитель проводит отгрузку партий пероксида водорода марки ПВ-85 с массовой долей от 84,5 до 80,5%.
3 При применении пероксида водорода по требованию потребителя или по согласованию с ним производится поставка партий марки ПВ-85 с массовой долей пероксида водорода не менее 83,5% и ПТ не более 25 см3, а также партий с массовой долей пероксида водорода не менее 80,5% и ПТ не более 25 см3, а также ПТ - 42 см3 после длительного хранения.
4 По требованию потребителя предприятие-изготовитель поставляет партии пероксида водорода марки ПВ-98 с массовой долей от 90,0 до 92,0%, от 93,5 до 95,5% и ПТ не более 18 см3 (выборочная поставка партий), а также партий с массовой долей пероксида водорода не менее 98,0%.
(Измененная редакция, Изм. N 1).
4.3 Определение массовой концентрации стабилизаторов (дифосфата и оловянно-кислого натрия), а также ингибитора коррозии (азотно-кислого аммония) проводит предприятие-изготовитель при выпуске, а потребитель - по истечении гарантийного срока хранения и при несоответствии значений других показателей качества требованиям настоящего стандарта.
(Измененная редакция, Изм. N 2).
4.4 Исходное сырье и материалы, применяемые для производства пероксида водорода, должны подвергаться входному контролю в соответствии с требованиями ГОСТ 24297.
5 ТРЕБОВАНИЯ БЕЗОПАСНОСТИ
5.1 Высококонцентрированный пероксид водорода - окислитель, пожароопасная жидкость, бурно реагирующая с некоторыми горючими. При температуре выше 30 °С может проявлять свойства однокомпонентного топлива.
Температура кипения для пероксида водорода с массовой долей от 80 до 85% составляет от 137,0 до 133,0 °С, для пероксида водорода с массовой долей от 96 до 98% составляет от 148,5 до 146,8 °С. Пероксид водорода имеет одинаковые температуру вспышки, температуру воспламенения, нижний температурный предел воспламенения, равные или выше 110 °С. Верхний температурный предел отсутствует.
Пары пероксида водорода при нормальном давлении способны к взрывному превращению при температуре выше 110 °С в среде воздуха и инертных разбавителей. Область взрывного превращения при объемной доле пероксида водорода - от 26 до 100%.
Пероксид водорода не чувствителен к удару, трению, лучу огня. Пероксид водорода чувствителен к минеральным, органическим загрязнениям и ультрафиолетовому облучению. Скорость разложения пероксида водорода при этом увеличивается, что сопровождается значительным выделением кислорода и может привести в закрытом объеме к существенному росту давления, особенно при большой степени заполнения.
Под действием катализаторов (свинец, железо, их соли и др.) пероксид водорода способен интенсивно разлагаться с выделением большого количества тепла и газов (водных паров и кислорода).
При попадании на горючие материалы пероксид водорода может вызвать их воспламенение, а в определенных условиях в контакте с некоторыми органическими веществами (спирт, Ацетон, глицерин и др.) может образовывать взрывчатые смеси.
(Измененная редакция, Изм. N 1, 2).
5.2 По степени воздействия на организм человека пероксид водорода относится к 3-му классу опасности (рег. N 711/6-80, утвержденный 26.06.80 Минздравом СССР).
Пероксид водорода вызывает острые и хронические отравления при поступлении в организм человека через органы дыхания, кожные покровы и желудочно-кишечный тракт.
Концентрация паров пероксида водорода 10 мг/м3 и выше вызывает раздражение слизистых оболочек глаз и дыхательных путей, при этом наблюдаются слезотечение, покалывание в носу, царапанье и ощущение металлического вкуса в глотке, хрипота, кашель, головная боль, быстрая утомляемость, сонливость.
Порог запаха пероксида водорода составляет 6 мг/м3.
Пероксид водорода в капельно-жидком состоянии вызывает побеление и ощущение жжения и может вызвать химический ожог кожи и слизистых оболочек дыхательных путей и глаз. Пероксид водорода обладает умеренно выраженной кумуляцией функционального характера.
Предельно допустимая концентрация пероксида водорода в воздухе рабочей зоны производственных помещений - 0,3 мг/м3, в водоемах хозяйственно-питьевого и коммунально-бытового водопользования - 0,1 мг/дм3.
Пероксид водорода в воздухе рабочей зоны определяют фотоколориметрическим методом, в воде водоемов - спектрофотометрическим методом в соответствии с действующими нормативными документами. Контроль за содержанием пероксида водорода в воздухе рабочей зоны должен осуществляться периодически согласно ГОСТ 12.1.005 для веществ 3-го класса опасности.
Концентрацию вредных веществ в воздухе рабочей зоны определяют по методикам, соответствующим требованиям ГОСТ 12.1.016, или методическим указаниям, утвержденным Министерством здравоохранения.
5.3 При работе с пероксидом водорода обслуживающий персонал должен быть обеспечен: защитными очками, резиновыми перчатками, спецодеждой из текстовиниловой ткани или материала АВ-1, АВ-4, фильтрующим импрегнированным костюмом ДН-8 или унифицированным костюмом КСУ-1 по ТУ 17 РСФСР 04-7366 (в производственных условиях); хлопчатобумажным халатом, прорезиненным фартуком (в лабораторных условиях). Для защиты органов дыхания от паров пероксида водорода при проведении работ в помещениях и на открытом воздухе применяют противогазы марок М, БКФ, В по ГОСТ 12.4.121.
При проведении работ внутри емкостей и колодцев применяют изолирующие и шланговые противогазы марок ИП-46, ИП-46М, ИП-4, ПШ-1, ПШ-2, КИП-7 и КИП-8.
5.4 При попадании пероксида водорода на кожу или спецодежду пораженное место необходимо промыть обильным количеством воды и при необходимости обратиться к врачу. При попадании пероксида водорода в глаза следует тщательно промыть их водой и обратиться к врачу.
5.5 Производственные помещения, в которых проводят работы с пероксидом водорода, должны быть оборудованы обменной приточно-вытяжной и местной вытяжной вентиляцией с кратностью обмена воздуха не менее двух, а производственные процессы - герметизированы. Класс взрывоопасных и пожароопасных зон определяется в соответствии с категорией по ПУЭ-85.
5.6 В целях противопожарной безопасности участок работы с пероксидом водорода должен быть обеспечен бесперебойным водоснабжением.
5.7 Возможные загорания от пероксида водорода следует тушить обильным поливом воды, разбавляющей пероксид водорода не менее чем в 3 раза.
5.8 При работе с пероксидом водорода необходимо иметь огнетушители марок ОУ-5, ОУ-8, ОП-5, ОП-10, ОВП-5, ОВП-10, запас воды и средства ее подачи. Огнетушители используют для тушения вторичных очагов пожара, где нет пероксида водорода.
5.9. Производство и применение пероксида водорода осуществляют с учетом требований по технике безопасности в соответствии с ОСТ 301-02-203.
(Введен дополнительно, Изм. N 1).
6 ТРЕБОВАНИЯ ОХРАНЫ ПРИРОДЫ
6.1 Охрану атмосферы и гидросферы от загрязнений пероксидом водорода обеспечивают путем очистки выбросов до концентраций, обеспечивающих достижение санитарно-гигиенических норм.
6.2 Дренажные газы и вентвыбросы, являющиеся источниками загрязнения атмосферы, обезвреживают путем барботажа через поглотители, заполненные водой, или пропусканием через патроны, заполненные каталитически активным веществом (двуокисью марганца).
Дренажные газы и вентвыбросы продукта при складском хранении в емкостях с открытым дренажем (при температуре не более 25 °С и двухкратном воздухообмене) не обезвреживают.
6.3 Обезвреживание сточных вод, являющихся источником загрязнения гидросферы, осуществляют разбавлением их водой до ПДК или сульфитным, каталитическим с использованием катализаторов разложения (солей марганца, каменноугольного шлака, солей железа и меди) и термическим методами.
Выбор метода зависит от состава сточных вод.
6.4 Контроль содержания пероксида водорода в сточных водах, дренажных газах и вентвыбросах проводят в соответствии с требованиями нормативно-технической документации, утвержденной в установленном порядке.
7 ПРАВИЛА ПРИЕМКИ
7.1 Пероксид водорода принимают партиями. Партией считают любое количество продукта одной марки, но не более 70000 кг (одной цистерны), получаемого по одному технологическому процессу, однородного по своим качественным показателям, одновременно предъявляемого к приемке, отправляемого в один адрес и сопровождаемого одним документом о качестве. Каждая партия пероксида водорода должна быть принята отделом технического контроля предприятия-изготовителя (ОТК) и представителем заказчика при его наличии на предприятии-изготовителе.
От предъявляемой партии продукта отбирают пробу для проведения приемо-сдаточных испытаний на соответствие требованиям и нормам, приведенным в таблице 2.
(Измененная редакция, Изм. N 1).
7.2 Документ о качестве должен содержать:
- наименование предприятия-изготовителя и его товарный знак;
- наименование продукта, марки;
- номер партии;
- массу нетто;
- дату изготовления;
- результаты проведенного анализа или подтверждение о соответствии качества требованиям настоящего стандарта;
- свидетельство об упаковке;
- гарантийные обязательства;
- обозначение настоящего стандарта.
7.3 Для определения качества пероксида водорода пробу отбирают от каждой партии:
- при заливе и транспортировании в цистернах, резервуарах, контейнерах - от каждого тарного места;
- при заливе и транспортировании в бочках, изготовленных по НД и снабженных предохранительными и запорными устройствами: - из всех бочек, если число бочек в партии от 1 до 3 включ.; из 4 бочек, выбранных случайным образом, если число бочек в партии от 4 до 64 включ.
7.4 При получении неудовлетворительных результатов анализа хотя бы по одному из показателей проводят повторный анализ на вновь отобранной пробе в удвоенном объеме для пероксида водорода, заправленного в цистерны, резервуары и контейнеры, или удвоенном объеме выборки для пероксида водорода, заправленного в бочки.
Результаты повторного анализа распространяют на всю партию.
7.3, 7.4. (Измененная редакция, Изм. N 2).
8 МЕТОДЫ АНАЛИЗА
8.1 Отбор проб
8.1.1 Для проведения анализа пробу пероксида водорода объемом 1,5 дм3 отбирают из каждой железнодорожной или автомобильной цистерны (резервуара, контейнера, бочки), из середины (по высоте) при помощи стеклянных или алюминиевых пробоотборников, изготовленных по документации, утвержденной в установленном порядке. Пробоотборники для отбора проб пероксида водорода должны быть обработаны по методике, приведенной в приложении А.
(Измененная редакция, Изм. N 2).
8.1.2 Объединенную пробу пероксида водорода из стационарных емкостей диаметром более 2500 мм составляют из проб, отобранных с трех уровней (сверху вниз): верхнего, расположенного на расстоянии 200 мм ниже поверхности пероксида водорода, среднего - по середине объема пероксида водорода, нижнего, расположенного на 250 мм выше дна емкости.
Пробы верхнего, среднего и нижнего уровней смешивают в соотношении 1:6:1.
Пробу из стационарных емкостей диаметром менее 2500 мм отбирают с двух уровней - со среднего и нижнего. Для составления объединенной пробы отобранные пробы смешивают в отношении 3:1.
8.1.3 Пробу отбирают в чистую и сухую алюминиевую или стеклянную тару, изготовленную по документации, утвержденной в установленном порядке, и подготовленную в соответствии с требованиями, приведенными в приложении А.
8.1.4 Горловину сосуда с отобранной пробой пероксида водорода обвязывают тонкой фторопластовой, полиэтиленовой или полихлорвиниловой пленкой. К сосуду прикрепляют фторопластовым или полиэтиленовым шнуром ярлык с обозначением наименования продукта, наименования предприятия-изготовителя или склада потребителя, номера емкости (партии), из которой отобрана проба, фамилии отобравшего пробу и даты отбора, обозначения настоящего стандарта.
8.1.5 Хранят пробы в защищенном от нагревания и прямого солнечного света месте.
Анализ проб пероксида водорода проводят не позднее двух суток после отбора, при необходимости транспортирования проб в другие лаборатории - пяти суток.
8.2 Условия проведения анализов
Анализы пероксида водорода проводят при следующих условиях: температура окружающей среды (20±5) °С; давление (100±4) кПа; влажность (55±25)%. Контроль указанных параметров осуществляют при помощи термобарогигрометра типа БМ-2, а при отсутствии его - при помощи термометра, барометра и гигрометра.
(Измененная редакция, Изм. N 2).
8.3 Определение внешнего вида
8.3.1 Анализируемую пробу пероксида водорода и дистиллированную воду набирают в пробирки по ГОСТ 25336, типа П1-14-120 или П1-16-150 на 1/2 высоты и сравнивают в проходящем свете. Жидкости должны быть бесцветными и прозрачными.
8.4 Определение массовой доли пероксида водорода
Метод основан на титриметрическом определении пероксида водорода марганцовокислым калием в кислой среде.
8.4.1 Аппаратура, материалы и реактивы
Весы лабораторные по ГОСТ 24104, класса точности II.
Секундомер любого типа с емкостью шкалы счетчика 30 мин, ценой деления секундной шкалы 0,20 с, с погрешностью ±0,60 с или часы песочные.
Колба 1(2)-250-2 по ГОСТ 1770.
Колба Кн-1-250 по ГОСТ 25336.
Цилиндр 1(3)-50-2 по ГОСТ 1770.
Пипетки 1-1(2)-2-2 по ГОСТ 29227.
Бюретка 1-1(2, 3, 4, 5)-2-50 по ГОСТ 29251.
Стаканчик СВ-14/8 по ГОСТ 25336.
Калий марганцовокислый по ГОСТ 20490, х.ч., раствор молярной концентрации c(1/5KMnO4)=0,1 моль/дм3 (0,1 н.), приготовленный по ГОСТ 25794.2.
Кислота серная по ГОСТ 4204, х.ч., разбавленная 1:4.
Вода дистиллированная по ГОСТ 6709.
(Измененная редакция, Изм. N 1, 2).
8.4.2 Подготовка к анализу
Вновь применяемые пипетки вместимостью 2 см3 и стаканчики для взвешивания пероксида водорода предварительно тщательно промывают дистиллированной водой и сушат.
Поправочный коэффициент K раствора марганцовокислого калия устанавливают по массам пробы щавелевокислого натрия. Количество навесок - не менее трех, расхождение между наиболее отличающимися значениями поправочного коэффициента K не превышает допускаемое расхождение, равное 0,001.
8.4.3 Проведение анализа
(1,7000±0,3000) г пероксида водорода марки ПВ-85 или (1,3000±0,1000) г пероксида водорода марки ПВ-98 или ПВ-100, взятые пипеткой, взвешивают в стаканчике для взвешивания, переносят в мерную колбу и разбавляют дистиллированной водой до метки. После тщательного перемешивания отбирают пипеткой 10 см3 раствора в коническую колбу, добавляют 50 см3 дистиллированной воды, 20 см3 разбавленной (1:4) серной кислоты и содержимое титруют раствором марганцовокислого калия до розовой окраски, не исчезающей в течение 1 мин. Одновременно проводят контрольное определение в тех же условиях и с тем же количеством реактивов, но без анализируемого продукта.
8.4.4 Обработка результатов
Массовую долю пероксида водорода (X), %, вычисляют по формуле
где V - объем раствора марганцовокислого калия молярной концентрации c(1/5KMnO4)=0,1 моль/дм3, израсходованный на титрование пробы, см3;
V1 - объем раствора марганцовокислого калия молярной концентрации c(1/5KMnO4)=0,1 моль/дм3, израсходованный на титрование контрольного раствора, см3;
K - поправочный коэффициент раствора марганцовокислого калия молярной концентрации c(1/5KMnO4)=0,1 моль/дм3;
17 - молярная масса эквивалента пероксида водорода, г/моль;
25 - коэффициент, учитывающий разбавление пероксида водорода;
0,1 - молярная концентрация раствора марганцовокислого калия, моль/дм3;
m - масса пробы пероксида водорода, г.
За результат анализа принимают среднее арифметическое результатов двух параллельных определений, абсолютное расхождение между которыми не превышает допускаемое расхождение, равное 0,2%.
Допускаемая абсолютная суммарная погрешность результата анализа ±0,5% при доверительной вероятности P=0,95.
8.4.3, 8.4.4 (Измененная редакция, Изм. N 1).
8.5 Определение среды раствора (щелочности)
Метод основан на титриметрическом определении свободной щелочи, присутствующей в пероксиде водорода, при нейтрализации его кислотой.
8.5.1 Аппаратура, материалы и реактивы
Колба Кн-1-250 или Кн-2-250-34 по ГОСТ 25336.
Цилиндр 1(3)-100-2 по ГОСТ 1770.
Пипетки 2-2-10, 100 по ГОСТ 29169.
Бюретка 1-4(5)-1-2 по ГОСТ 29251.
Кислота серная, раствор молярной концентрации c(H2SO4)=0,01 моль/дм3 (0,01 н.), приготовленная из стандарт-титра по ТУ 6-09-2540.
Натрия гидроокись по ГОСТ 4328, х.ч., раствор молярной концентрации c(NaOH)=0,01 моль/дм3 (0,01 н.); приготовленный по ГОСТ 25794.1.
Метиловый красный индикатор по ТУ 6-09-5169.
Метиленовый голубой индикатор.
Индикатор смешанный, который готовят следующим образом: метиленовый голубой массой 0,1 г растворяют в 100 см3 этилового спирта.
Отдельно растворяют 0,2 г метилового красного в 100 см3 этилового спирта. Оба раствора смешивают. Кислой реакции соответствует фиолетовая окраска, щелочной - зеленая, нейтральной - зеленовато-синяя.
Спирт этиловый ректификованный по ГОСТ 18300.
Вода дистиллированная по ГОСТ 6709.
(Измененная редакция, Изм. N 1, 2).
8.5.2 Проведение анализа
В две конические колбы вместимостью 250 см3 наливают по 100 см3 дистиллированной воды и добавляют 2-3 капли смешанного индикатора. Вода должна иметь нейтральную реакцию, в противном случае ее нейтрализуют, осторожно по каплям прибавляя раствор гидроокиси натрия или серной кислоты. Затем в одну из колб вносят 10 см3 испытуемого пероксида водорода и титруют раствором серной кислоты молярной концентрации c(H2SO4)=0,01 моль/дм3 (0,01 н.) из бюретки до исчезновения зеленой окраски. Вторая колба с нейтральной водой служит контрольной пробой.
8.5.3 Обработка результатов
Щелочность (X1), г/дм3, в пересчете на гидроокись натрия вычисляют по формуле
где V - объем раствора серной кислоты молярной концентрации c(1/2H2SO4)=0,01 моль/дм3 (0,01 н.), израсходованный на титрование, см3;
0,01 - молярная концентрация раствора серной кислоты, моль/дм3;
40 - молярная масса эквивалента гидроокиси натрия, г/моль;
10 - объем испытуемого пероксида водорода, см3.
За результат анализа принимают среднее арифметическое результатов двух параллельных определений, расхождение между которыми не превышает допускаемое расхождение, равное 0,002 г/дм3.
Допускаемая суммарная погрешность результата анализа ±0,001 г/дм3 при доверительной вероятности P=0,95.
8.5.2, 8.5.3 (Измененная редакция, Изм. N 1).
8.6 Определение массовой концентрации оловянно-кислого натрия
Метод основан на восстановлении олова (IV) до олова (II) и титриметрическом определении последнего йодом. Восстановление и определение олова проводят в токе углекислого газа.
8.6.1 Аппаратура, материалы и реактивы
Аппарат 1000 по ГОСТ 25336.
Плитка электрическая по ГОСТ 14919.
Весы лабораторные по ГОСТ 24104, класса точности II.
Колба Кн-1-500 или Кн-2-500-34(40) по ГОСТ 25336.
Пипетка 2-2-50 по ГОСТ 29169.
Цилиндры 1(3)-25, 100-2 по ГОСТ 1770.
Бюретка 1-4(5)-2-5 по ГОСТ 29251.
Склянка СПЖ-250 по ГОСТ 25336.
Кислота серная по ГОСТ 4204, х.ч.
кислота соляная по ГОСТ 3118, х.ч.
кислота соляная техническая по ГОСТ 857, разбавленная 1:1.
Йод по ГОСТ 4159, ч.д.а. или ч., раствор молярной концентрации c(1/2J2)=0,01 моль/дм3 (0,01 н.), приготовленный по ГОСТ 25794.2 или стандарт-титр.
Двуокись углерода газообразная и жидкая по ГОСТ 8050.
Мрамор.
Крахмал растворимый по ГОСТ 10163, раствор с массовой долей 0,5%.
Фольга алюминиевая по ГОСТ 618, изготовленная из алюминия марок АД1 или АД по ГОСТ 4784 или А-95, А-85, А-8, А-7, А-5 по ГОСТ 11069.
Трубка стеклянная.
Углерод четыреххлористый по ГОСТ 20288.
Вода дистиллированная по ГОСТ 6709.
Медь сернокислая по ГОСТ 4165, раствор с массовой долей 5%.
(Измененная редакция, Изм. N 1, 2).
8.6.2 Подготовка к анализу
Алюминиевую фольгу обезжиривают четыреххлористым углеродом или ацетоном, промывают дистиллированной водой, сушат, мелко нарезают, хранят в закрытой склянке.
Углекислый газ из баллона или аппарата для получения газа перед подачей в реакционную колбу пропускают последовательно через две склянки для промывания газов, заполненные на 1/3 объема: одна - раствором сернокислой меди с массовой долей 5%, подкисленной серной кислотой до pH от 3 до 4, другая - дистиллированной водой.
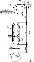
Во время анализа колбу вместимостью 500 см3 закрывают резиновой пробкой с тремя отверстиями (рисунок 1). В одно отверстие вставляют стеклянную трубку для подачи углекислого газа, нижний конец которой при определении должен быть погружен в реакционный раствор, в другое - стеклянную трубку длиной 250 мм со скошенным срезом, для конденсации паров. Третье отверстие, через которое титруют пробу, закрывают пробкой.
Рисунок 1 - Схема устройства для определения оловянно-кислого натрия
Рисунок 1 - Схема устройства для определения оловянно-кислого натрия
(Измененная редакция, Изм. N 2).
8.6.3 Проведение анализа
50 см3 пероксида водорода отбирают пипеткой и наливают в колбу вместимостью 500 см3, добавляют 50 см3 дистиллированной воды и 10 см3 серной кислоты, перемешивают и выпаривают с одновременным разложением пробы на электроплитке, покрытой асбестом, до появления густых паров серной кислоты, после чего дают пробе остыть, осторожно смывают внутреннюю поверхность колбы дистиллированной водой и раствор продолжают выпаривать до объема от 10 до 15 см3.
К остывшему раствору добавляют 20 см3 соляной кислоты и доводят объем водой до (90±10) см3. В колбу вносят 1,00 г мелко нарезанной алюминиевой фольги, закрывают колбу резиновой пробкой с тремя отверстиями и регулируют скорость подачи углекислого газа от 2 до 3 пузырьков в секунду. Колбу с испытуемым раствором и фольгой подогревают до начала растворения алюминия, затем реакция идет без подогрева, а в случае бурного ее течения колбу следует охладить.
После растворения фольги содержимое колбы вновь нагревают до полного растворения выделившегося олова, которое определяют по прекращению выделения мелких пузырьков газа, отсутствию частиц олова и осветлению раствора. Колбу охлаждают, усиливая ток углекислого газа, и содержимое колбы титруют раствором йода из бюретки в присутствии свежеприготовленного раствора крахмала (не прекращая тока углекислоты) до синей окраски. Одновременно проводят контрольное определение с тем же количеством реактивов и фольги, но без внесения пероксида водорода.
(Измененная редакция, Изм. N 1).
8.6.4 Обработка результатов
Массовую концентрацию оловянно-кислого натрия (X2), г/дм3, вычисляют по формуле
где V - объем раствора йода молярной концентрации c(1/2J2)=0,01 моль/дм3, израсходованный на титрование пробы, см3;
V1 - объем раствора йода молярной концентрации c(1/2J2)=0,01 моль/дм3, израсходованный на титрование при контрольном определении, см3;
K - поправочный коэффициент раствора йода молярной концентрации c(1/2J2)=0,01 моль/дм3;
106 - молярная масса эквивалента оловянно-кислого натрия, г/моль;
0,01 - молярная концентрация раствора йода, моль/дм3;
50 - объем испытуемого пероксида водорода, см3.
За результат анализа принимают среднее арифметическое результатов двух параллельных определений, расхождение между которыми не превышает допускаемое расхождение, равное 0,002 г/дм3.
Допускаемая суммарная погрешность результата анализа ±0,0019 г/дм3 при доверительной вероятности P=0,95.
(Измененная редакция, Изм N 1, 2).
8.7 Определение массовой концентрации дифосфата натрия
Метод основан на переводе дифосфата натрия в ортофосфорную кислоту, взаимодействии последней с молибдатом аммония с образованием фосфорномолибденовой кислоты, которая затем восстанавливается до синего фосфорномолибденового гетерокомплекса, определяемого фотоколориметрическим способом. Оптическую плотность раствора измеряют при длине волны
- 680 нм.
(Измененная редакция, Изм. N 1).
8.7.1 Аппаратура, материалы и реактивы
Фотоколориметр типа ФЭК-М с погрешностью светопропускания ±1%.
Весы лабораторные по ГОСТ 24104, класса точности II.
Секундомер любого типа с емкостью шкалы счетчика 30 мин, ценой деления секундной шкалы 0,20 с, погрешностью ±0,60 с.
Цилиндры 1-10-2 и 1(3)-25-2 по ГОСТ 1770.
Колбы 1(2)-50, 100, 1000-2 по ГОСТ 1770.
Насос вакуумный.
Плитка электрическая по ГОСТ 14919.
Воронка Бюхнера 2(3) по ГОСТ 9147.
Колба 1-1000 по ГОСТ 25336.
Стаканы В-1-100, 250 по ГОСТ 25336.
Пипетки 1-1(2)-2-1, 2,5 по ГОСТ 29227.
Кислота серная по ГОСТ 4204, х.ч., раствор молярной концентрации c(1/2H2SO4)=10 моль/дм3 (10 н.).
Спирт этиловый ректификованный по ГОСТ 18300.
Олово металлическое по ГОСТ 860.
Олово двухлористое по ТУ 6-09-5393, ч.д.а., ч., раствор с массовой долей 10% в соляной кислоте, разбавленной 1:3 (в пересчете на безводную соль), и раствор с массовой долей 0,025% в соляной кислоте, разбавленной 1:9.
Аммоний молибденовокислый по ГОСТ 3765, раствор с массовой долей 2,5% из перекристаллизованной соли.
калий фосфорнокислый однозамещенный по ГОСТ 4198, х.ч.
Вода дистиллированная по ГОСТ 6709.
Бумага фильтровальная по ГОСТ 12026.
кислота соляная по ГОСТ 3118, х.ч., разбавленная 1:3 и 1:9.
(Измененная редакция, Изм. N 1, 2).
8.7.2 Подготовка к анализу
Раствор двухлористого олова с массовой долей 10% готовят, растворяя 11,90 г соли в 100 см3 соляной кислоты, разбавленной 1:3 (раствор А).
Раствор двухлористого олова с массовой долей 0,025% готовят, растворяя 0,25 см3 раствора А в 100 см3 соляной кислоты, разбавленной 1:9 (раствор Б). Восстановительные свойства раствора Б сохраняются не более 3 ч.
Допускается приготавливать вспомогательный раствор двухлористого олова (раствор А), растворяя металлическое олово в концентрированной соляной кислоте до получения насыщенного раствора с последующим разбавлением 0,25 см3 этого раствора соляной кислотой, разбавленной 1:9, в мерной колбе вместимостью 100 см3.
Градуировочные растворы фосфорнокислого калия готовят следующим образом.
6,1012 г однозамещенного фосфорнокислого калия растворяют в 1 дм3 дистиллированной воды (раствор В).
1 см3 раствора В разбавляют до 1 дм3 дистиллированной водой (раствор Г). 1 см3 раствора Г соответствует 0,01 мг десятиводного дифосфата натрия.
Перекристаллизацию молибденовокислого аммония проводят следующим образом.
10,00 г молибденовокислого аммония растворяют в 100 см3 горячей (от 60 до 70 °С) дистиллированной воды, затем отфильтровывают. К отфильтрованному охлажденному раствору добавляют такой же объем этилового спирта. Выпавшие кристаллы переносят на воронку Бюхнера, установленную в колбу с тубусом, и отсасывают маточник вакуум-насосом, промывают спиртом (50±10) см3 и высушивают при комнатной температуре на фильтровальной бумаге до исчезновения запаха спирта. Перекристаллизованную соль хранят в закрытой склянке.
8.7.3 Построение градуировочного графика
В мерные колбы вместимостью 50 см3 вносят последовательно 1, 2, 3, 4, 5 см3 градуировочного раствора Г, добавляют (25±5) см3 дистиллированной воды, перемешивают, добавляют сначала 2 см3 раствора серной кислоты молярной концентрации c(1/2H2SO4)=10 моль/дм3, затем 2 см3 раствора молибденовокислого аммония, каждый раз обмывая стенки колбы дистиллированной водой. Раствор перемешивают. При постоянном перемешивании прибавляют по каплям 2 см3 раствора двухлористого олова с массовой долей 0,025% (раствор Б). Содержимое колбы доводят до метки и снова перемешивают, при этом сразу же появляется синее окрашивание. Оптическую плотность измеряют через 15 мин на фотоколориметре с красным светофильтром в кювете толщиной поглощающего свет слоя 50 мм. Постоянство окраски сохраняется в течение (25±5) мин, после чего интенсивность ее постоянно уменьшается. Раствор сравнения готовят из тех же реактивов и воды, но без добавления градуировочного раствора Г.
По результатам фотометрирования строят градуировочный график зависимости оптической плотности от массовой концентрации дифосфата натрия в пробе пероксида водорода.
Каждую точку градуировочного графика находят как среднее арифметическое результатов не менее чем трех параллельных определений. В соответствующих точках максимальное отклонение каждого результата определения от их среднего арифметического не более ±0,003 ед. оптической плотности.
Проверка градуировочного графика должна проводиться с повторением всех операций, предусмотренных при построении градуировочного графика, не менее чем по трем точкам один раз в квартал или при изменении условий анализа.
При этом относительные отклонения полученных средних арифметических значений при проверке от ранее полученных расчетных значений по графику не должны превышать ±10%. При несоблюдении этого условия градуировочный график строят заново.
Масштаб градуировочного графика:
4 см оси ординат соответствуют 0,1 единицы оптической плотности, 4 см оси абсцисс соответствует 0,0002 мг/см3 пирофосфорнокислого натрия.
8.7.4 Проведение анализа
10 см3 пероксида водорода, отобранные пипеткой, вносят в стакан вместимостью 250 см3, добавляют пипеткой 20 см3 раствора серной кислоты, перемешивают и медленно упаривают на электроплитке, покрытой асбестом, или на песчаной бане до полного разложения пероксида водорода (до прекращения выделения пузырьков кислорода и появления слабых паров серной кислоты).
После того как проба остынет, стенки стакана смывают (7±2) см3 дистиллированной воды, содержимое перемешивают и еще раз выпаривают до появления слабых паров серной кислоты. Остывший раствор переносят в мерную колбу вместимостью 100 см3, разбавляют водой до метки, тщательно перемешивают, отбирают 10 см3 и переносят в мерную колбу вместимостью 50 см3, в которую добавляют молибденовокислый аммоний и двухлористое олово как при построении градуировочного графика. Серную кислоту при проведении определения не добавляют, так как подготовленная проба содержит необходимые 2 см3 серной кислоты.
Оптическую плотность измеряют по 8.7.3. По градуировочному графику находят массовую концентрацию дифосфата натрия.
8.7.5 Обработка результатов
Массовую концентрацию дифосфата натрия (X3), г/дм3, вычисляют по формуле
где 50 - коэффициент, учитывающий разведение пероксида водорода и пересчет массовой концентрации дифосфата натрия из мг/см3 в г/дм3;
m - массовая концентрация дифосфата натрия, найденная по градуировочному графику, мг/см3.
За результат анализа принимают среднее арифметическое результатов двух параллельных определений, расхождение между которыми не превышает допускаемое расхождение, равное 0,0009 г/дм3.
Допускаемая суммарная погрешность результата анализа ±0,0007 г/дм3 при доверительной вероятности P=0,95.
8.7.2-8.7.5 (Измененная редакция, Изм. N 1).
8.8 Определение массовой концентрации азотно-кислого аммония
Метод основан на восстановлении нитратной группы азотнокислого аммония водородом до аммиака, который отгоняют в титрованный раствор кислоты. Избыток последней оттитровывают щелочью.
8.8.1 Аппаратура, материалы и реактивы
Весы лабораторные по ГОСТ 24104, класса точности II.
Плитка электрическая по ГОСТ 14919.
Секундомер любого типа с емкостью шкалы счетчика 30 мин, с ценой деления секундной шкалы 0,20 с, с погрешностью ±0,60 с.
Цилиндр 1(3)-25-2 по ГОСТ 1770.
Пипетки 2-2-10, 50 по ГОСТ 29169.
Термометр жидкостной стеклянный по ГОСТ 28498 с диапазоном измеряемых температур 0-100 °С, с погрешностью ±2 °С.
Колба К-1-500 или Кн-1-500 по ГОСТ 25336.
Колба Кн-1-250 по ГОСТ 25336.
Каплеуловитель КО-14/23-60 по ГОСТ 25336.
Воронка капельная вместимостью 200 см со сливной трубкой длиной 200 мм (рисунок 2).
Рисунок 2 - Схема устройства для разложения пробы пероксида водорода
Рисунок 2 - Схема устройства для разложения пробы пероксида водорода
Холодильник ХПТ-1-400-14/23 по ГОСТ 25336.
Стакан В-1-250 по ГОСТ 25336.
Кислота серная по ГОСТ 4204, х.ч., концентрированная и раствор молярной концентрации c(1/2H2SO4)=0,01 моль/дм3 (0,01 н.), приготовленный из стандарт-титра по ТУ 6-09-2540.
Натрия гидроокись по ГОСТ 4328, х.ч., раствор молярной концентрации c(NaOH)=0,01 моль/дм3 (0,01 н.), приготовленный по ГОСТ 25794.1.
натр едкий технический по ГОСТ 2263, раствор молярной концентрации c(NaOH)=8 моль/дм3 (8 н.).
Спирт этиловый ректификованный по ГОСТ 18300.
Сплав Деварда по ТУ 6-09-3671.
Железо сернокислое закисное по ГОСТ 4148, раствор с массовой долей 2,5%.
Индикатор смешанный, приготовленный по 8.5.1 настоящего стандарта.
Вода дистиллированная по ГОСТ 6709.
(Измененная редакция, Изм. N 1, 2).
8.8.2 Подготовка к анализу
Раствор сернокислого закисного железа с массовой долей 2,5% готовят, растворяя 25 г сернокислого закисного железа в 1 дм3 воды с добавлением 4 см3 концентрированной серной кислоты.
8.8.3 Проведение анализа
В круглодонную или коническую колбу вместимостью 500 см3 (рисунок 2) наливают 5 см3 раствора сернокислого закисного железа и 10 см3 дистиллированной воды. Содержимое колбы подогревают до температуры (55±5) °С.
50 см3 пероксида водорода, отобранные пипеткой, разбавляют в стакане таким же объемом дистиллированной воды, перемешивают и вносят в капельную воронку.
Стакан ополаскивают (20±5) см3 дистиллированной воды и сливают промывные воды в ту же воронку. Раствор пероксида водорода из капельной воронки частыми каплями приливают к подогретому раствору сернокислого закисного железа.
После разложения пероксида водорода капельную воронку ополаскивают (25±5) см3 дистиллированной воды, сливая промывные воды в ту же колбу. Раствор кипятят в течение 5 мин, затем колбу с раствором охлаждают струей водопроводной воды до комнатной температуры.
В охлажденный раствор добавляют 0,5 г мелко растертого сплава Деварда, 5 см3 этилового спирта и закрывают реакционную колбу насадкой (рисунок 3). Отвод каплеуловителя присоединяют к холодильнику, который в свою очередь соединен с насадкой для приемной колбы (рисунок 4). При отсутствии насадок на шлифах допускается сборка установки на резиновых пробках. Схема установки для отгонки аммиака приведена на рисунке 5.
Рисунок 3 - Насадка для реакционной колбы
1 - капельная воронка; 2 - каплеуловитель
Рисунок 3 - Насадка для реакционной колбы
Рисунок 4 - Насадка для приемной колбы
1 - форштосс; 2 - U-образная трубка
Рисунок 4 - Насадка для приемной колбы
Рисунок 5 - Схема установки для отгонки аммиака
Рисунок 5 - Схема установки для отгонки аммиака
В приемную коническую колбу вместимостью 250 см3 вносят 25 см3 дистиллированной воды и 10 см3 раствора серной кислоты молярной концентрации с(1/2H2SO4)=0,01 моль/дм3 (0,01 н.) для поглощения отгоняемого аммиака.
В U-образную трубку приемной колбы на 1/3 высоты заливают дистиллированную воду.
После пуска охлаждающей (водопроводной) воды в рубашку холодильника и проверки системы на герметичность* в реакционную колбу через воронку частыми каплями добавляют 10 см3 раствора технического едкого натра молярной концентрации c(NaOH)=8 моль/дм3 (8 н.). Закрыв кран на воронке, заполняют ее дистиллированной водой, создавая тем самым гидрозатвор. Содержимое колбы медленно нагревают, затем кипятят до отгонки 2/3 объема раствора. Если в процессе перегонки количество паров в реакционной колбе уменьшается, то нагрев следует усилить. После отгонки аммиака холодильник отсоединяют от каплеуловителя, промывают его (25±5) см3 дистиллированной воды, сливая промывные воды и жидкость из U-образной трубки в приемную колбу. Избыток серной кислоты в приемной колбе оттитровывают раствором гидроокиси натрия молярной концентрации c(NaOH)=0,01 моль/дм3 (0,01 н.) в присутствии смешанного индикатора.
_________________
* Систему считают герметичной, если при подогреве реакционной колбы руками в приемной колбе проскакивают пузырьки газа.
Параллельно проводят контрольное определение в тех же условиях с тем же количеством реактивов, воды и сплава Деварда, но без пероксида водорода.
8.8.4 Обработка результатов
Массовую концентрацию азотно-кислого аммония (X4), г/дм3, вычисляют по формуле
где V1 - объем раствора гидроокиси натрия молярной концентрации c(NaOH)=0,01 моль/дм3, израсходованный на обратное титрование несвязывающейся серной кислоты при контрольном определении, см3;
V2 - объем раствора гидроокиси натрия молярной концентрации c(NaOH)=0,01 моль/дм3, израсходованный на обратное титрование несвязывающейся серной кислоты при определении аммиака в пробе, см3;
K - поправочный коэффициент раствора гидроокиси натрия молярной концентрации c(NaOH)=0,01 моль/дм3;
40 - молярная масса эквивалента азотно-кислого аммония, г/моль;
0,01 - молярная концентрация раствора серной кислоты, моль/дм3;
50 - объем испытуемого пероксида водорода, см3.
За результат анализа принимают среднее арифметическое результатов двух параллельных определений, расхождение между которыми не превышает допускаемое расхождение, равное 0,002 г/дм3.
Допускаемая суммарная погрешность результата анализа ±0,001 г/дм3 при доверительной вероятности P=0,95.
8.8.3, 8.8.4 (Измененная редакция, Изм. N 1).
8.9 Определение массовой доли механических примесей
Метод основан на гравиметрическом определении массовой доли механических примесей, выделенных при фильтровании определенного объема анализируемого пероксида водорода.
8.9.1 Аппаратура, материалы и реактивы
Весы лабораторные по ГОСТ 24104, класса точности II.
Насос водоструйный по ГОСТ 25336.
Шкаф сушильный лабораторный любого типа, обеспечивающий нагрев до 120 °С с погрешностью поддержания температуры ±2 °С.
Цилиндры 1-10, 500-2 по ГОСТ 1770.
Воронка ВФ-1-20(32, 40)-ПОР 16 по ГОСТ 25336.
Колба 1-1000 по ГОСТ 25336.
Эксикатор по ГОСТ 25336 любой.
Склянка СПЖ-250 по ГОСТ 25336.
Кислота азотная по ГОСТ 4461, х.ч., разбавленная 1:1.
Вода дистиллированная по ГОСТ 6709.
(Измененная редакция, Изм. N 1, 2).
8.9.2 Подготовка к анализу
Обрабатывают фильтрующую воронку, пропуская через нее двух-, трехкратный объем азотной кислоты, разбавленной 1:1, подогретой до температуры от 30 до 50 °С, после чего отмывают воронку дистиллированной водой до нейтральной реакции промывных вод. Высушивают воронку до постоянной массы при температуре от 105 до 110 °С и хранят в эксикаторе.
8.9.3 Проведение анализа
Из тщательно перемешанной объединенной пробы пероксида водорода отбирают цилиндром 500 см3 и фильтруют через взвешенную фильтрующую воронку, вставленную в колбу с тубусом и соединенную с водоструйным насосом через склянку для промывания газов. Собранный на фильтрующей воронке осадок промывают 10 см3 дистиллированной воды и высушивают в сушильном шкафу до постоянной массы при температуре от 105 до 110 °С.
Взвешивание пустой фильтрующей воронки и с осадком проводят с точностью до четвертого десятичного знака.
8.9.4 Обработка результатов
Массовую долю механических примесей (X5), %, вычисляют по формуле
где m - масса воронки с осадком, г;
m1 - масса пустой воронки, г;
p - плотность анализируемого пероксида водорода при температуре определения, г/см3.
За результат анализа принимают среднее арифметическое результатов двух параллельных определений, абсолютное расхождение между которыми не превышает допускаемое расхождение, равное 4·10-5%.
Допускаемая абсолютная суммарная погрешность результата анализа ±1·10-5% при доверительной вероятности P=0,95.
(Измененная редакция, Изм. N 1).
8.10 Определение массовой концентрации остатка после прокаливания (в фильтрованном продукте)
Метод основан на гравиметрическом определении массы остатка, полученного после разложения, испарения и прокаливания пробы продукта.
8.10.1 Аппаратура, материалы и реактивы
Весы лабораторные по ГОСТ 24104, класса точности II.
Печь муфельная типа ПМ-8 с предельной температурой нагревания 900 °С, с погрешностью поддержания температуры ±8 °С.
Шкаф сушильный лабораторный любого типа, обеспечивающий нагрев до 120 °С с погрешностью поддержания температуры ±2 °С.
Плитка электрическая по ГОСТ 14919.
Эксикатор по ГОСТ 25336 любой.
Цилиндры 1-10, 250-2 по ГОСТ 1770.
Стакан B-1-600 по ГОСТ 25336.
Чашка N 115-3(115-4, 118-3) по ГОСТ 6563 или чаша по ГОСТ 19908, или чашка выпарительная 3 по ГОСТ 9147.
Баня паровая.
Кислота азотная по ГОСТ 4461, х.ч.
Вода дистиллированная по ГОСТ 6709.
(Измененная редакция, Изм. N 1, 2).
8.10.2 Проведение анализа
Мерным цилиндром отбирают 200 см3 отфильтрованного по 8.9.3 пероксида водорода, вносят в стакан вместимостью 600 см3, добавляют 200 см3 дистиллированной воды, 10 см3 азотной кислоты, перемешивают и упаривают на электроплитке, покрытой асбестом, до объема (20±5) см3. Содержимое стакана охлаждают до комнатной температуры, смывают стенки стакана (20±5) см3 дистиллированной воды и вновь упаривают. Упаривание повторяют 2-3 раза до полного разложения пероксида водорода (до прекращения выделения пузырьков кислорода) и появления паров азотной кислоты. После охлаждения содержимое стакана переносят в предварительно прокаленную до постоянной массы платиновую, кварцевую или фарфоровую чашку, а стакан ополаскивают. Промывные воды также переливают в чашку и выпаривают на паровой бане досуха.
После выпаривания чашку с осадком подсушивают в сушильном шкафу при температуре от 105 до 110 °С и затем прокаливают в муфельной печи при температуре от 750 до 800 °С до постоянной массы. Одновременно проводят контрольное определение с тем же количеством дистиллированной воды и кислоты. Наличие привеса
за счет применяемых реактивов учитывают при расчете. Пустую чашку и чашку с осадком взвешивают с точностью до четвертого десятичного знака.
8.10.3 Обработка результатов
Массовую концентрацию остатка после прокаливания (X6), г/дм3, вычисляют по формуле
* Формула соответствует оригиналу. - Примечание изготовителя базы данных.
где m - масса чашки с осадком, г;
m1 - масса пустой чашки, г;
- привес массы чашки с осадком при контрольном определении, г;
200 - объем испытуемого пероксида водорода, см3;
1000 - коэффициент пересчета кубических сантиметров в кубические дециметры.
За результат анализа принимают среднее арифметическое результатов двух параллельных определений, расхождение между которыми не превышает допускаемое расхождение, равное 0,006 г/дм3.
Допускаемая суммарная погрешность результата анализа ±0,003 г/дм3 при доверительной вероятности P=0,95.
(Измененная редакция, Изм. N 1).
8.11 Определение показателя термостабильности
Метод основан на газометрическом определении скорости разложения пробы пероксида водорода при 100 °С.
8.11.1 Аппаратура, материалы и реактивы
Плитка электрическая по ГОСТ 14919.
Секундомер любого типа с емкостью шкалы счетчика 30 мин, ценой деления секундной шкалы 0,20 с, с погрешностью ±0,60 с или часы сигнальные.
Термобарогигрометр БМ-2 с диапазоном измерения давления от 91 до 110 кПа, с погрешностью ±0,75 кПа, с температурой 0-40 °С с погрешностью ±1,5 °С, с относительной влажностью от 30 до 100% с погрешностью ±10%.
Термометр жидкостной стеклянный по ГОСТ 28498 с диапазоном измеряемых температур 0-100 °С, с погрешностью ±0,2 °С.
Баня водяная.
Колба для определения показателя термостабильности (рисунок 6) вместимостью 75 см3, с шариковым холодильником, изготовленным из стекла марок Л-80, ДГ-1, ХУ-1.
Рисунок 6 - Колба для определения показателя термостабильности
1 - колба; 2 - шариковый холодильник; 3 - газоотводная трубка
Рисунок 6 - Колба для определения показателя термостабильности
Бюретка газовая (рисунок 7), состоящая из бюретки 1-1-2-50 по ГОСТ 29251, снабженной рубашкой для водяного охлаждения и уравнительным сосудом.
Рисунок 7 - Бюретка газовая
1 - измерительная бюретка; 2 - водяная рубашка; 3 - термометр; 4 - трехходовой кран;
5 - уравнительный сосуд
Рисунок 7 - Бюретка газовая
Пипетка 2-2-50 по ГОСТ 29169.
Кислота азотная по ГОСТ 4461, х.ч., разбавленная 1:1.
Вода дистиллированная по ГОСТ 6709.
Сода кальцинированная техническая по ГОСТ 10689.
Метиловый оранжевый по ТУ 6-09-5171.
Натрий хлористый по ГОСТ 4233, х.ч. или ч.д.а., насыщенный раствор (в качестве запорной жидкости в измерительной бюретке).
При многочисленных измерениях допускается в качестве запорной жидкости применять дистиллированную воду.
(Измененная редакция, Изм. N 1).
8.11.2 Подготовка к анализу
Для определения показателя термостабильности допускается использовать только колбы, не имеющие на своей поверхности видимых дефектов: трещин, воздушных пузырьков, инородных вплавлений и т.д.
Вновь применяемые колбы (не менее трех) обрабатывают в такой последовательности: раствором кальцинированной соды с массовой долей 20% для удаления жира и механических примесей; водой для удаления соды; азотной кислотой, разбавленной 1:1, при нагревании на водяной бане в течение 3 ч; дистиллированной водой до нейтральной реакции (проба с метиловым оранжевым); пероксидом водорода по ГОСТ 177 марки А или пероксидом водорода с массовой долей от 25% до 40%, приготовленного из пероксида водорода высококонцентрированного по ГОСТ Р 50632, в течение 24 ч; затем дистиллированной водой с последующей пропаркой водяным паром в течение (30±5) мин и сушкой. С вновь подготовленными колбами проводят пробное определение показателя термостабильности. Годными к работе считаются колбы, для которых отклонение показателя термостабильности не превышает ±10% среднего значения этого показателя для взятой партии пероксида водорода с известным показателем термостабильности.
После проведения испытаний кондиционного пероксида водорода колбы промывают дистиллированной водой, высушивают и хранят в закрытом виде в условиях, исключающих их загрязнение.
После проведения испытаний некондиционного продукта или попадания в колбы загрязнений проводят повторную обработку колб.
Собирают установку, состоящую из колбы для определения показателя термостабильности (рисунок 6), газовой бюретки (рисунок 7) и водяной бани.
Перед началом определения установку проверяют на герметичность. Для этого трехходовым краном соединяют газовую бюретку через газоотводную трубку с реакционной колбой и атмосферой. Устанавливают уровень запорной жидкости на нулевой отметке бюретки. Затем сообщенные между собой колбу и газовую бюретку отключают от атмосферы и опускают уровень жидкости в уравнительном сосуде на 15-20 см ниже уровня жидкости в газовой бюретке. Отмечают уровень жидкости в газовой бюретке и, если в течение 15 мин он меняется не более чем на 0,2 см3, реакционную колбу считают герметичной. Водяная рубашка газовой бюретки должна быть заполнена дистиллированной водой.
8.11.1, 8.11.2 (Измененная редакция, Изм. N 2).
8.11.3 Проведение анализа
В сухую чистую реакционную колбу вносят пипеткой 50 см3 пробы испытуемого пероксида водорода. Колбу закрывают пришлифованной газоотводной трубкой (шлиф предварительно смачивают каплей дистиллированной воды). Пускают водопроводную воду в шариковый холодильник. Колбу через газоотводную трубку соединяют с газовой бюреткой, трехходовой кран при этом должен быть установлен в положение, обеспечивающее сообщение реакционной колбы и газовой бюретки с атмосферой.
Реакционную колбу помещают в кипящую водяную баню и выдерживают 1 ч, в течение которого образующийся при разложении пероксида водорода Кислород выпускают в атмосферу.
Через час после нагревания продукта устанавливают уровень запорной жидкости в газовой бюретке на нулевой отметке и трехходовым краном отсоединяют колбу и бюретку от атмосферы. Выделяющийся газ поступает в газовую бюретку и вытесняет из нее жидкость, при этом поддерживают одинаковый уровень жидкости в бюретке и уравнительном сосуде.
По истечении второго часа нагревания устанавливают жидкость в уравнительном сосуде и газовой бюретке на одном уровне и измеряют объем выделившегося кислорода (Vt). Одновременно измеряют температуру воды в рубашке бюретки.
8.11.4 Обработка результатов
Показатель термостабильности (V0), см3, вычисляют по формуле приведения измеренного объема газа к нормальным условиям (0 °С, 101,3 кПа).
где Vt - объем кислорода, измеренный при температуре воды в рубашке бюретки, см3;
P1 - атмосферное давление воздуха, кПа;
P2 - давление насыщенных паров воды, находящихся над насыщенным раствором хлористого натрия при температуре воды в рубашке бюретки, кПа, (приложение Б);
t - температура воды в рубашке измерительной бюретки, °С.
В условиях, когда температура кипения воды не соответствует 100 °С, объем кислорода при температуре 100 °С V100, см3, вычисляют по формуле
где V0 - объем выделившегося кислорода при температуре анализа, приведенный к нормальным условиям, см3;
K - коэффициент, учитывающий повышение (понижение) скорости газовыделения при отклонении температуры кипения от 100 °С, (таблица 3).
Таблица 3
За результат анализа принимают среднее арифметическое результатов двух параллельных определений, расхождение между которыми не превышает допускаемое расхождение, равное 1,8 см3.
Допускаемая суммарная погрешность результата анализа ±0,9 см3 при доверительной вероятности P=0,95.
(Измененная редакция, Изм. N 1).
8.12 При проведении контроля качества по 8.3-8.11 допускается применение других серийно выпускаемых средств измерений с метрологическими характеристиками и оборудования с техническими характеристиками не хуже, а также реактивов по качеству не ниже указанных в настоящем стандарте.
9 МАРКИРОВКА, УПАКОВКА, ТРАНСПОРТИРОВАНИЕ И ХРАНЕНИЕ
9.1 Пероксид водорода заливают и перевозят как опасный груз наливом в железнодорожных алюминиевых цистернах типа ЖКЦ в соответствии с Правилами перевозки грузов, утвержденными МПС, действующими на железнодорожном транспорте, или автоцистернах типа 8Г11, СА 754, а также в алюминиевых контейнерах, бочках, устанавливаемых на специально оборудованных бортовых автомашинах в соответствии с Инструкцией по обеспечению безопасности перевозки опасных грузов автомобильным транспортом, утвержденной ВЦСПС, МВД и Госпроматомнадзором СССР.
Транспортная маркировка тары - по ГОСТ 14192. Маркировка, характеризующая вид и степень опасности груза в соответствии с требованиями ГОСТ 19433, должна содержать: знаки опасности - основной (чертеж 5) и дополнительный (чертеж 8), номер подкласса (5.1), классификационный шифр (5151), номер ООН (2015), номер аварийной карточки (505) при транспортировании по железной дороге.
Степень заполнения цистерн (емкостей) в зимнее время - не более 0,90, в летнее - не более 0,85.
Все алюминиевые средства транспортирования пероксида водорода должны быть подвергнуты химической обработке (пассивации) по инструкции, утвержденной в установленном порядке.
(Измененная редакция, Изм. N 2).
9.2 Пероксид водорода хранят в емкостях, изготовленных из алюминия марок АД0, АД1 по ГОСТ 4784 вместимостью до 100 м3, типа РА-2, РА-20, РА-40, РА-100. Перед заполнением пероксидом водорода емкости подвергают химической обработке по инструкции, утвержденной в установленном порядке.
9.3 Емкости, предназначенные для хранения пероксида водорода, должны иметь люк-лаз для зачистки, осмотра и ремонта емкости, штуцер для отбора проб, сливо-наливную трубу, зачистную трубу, воздушник с фильтром, глухую алюминиевую гильзу для термометра, штуцер для уровнемера.
9.4 Цистерны и другие емкости с пероксидом водорода, а также после слива его должны быть опломбированы.
9.5 Пероксид водорода хранят на стационарных или временных складах в соответствии с требованиями действующей технической документации, утвержденной в установленном порядке, при среднегодовой температуре не выше 15 °С (в соответствии с ГОСТ 16350).
При хранении пероксида водорода его температура не должна превышать температуру окружающей среды и не должна быть выше 25 °С.
Допускается хранение пероксида водорода при кратковременных (в течение суток) периодических возрастаниях температуры окружающего воздуха выше 25 °С.
В этом случае, если температура пероксида водорода достигает 30 °С, но не превышает при этом температуру окружающего воздуха, проводят орошение емкости водой.
(Измененная редакция, Изм. N 1).
9.6 Для герметизации емкостей используют следующие уплотнительные материалы:
- алюминий марок АД1 по ГОСТ 4784;
- пленка и лента из фторопласта-4 по ГОСТ 24222;
- фторопласт-4МБ по ТУ 6-05-1873;
- фторопласт-3 по ГОСТ 13744;
- фторопласт-10 (пленку) по ТУ 6-05-41-538;
- ФУМ-0 по ТУ 6-05-1570;
- ПОВ-50;
- пирографит марки ПГИ для торцевых уплотнений.
Из смазочных материалов рекомендуются смазки: ВНИИ НП-233 по ТУ 38101687, ЦИАТИМ-205 по ГОСТ 8551 и жидкости ПЭФ-180, ПЭФ-240, М-1, Б-1.
(Измененная редакция, Изм. N 2).
10 УКАЗАНИЯ ПО ЭКСПЛУАТАЦИИ
10.1 При хранении допускается смешивать пероксид водорода различных партий одной марки при соответствии каждой партии требованиям настоящего стандарта. При этом гарантийный срок хранения исчисляют по той партии, срок гарантии которой истекает раньше.
10.2 Пероксид водорода, не соответствующий требованиям настоящего стандарта, направляют предприятию-изготовителю на переработку или используют для технических целей.
10.3 При кристаллизации пероксида водорода во время транспортирования в зимних условиях перед сливом из емкости необходимо выдерживать емкость с пероксидом водорода в отапливаемом помещении или применить обдув воздухом температурой (35±5) °С до полного растворения кристаллов.
Выравнивание концентрации пероксида водорода достигается перекачкой на кольцо, барботажем и другими методами.
10.4 Для перекачки пероксида водорода используют стационарные средства: насос марок НП-25, Х20/31 Ю, ручной насос марки СКФ-4, передвижные насосы марок МПП-25, МНУП-30. В качестве соединительных шлангов для пероксида водорода всех марок используют фторопластовые рукава типа 8Д4-470-044 (из фторопласта марки 4Д с оплеткой и концевой арматурой из нержавеющей стали марки 12Х18Н9Т), металлорукава типа РГТ, а также СРГС, соединяющиеся с концевой арматурой при помощи сварки.
10.3, 10.4 (Измененная редакция, Изм. N 2).
11 ГАРАНТИИ ИЗГОТОВИТЕЛЯ
11.1 Изготовитель гарантирует соответствие пероксида водорода требованиям настоящего стандарта при соблюдении условий транспортирования и хранения.
11.2 Гарантийный срок хранения пероксида водорода - 10 лет со дня изготовления.
ПРИЛОЖЕНИЕ А (обязательное). ОБРАБОТКА СТЕКЛЯННЫХ И АЛЮМИНИЕВЫХ СОСУДОВ ДЛЯ ОТБОРА И ХРАНЕНИЯ ПРОБ ПЕРОКСИДА ВОДОРОДА
ПРИЛОЖЕНИЕ А
(обязательное)
1 Стеклянные сосуды (бутыли, колбы и др.) и пробоотборники, предназначенные для отбора проб пероксида водорода, не должны иметь на внутренней поверхности видимых изъянов (царапин, вздутий, вплавлений) и должны быть изготовлены из бесцветного стекла.
Отобранные стеклянные сосуды обрабатывают следующим образом:
- заливают доверху теплым (50±5) °С раствором кальцинированной соды с массовой долей 20% по ГОСТ 10689 и оставляют на 4 ч;
- сливают содовый раствор, тщательно промывают сосуд водой;
- заливают доверху раствором азотной кислоты по ГОСТ 4461 или по ГОСТ 701 с массовой долей от 25 до 30% и выдерживают от 12 до 20 ч;
- сливают раствор азотной кислоты, заливают доверху дистиллированной водой, сливают ее, а затем тщательно промывают дистиллированной водой до нейтральной реакции промывных вод (по метиловому оранжевому);
- заливают раствором пероксида водорода по ГОСТ 177 марки А или пероксидом водорода с массовой долей от 25% до 40%, приготовленного из пероксида водорода высококонцентрированного по ГОСТ Р 50632, закрывают фторопластовой или полиэтиленовой пленкой и выдерживают от 20 до 24 ч;
- сливают раствор пероксида водорода, промывают сосуд дистиллированной водой и высушивают.
2 Алюминиевые сосуды и пробоотборники обрабатывают следующим образом:
- заливают раствором едкого натра по ГОСТ 2263 с массовой долей (0,5±0,1)% на (3,5±0,5) ч, после чего промывают водой до нейтральной реакции по фенолфталеину;
- заливают раствором азотной кислоты по ГОСТ 4461 или ГОСТ 701 с массовой долей от 5% до 6% на 20 ч с последующей отмывкой дистиллированной водой до нейтральной реакции по метиловому оранжевому. Допускается применять азотную кислоту с массовой долей от 25% до 30% с временем выдержки от 4 до 5 ч;
- заливают раствором пероксида водорода по ГОСТ 177 марки А или пероксидом водорода с массовой долей от 25% до 40%, приготовленного из пероксида водорода высококонцентрированного по ГОСТ Р 50632, и выдерживают от 12 до 24 ч, после чего промывают дистиллированной водой и просушивают.
Закрывают горловины стеклянной посуды пленочным пластиком, а алюминиевые емкости специальными заглушками и хранят в условиях, исключающих загрязнение.
1, 2 (Измененная редакция, Изм N 1, 2).
3 При получении неудовлетворительных результатов анализа проводят повторную обработку стеклянных и алюминиевых сосудов для отбора и хранения проб.
ПРИЛОЖЕНИЕ Б (обязательное). Давление паров воды над насыщенным раствором хлорида натрия. Давление насыщенного водного пара в равновесии с водой
ПРИЛОЖЕНИЕ Б
(обязательное)
Таблица Б.1
Таблица Б.2
Давление насыщенного водного пара в равновесии с водой
(Измененная редакция, Изм. N 2).
официальное издание
М.: Издательство стандартов, 1994