Калия гидрат окиси технический ГОСТ 9285-78
Калия гидрат окиси технический. Технические условия (с Изменениями N 1, 2) ГОСТ 9285-78 (ИСО 992-75, ИСО 995-75, ИС 2466-73)
ГОСТ 9285-78
(ИСО 992-75,
ИCO 995-75,
ИСО 2466-73)
Группа Л13
ГОСУДАРСТВЕННЫЙ СТАНДАРТ СОЮЗА ССР
КАЛИЯ ГИДРАТ ОКИСИ ТЕХНИЧЕСКИЙ
Технические условия
Potassium hydroxide for industrial use.
Specifications
ОКП 21 3231 0000 09
Срок действия с 01.01.80
до 01.01.95*
_______________________________
* Ограничение срока действия снято
по протоколу N 4-93 Межгосударственного
Совета по стандартизации, метрологии
и сертификации (ИУС N 4, 1994 год). -
Примечание изготовителя базы данных.
ИНФОРМАЦИОННЫЕ ДАННЫЕ
1. РАЗРАБОТАН И ВНЕСЕН Министерством химической промышленности СССР
РАЗРАБОТЧИКИ:
Г.С.Лисецкая, А.С.Лозовик, А.И.Кочеровский, В.Л.Кубасов, Л.И.Юрков, Г.Г.Жукова, М.А.Михель, З.И.Лифатова, Е.Г.Фарфель, Г.Г.Карталова
2. УТВЕРЖДЕН И ВВЕДЕН В ДЕЙСТВИЕ Постановлением Государственного комитета стандартов Совета Министров СССР от 28.06.78 N 1706
3. ВЗАМЕН ГОСТ 9285-69, ГОСТ 5.1665-72
4. Периодичность проверки - 5 лет
5. Стандарт полностью соответствует международным стандартам ИСО 992-75, ИСО 995-75, ИСО 2466-73
В стандарт введен международный стандарт ИСО 1550-73
6. ССЫЛОЧНЫЕ НОРМАТИВНО-ТЕХНИЧЕСКИЕ ДОКУМЕНТЫ
|
Обозначение НТД, на который дана ссылка |
Номер пункта |
|
ГОСТ 12.1.007-76 |
2.1 |
|
ГОСТ 12.4.034-85 |
2.3 |
|
4.11.1 |
|
|
ГОСТ 1770-74 |
4.4.1, 4.5.1 |
|
4.6.1, 4.8.1, 4.9.1, 4.10.1, 4.11.1, 4.12.1 |
|
|
4.9.1 |
|
|
4.4.1, 4.6.1 |
|
|
4.9.1 |
|
|
4.8.1 |
|
|
4.9.1, 4.12.2 |
|
|
ГОСТ 4212-76 |
4.6.1, 4.9.1, 4.10.1, 4.11.1, 4.12.1 |
|
4.8.1 |
|
|
4.6.1, 4.10.1 |
|
|
4.10.1, 4.11.1 |
|
|
4.5.1, 4.12.1 |
|
|
4.5.1 |
|
|
ГОСТ 4517-87 |
4.4.1, 4.12.1 |
|
4.10.1 |
|
|
ГОСТ 4919.1-77 |
4.4.1, 4.5.1 |
|
ГОСТ 5044-79 |
5.6 |
|
4.10.1 |
|
|
ГОСТ 5632-72 |
4.1.1.1, 4.1.1.2, 4.1.2 |
|
ГОСТ 6247-79 |
5.1 |
|
4.6.1 |
|
|
4.5.1, 4.6.1, 4.8.1, 4.9.1, 4.10.1, 4.11.1, 4.12.1 |
|
|
ГОСТ 7338-77 |
5.3 |
|
ГОСТ 9557-87 |
5.11 |
|
4.8.1 |
|
|
ГОСТ 10555-75 |
4.7 |
|
ГОСТ 13950-84 |
5.1 |
|
ГОСТ 14192-77 |
5.8, 5.9 |
|
ГОСТ 17336-80 |
5.1 |
|
ГОСТ 17811-78 |
5.6 |
|
4.10.1 |
|
|
ГОСТ 19433-88 |
3.1, 5.8 |
|
ГОСТ 20292-74 |
4.4.1, 4.5.1 |
|
ГОСТ 21140-88 |
5.11 |
|
ГОСТ 21650-76 |
5.11 |
|
ГОСТ 21929-76 |
5.11 |
|
ГОСТ 24104-88 |
4.4.1 |
|
ГОСТ 24597-81 |
5.11 |
|
ГОСТ 25794.1-83 |
4.4.1 |
|
ГОСТ 25794.3-83 |
4.5.1 |
|
ГОСТ 26663-85 |
5.11 |
|
ГОСТ 27025-86 |
4.1a |
|
4.8.1 |
7. Срок действия продлен до 01.01.95 Постановлением Госстандарта СССР от 29.03.89 N 864
8. ПЕРЕИЗДАНИЕ (ноябрь 1991 г.) с Изменениями N 1, 2, утвержденными в ноябре 1983 г., марте 1989 г. (ИУС 2-84, ИУС 7-89)
Настоящий стандарт распространяется на технический гидрат окиси калия (кали едкое), получаемый диафрагменным электролизом раствора хлористого калия.
Технический гидрат окиси калия применяют для производства удобрений, синтетического каучука, электролитов для аккумуляторов, реактивов, ксантогенатов, солей, в медицинской промышленности и в других отраслях народного хозяйства.
Формула: KOH
Молекулярная масса (по международным атомным массам 1985 г.) - 56,10.
(Измененная редакция, Изм. N 1, 2).
1. ТЕХНИЧЕСКИЕ ТРЕБОВАНИЯ
1.1. Гидрат окиси калия должен быть изготовлен в соответствии с требованиями настоящего стандарта и по технологическому регламенту, утвержденному в установленном порядке.
1.2. Технический гидрат окиси калия выпускается двух марок:
твердый в виде плава и чешуек, раствор.
1.3. По физико-химическим показателям гидрат окиси калия должен соответствовать требованиям и нормам, указанным в табл.1.
Таблица 1
Примечания:
1. Показатели подпунктов 8, 10, 11, 12 нормируются только для производства аккумуляторов и реактивов.
2. Нормы примесей для раствора гидрата окиси калия даны в пересчете на 100%-ный продукт.
3. Для производства ксантогенатов предназначается чешуированный гидрат окиси калия.
(Измененная редакция, Изм. N 1, 2).
2. ТРЕБОВАНИЯ БЕЗОПАСНОСТИ
2.1. Гидрат окиси калия - едкое вещество, при попадании на кожу и слизистые оболочки, особенно глаза, вызывает химические ожоги.
По степени воздействия на организм гидрат окиси калия по ГОСТ 12.1.007-76 относится к вредным веществам 2-го класса опасности.
Предельно допустимая концентрация (ПДК) аэрозоля гидрата окиси калия в воздухе рабочей зоны - 0,5 мг/м3.
Содержание аэрозоля гидрата окиси калия в воздухе рабочей зоны определяют колориметрическим методом, утвержденным в установленном порядке.
Гидрат окиси калия не горюч и не взрывоопасен.
(Измененная редакция, Изм. N 1).
2.2. Производственные помещения должны быть оборудованы приточно-вытяжной вентиляцией.
2.3. Производственный персонал должен быть обеспечен специальной одеждой и средствами индивидуальной защиты (защитные очки, перчатки из резины, стойкой к щелочам, противоаэрозольный респиратор по ГОСТ 12.4.034-85* марки ФА-3).
______________
* На территории Российской Федерации действует ГОСТ 12.4.034-2001. - Примечание изготовителя базы данных.
2.4. При разливе гидрата окиси калия его обезвреживают, поливая место разлива обильным количеством воды.
При рассыпании твердого продукта его собирают совком, загрязненный участок обмывают обильным количеством воды.
2.2-2.4. (Измененная редакция, Изм. N 2).
3. ПРАВИЛА ПРИЕМКИ
3.1. Гидрат окиси калия принимают партиями. Партией считают любое количество однородного по своим показателям качества продукта, оформленное одним документом о качестве, содержащим:
наименование предприятия-изготовителя и его товарный знак;
наименование продукта, его марку и сорт;
классификационный шифр группы по ГОСТ 19433-88;
номер партии и дату изготовления;
массу брутто и нетто;
результаты проведенных анализов или подтверждение о соответствии партии продукта требованиям настоящего стандарта;
обозначение настоящего стандарта.
При поставке продукта в цистернах каждую цистерну считают партией.
(Измененная редакция, Изм. N 1, 2).
3.2. Для контроля качества технического гидрата окиси калия отбирают 10% упаковочных единиц продукции, но не менее трех упаковочных единиц; при транспортировании в железнодорожных цистернах пробу отбирают от каждой цистерны.
Допускается у изготовителя проводить отбор проб гидрата окиси калия марки "раствор" из емкости, предназначенной для хранения готового продукта; марки "твердый" - при розливе плавленого продукта в барабаны.
Предъявительские и приемо-сдаточные испытания могут быть совмещены.
(Измененная редакция, Изм. N 2).
3.3. Определение массовой доли хлорноватокислого калия, кремния, кальция, алюминия, нитратов и нитритов изготовитель проводит периодически - один раз в шесть месяцев. Массовая доля сульфатов определяется по требованию потребителя.
3.4. При получении неудовлетворительных результатов анализа хотя бы по одному из показателей проводят повторный анализ, используя удвоенную выборку той же партии или вновь отобранную пробу из цистерны. Результаты повторного анализа распространяются на всю партию.
3.3, 3.4. (Введены дополнительно, Изм. N 2).
4. МЕТОДЫ АНАЛИЗА
4.1а. Общие указания по проведению анализа - по ГОСТ 27025-86.
Допускается применение аппаратуры, технические и метрологические характеристики которой соответствуют аппаратуре, указанной в стандарте.
Допускается применение импортных реактивов, по качеству не уступающих реактивам, указанным в стандарте.
(Введен дополнительно, Изм. N 2).
4.1. Отбор проб
4.1.1. Отбор проб раствора гидрата окиси калия
(Измененная редакция, Изм. N 2).
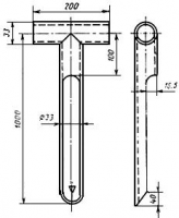
4.1.1.1. Точечные пробы из контейнеров и бочек отбирают трубкой (черт.1) из нержавеющей стали марки Х18Н10Т по ГОСТ 5632-72.
4.1.1.2. Пробы из цистерн отбирают пробоотборником (черт.2), состоящим из футляра с утолщенным дном из нержавеющей стали марки Х18Н10Т по ГОСТ 5632-72.
1 - футляр;
2 - банка;
3 - пробка
Черт.2
К ушкам футляра прикрепляют шнур или тонкую цепочку из материалов, стойких к продукту (сталь Х18Н10Т, полиэтилен, хлорвинил, фторопласт).
В футляр вставляют банку из полиэтилена с навинчивающейся крышкой и закрепляют в футляре к ушкам проволокой из нержавеющей стали. При отборе проб вместо крышки банку закрывают пробкой из полиэтилена (фторопласта) или нержавеющей стали марки Х18Н10Т, к которой прикрепляют шнур из стойкого к продукту материала.
Пробу из цистерн отбирают погружением пробоотборника на дно цистерны. Затем при помощи шнура выдергивают пробку из банки и медленно поднимают пробоотборник, при этом банка должна заполняться продуктом. Затем быстро закрывают банку навинчивающейся крышкой.
Допускается применять пробоотборники других конструкций, обеспечивающие отбор разовых проб с любого слоя продукта.
4.1.1.1, 4.1.1.2. (Измененная редакция, Изм. N 1).
4.1.2. Отбор проб твердого продукта
Пробу продукта в виде чешуек отбирают щупом из нержавеющей стали марки Х18Н10Т по ГОСТ 5632-72 (черт.2а), погружая его на 3/4 глубины барабана или мешка.
Пробу плавленого продукта отбирают пробоотборником со сверлящим приспособлением.
Допускается проводить отбор проб щупом любой другой конструкции, обеспечивающим отбор проб в соответствии с требованиями настоящего стандарта.
(Измененная редакция, Изм. N 1, 2).
4.1.3. Отобранные в равных количествах точечные пробы раствора гидрата окиси калия или продукта в виде чешуек соединяют вместе, тщательно перемешивают и отбирают среднюю пробу массой не менее 0,5 дм3 (0,5 кг). Куски плавленого продукта измельчают до размеров не более 25 мм, рассыпают на листе из нержавеющей стали в форме квадрата и делят по диагонали на четыре треугольника. Продукт из двух любых противоположных треугольников смешивают, вновь измельчают до кусков размером 5-10 мм и тщательно перемешивают. Повторным квартованием массу средней пробы доводят до 0,5-1,0 кг.
При приготовлении средней пробы необходимо принимать меры для предотвращения поглощения влаги и углекислого газа из воздуха.
Измельчение и квартование следует выполнять за минимально короткий период времени в условиях окружающей среды, по возможности более сухих.
Рекомендуется выполнять эти операции в перчаточном боксе.
Для удаления влаги и углекислого газа не менее чем за 1 ч до обработки пробы в бокс помещают чашки с пятиокисью фосфора и гидратом окиси калия.
Среднюю пробу помещают в чистую сухую полиэтиленовую банку.
На банку наклеивают этикетку с указанием наименования продукта, предприятия-изготовителя и его товарный знак, номера партии, даты отбора пробы и фамилии лица, отобравшего пробу.
(Измененная редакция, Изм. N 1, 2).
4.1.4. При наличии в растворе гидрата окиси калия кристаллов перед отбором пробы для анализа продукт нагревают до полного исчезновения кристаллов.
(Измененная редакция, Изм. N 2).
4.2. Определение внешнего вида
Внешний вид продукта определяют визуально.
4.3-4.3.3. (Исключены, Изм. N 2).
4.4. Определение массовых долей едких щелочей в пересчете на гидрат окиси калия и углекислого калия
4.4.1. Аппаратура, реактивы, растворы
Весы лабораторные 3-го класса точности по ГОСТ 24104-88* с наибольшим пределом взвешивания 500 г.
______________
* На территории Российской Федерации действует ГОСТ 24104-2001. - Примечание изготовителя базы данных.
Бюретки по ГОСТ 20292-74* вместимостью 50 и 10 см3.
________________
* На территории Российской Федерации действуют ГОСТ 29169-91, ГОСТ 29227-91-ГОСТ 29229-91, ГОСТ 29251-91-ГОСТ 29253-91. Здесь и далее по тексту. - Примечание изготовителя базы данных.
Пипетка по ГОСТ 20292-74 вместимостью 25 см3.
Цилиндры по ГОСТ 1770-74 вместимостью 250 и 25 см3.
Колба по ГОСТ 1770-74 вместимостью 500 см3.
кислота соляная, растворы концентрации c(НСl)=1 и 0,1 моль/дм3; готовят по ГОСТ 25794.1-83.
барий хлористый по ГОСТ 4108-72, раствор с массовой долей 10%, нейтрализованный по фенолфталеину.
Метиловый оранжевый, раствор; готовят по ГОСТ 4919.1-77.
Фенолфталеин, раствор с массовой долей 1%; готовят по ГОСТ 4919.1-77.
Вода дистиллированная, не содержащая углекислоты; готовят по ГОСТ 4517-87.
4.4.2. Подготовка к анализу
В стакан вместимостью 500 см3 помещают 50 г твердого продукта или 90 г раствора гидрата окиси калия, взвешенного с погрешностью не более 0,01 г, и растворяют в 200 см3 воды. Раствор охлаждают до комнатной температуры и количественно переносят в мерную колбу вместимостью 500 см3, разбавляют почти до метки, снова охлаждают и доводят до метки (раствор А).
4.4.3. Проведение анализа
Для определения массовой доли едких щелочей в коническую колбу вместимостью 250 см3 помещают 25 см3 анализируемого раствора А, добавляют 25 см3 воды, 10 см3 раствора хлористого бария и помешивают. Через 15 мин титруют раствором соляной кислоты концентрации 1 моль/дм3 в присутствии 4-5 капель фенолфталеина до обесцвечивания индикатора. Отмечают объем (V1) раствора кислоты, израсходованный на титрование.
Для определения массовой доли углекислого калия в коническую колбу вместимостью 250 см3 помещают 25 см3 анализируемого раствора А, 25 см3 воды и 4-5 капель раствора фенолфталеина. Затем приливают при перемешивании объем раствора соляной кислоты концентрации 1 моль/дм3 на 0,3 см3 меньше, чем израсходовано на первое титрование (V1-0,3), после чего раствор нейтрализуют из микробюретки раствором соляной кислоты концентрации 0,1 моль/дм3 до обесцвечивания индикатора; объем раствора кислоты, израсходованный на титрование по фенолфталеину, не учитывают. Затем прибавляют 2-3 капли раствора метилового оранжевого и титруют из микробюретки до перехода окраски индикатора в оранжевую. Отмечают объем (V2) раствора соляной кислоты, израсходованный на титрование по метиловому оранжевому.
4.4-4.4.3. (Измененная редакция, Изм. N 2).
4.4.4. Обработка результатов
Массовую долю едких щелочей в пересчете на гидрат окиси калия (X) в процентах вычисляют по формуле
Массовую долю углекислого калия в твердом продукте (X1) в процентах вычисляют по формуле![]()
Массовую долю углекислого калия в растворе гидрата окиси калия (X2) в процентах вычисляют по формуле
где V1 - объем раствора соляной кислоты концентрации точно 1 моль/дм3, израсходованный на титрование по фенолфталеину, см3;
V2 - объем раствора соляной кислоты концентрации точно 0,1 моль/дм3, израсходованный на титрование по метиловому оранжевому, см3;
m - масса анализируемой пробы, г;
56,11 - молярная масса эквивалента гидрата окиси калия, г/моль;
69,10 - молярная масса эквивалента углекислого калия, г/моль.
За результат анализа принимают среднее арифметическое результатов двух параллельных определений, допускаемые расхождения между которыми не должны превышать: при определении едких щелочей - 0,1%; при определении углекислого калия - 0,05% при доверительной вероятности P=0,95.
Предел допускаемой относительной суммарной погрешности результата определения: при определении едких щелочей в твердом продукте - ±0,4%; в растворе гидрата окиси калия - ±0,5%; при определении углекислого калия в твердом продукте - ±3,6%, в растворе гидрата окиси калия - ±12,5% при доверительной вероятности P=0,95.
(Введен дополнительно, Изм. N 2).
4.5. Определение массовой доли хлоридов
4.5.1. Аппаратура, реактивы, растворы
Бюретка по ГОСТ 20292-74 вместимостью 50 см3.
Пипетка по ГОСТ 20292-74 вместимостью 25 см3.
Цилиндр по ГОСТ 1770-74 вместимостью 50 см3.
Кислота азотная по ГОСТ 4461-77, раствор концентрации c(HNO3)=2 моль/дм3.
Натрия гидроокись по ГОСТ 4328-77, раствор концентрации c(NaOH)=2 моль/дм3.
Вода дистиллированная по ГОСТ 6709-72-->ГОСТ 6709-72 или Вода эквивалентной чистоты.
Дифенилкарбазон, раствор; готовят по ГОСТ 4919.1-77.
Бромфеноловый синий, раствор; готовят по ГОСТ 4919.1-77.
Ртуть (II) азотнокислая 1-водная, раствор концентрации c(1/2Hg(NO3)2·H2O)=0,05 моль/дм3; готовят по ГОСТ 25794.3-83.
4.5.2. Проведение анализа
В коническую колбу вместимостью 250 см3 помещают 25 см3 раствора А, 3 капли раствора бромфенолового синего, приливают раствор азотной кислоты до перехода окраски индикатора в желтую (
25 см3). Затем по каплям добавляют раствор гидроокиси натрия до получения синей окраски, а затем раствор азотной кислоты до изменения окраски в желтую и еще 3 капли избытка кислоты. К полученному раствору прибавляют 5-10 капель раствора дифенилкарбазона и титруют раствором азотнокислой ртути до окраски раствора сравнения.
Для определения конечной точки титрования одновременно готовят раствор сравнения. Для этого в коническую колбу вместимостью 250 см3 помещают 60 см3 воды, 3 капли раствора бромфенолового синего и приливают по каплям раствор азотной кислоты до перехода окраски индикатора в желтую, затем прибавляют 5-10 капель дифенилкарбазона и 1-2 капли раствора азотнокислой ртути до изменения окраски раствора в розово-лиловую.
4.5.3. Обработка результатов
Массовую долю хлоридов в твердом продукте (X3) в процентах вычисляют по формуле![]()
Массовую долю хлоридов в растворе гидрата окиси калия (X4) в процентах вычисляют по формуле
где V - объем раствора азотнокислой ртути (II) концентрации точно 0,05 моль/дм3, израсходованный на титрование анализируемого раствора, см3;
V1 - объем раствора азотнокислой ртути (II) концентрации точно 0,05 моль/дм3, израсходованный на титрование раствора сравнения, см3;
m - масса анализируемой пробы, г;
35,45 - молярная масса эквивалента хлорид-иона, г/моль;
X - массовая доля едких щелочей в пересчете на гидрат окиси калия, определенная по п.4.4.4, %.
За результат анализа принимают среднее арифметическое результатов двух параллельных определений, допускаемые расхождения между которыми не должны превышать 0,01% при доверительной вероятности P=0,95.
Пределы допускаемой относительной суммарной погрешности результата определения ±1,5% при доверительной вероятности P=0,95.
4.5-4.5.3. (Измененная редакция, Изм. N 2).
4.6. Определение массовой доли сульфатов
4.6.1. Реактивы, растворы и аппаратура
кислота соляная по ГОСТ 3118-77, х.ч., концентрированная и раствор с массовой долей 10%.
Раствор образцовый, содержащий сульфаты; готовят по ГОСТ 4212-76, разбавлением в 10 раз готовят раствор, содержащий 0,1 мг сульфатов в 1 см3.
барий хлористый по ГОСТ 4108-72, х.ч.
Натрий хлористый по ГОСТ 4233-77, х.ч.
глицерин по ГОСТ 6259-75, ч.д.а.
Раствор кондиционирующий, готовят путем последовательного растворения солей следующим образом: в 500 см3 дистиллированной воды растворяют 70 г хлористого натрия, добавляют 10 см3 концентрированной соляной кислоты, 500 см3 глицерина, 50 г хлористого бария и тщательно перемешивают.
Вода дистиллированная по ГОСТ 6709-72-->ГОСТ 6709-72.
Бумага индикаторная универсальная.
Фотоэлектроколориметр типа ФЭК-56, ФЭК-56М или ФЭК-60.
(Измененная редакция, Изм. N 2).
4.6.2. Подготовка к анализу
4.6.2.1. Построение градуировочного графика
В шесть мерных колб вместимостью 100 см3 помещают 0; 2; 4; 6; 8; 10 см3 разбавленного образцового раствора, что соответствует 0; 0,2; 0,4; 0,6; 0,8 и 1 мг сульфата, и воду до объема примерно 50 см3. Затем добавляют 10 см3 кондиционирующего раствора и объем доводят водой до метки, перемешивают 1 мин и оставляют на 5 мин. Снова перемешивают 15 с и измеряют оптическую плотность полученных растворов на фотоэлектроколориметре в кювете с толщиной поглощающего свет слоя 50 мм, при длине волны 430-450 нм. В качестве раствора сравнения используют дистиллированную воду с добавкой 10 см3 кондиционирующего раствора.
По полученным данным строят градуировочный график, откладывая на оси абсцисс массу сульфата в миллиграммах, а на оси ординат - соответствующую оптическую плотность. С каждой точкой градуировочного графика, начиная с прибавления кондиционирующего раствора, работают отдельно.
Градуировочный график необходимо проверять не реже одного раза в неделю.
4.6.3. Проведение анализа
В стакан вместимостью 100 см3 отбирают пипеткой 10-20 см3 (в зависимости от содержания сульфатов) раствора А и нейтрализуют 10%-ным раствором соляной кислоты до pH 3-4 по универсальной индикаторной бумаге. Раствор переносят в мерную колбу вместимостью 100 см3, добавляют воду до объема примерно 50 см3, 10 см3 кондиционирующего раствора и далее анализируют по п.4.6.2.
4.6.4. Обработка результатов
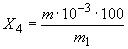
Массовую долю сульфатов (X4) в процентах вычисляют по формуле
где m - масса сульфатов, найденная по градуировочному графику, мг;
m1 - масса гидрата окиси калия, содержащаяся в 10-20 см3 раствора А, г.
За результат анализа принимают среднее арифметическое результатов двух параллельных определений, допускаемые расхождения между которыми не должны превышать 0,002%.
4.6.3, 4.6.4. (Измененная редакция, Изм. N 2).
4.7. Определение массовой доли железа
Определение массовой доли железа проводят по ГОСТ 10555-75. При этом взвешивают 1,5 г твердого продукта или 5 г (в пересчете на 100%-ный гидрат окиси калия) раствора гидрата окиси калия. Массу анализируемой пробы раствора вычисляют по формуле
где X - массовая доля едких щелочей в пересчете на гидрат окиси калия, определенная по п.4.4.4, %.
Анализируемую пробу помещают в стакан, растворяют в 100 см3 воды, охлаждают, количественно переносят в мерную колбу вместимостью 250 см3 и раствор доводят водой до метки (раствор Б).
Затем 20 см3 анализируемого раствора Б помещают в коническую колбу вместимостью 100 см3, нейтрализуют по лакмусовой бумаге раствором соляной кислоты, прибавляя 1 см3 избытка и нагревают до кипения. Раствор охлаждают и далее определение проводят сульфосалициловым методом.
(Измененная редакция, Изм. N 2).
4.8. Определение массовой доли хлорноватокислого калия
4.8.1. Реактивы и растворы
натрий серноватистокислый (Тиосульфат натрия) по ГОСТ 27068-86, раствор концентрации c(Na2S2O3)=0,01 моль/дм3.
Калий бромистый по ГОСТ 4160-74, х.ч., раствор с массовой долей 10%.
кислота соляная по ГОСТ 3118-77, х.ч., концентрированная.
Калий йодистый по ГОСТ 4232-74, х.ч., раствор с массовой долей 10%.
Крахмал растворимый по ГОСТ 10163-76, раствор с массовой долей 1%.
Бумага индикаторная универсальная.
Вода дистиллированная по ГОСТ 6709-72-->ГОСТ 6709-72.
4.8.2. Проведение анализа
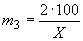
5 см3 раствора А помещают в коническую колбу вместимостью 500 см3 и нейтрализуют соляной кислотой до pH 5-7 по универсальной индикаторной бумаге. Содержимое колбы охлаждают до комнатной температуры, приливают 10 см3 раствора бромистого калия и 40 см3 раствора соляной кислоты. Колбу плотно закрывают пробкой и после 10 мин выдерживания в темном месте добавляют 10 см3 раствора йодистого калия, 75 см3 воды и выделившийся йод титруют раствором серноватистокислого натрия до слабо-желтого цвета. Затем прибавляют 2-3 см3 раствора крахмала и продолжают титрование до обесцвечивания раствора.
Параллельно готовят контрольную пробу, для чего в коническую колбу вместимостью 500 см3 помещают то же количество соляной кислоты, что израсходовано на нейтрализацию анализируемой пробы, 50 см3 воды, 10 см3 раствора бромистого калия, 40 см3 соляной кислоты. Колбу плотно закрывают пробкой и оставляют на 10 мин в темном месте. Затем добавляют 10 см3 раствора йодистого калия, 100 см3 воды, 2-3 см3 раствора крахмала и титруют раствором серноватистокислого натрия до обесцвечивания раствора.
4.8.3. Обработка результатов
Массовую долю хлорноватокислого калия (X7) в процентах вычисляют по формуле
где V - объем раствора серноватистокислого натрия концентрации точно 0,01 моль/дм3, израсходованный на титрование анализируемой пробы, см3;
V1 - объем раствора серноватистокислого натрия концентрации точно 0,01 моль/дм3, израсходованный на титрование контрольной пробы, см3;
0,000204 - масса хлорноватокислого калия, соответствующая 1 см3 раствора серноватистокислого натрия концентрации точно 0,01 моль/дм3;
m - масса гидрата окиси калия, содержащаяся в 5 см3 раствора А, г.
За результат анализа принимают среднее арифметическое результатов двух параллельных определений, допускаемые расхождения между которыми не должны превышать 0,008%.
4.8.1-4.8.3. (Измененная редакция, Изм. N 2).
4.9. Определение массовой доли кремния
4.9.1. Реактивы, растворы и аппаратура
Кислота серная по ГОСТ 4204-77, х.ч., раствор концентрации c(1/2H2SO4)=10 моль/дм3.
кислота соляная по ГОСТ 3118-77, х.ч., концентрированная.
Аммоний молибденовокислый по ГОСТ 3765-78, х.ч., раствор с массовой долей 5%; раствор годен в течение 3 сут.
Железо сернокислое закисное по ГОСТ 4148-78, х.ч., готовят следующим образом: 5 г соли растворяют в 95 см3 воды, содержащей 10 см3 раствора серной кислоты; применяют свежеприготовленный раствор.
Раствор образцовый, содержащий 1 мг кремния в 1 см3, готовят по ГОСТ 4212-76; раствор устойчив в течение 1,5-2 мес; разбавлением в 100 раз готовят раствор, содержащий 10 мкг кремния в 1 см3.
Вода дистиллированная по ГОСТ 6709-72-->ГОСТ 6709-72.
Бумага индикаторная универсальная.
Фотоэлектроколориметры типа ФЭК-56, ФЭК-56М или ФЭК-60.
Все растворы необходимо хранить в полиэтиленовой посуде.
(Измененная редакция, Изм. N2).
4.9.2. Подготовка к анализу
4.9.2.1. Построение градуировочного графика
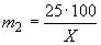
В пять мерных колб вместимостью 50 см3 каждая помещают 24; 22,5; 20; 17,5; 15 см3 воды, 1,0; 2,5; 5,0; 7,5 и 10 см3 разбавленного образцового раствора, что соответствует 10, 25, 50, 75 и 100 мкг кремния, по 0,35 см3 раствора серной кислоты, 2,5 см3 раствора молибденовокислого аммония, перемешивают и оставляют на 5 мин. Затем вводят по 10 см3 раствора серной кислоты, 5 см3 раствора сернокислого железа, доводят объем раствора водой до метки, перемешивают. Одновременно в тех же условиях готовят контрольный раствор, не содержащий кремния. Оптическую плотность полученных растворов измеряют относительно контрольного на приборах ФЭК-56 (ФЭК-56М) при длине волны 597 нм (светофильтр N 8) или на приборе ФЭК-60 при длине волны 590 нм (светофильтр N 5) с толщиной поглощающего свет слоя 20 мм.
По полученным данным строят градуировочный график, откладывая на оси абсцисс массу кремния в микрограммах, а на оси ординат - соответствующую оптическую плотность.
4.9.3. Проведение анализа
В платиновую чашку или полиэтиленовый стакан вместимостью 250 см3 берут с погрешностью не более 0,01 г навеску 25 г твердого или раствора гидрата окиси калия, вычисленную по формуле
где X - массовая доля гидрата окиси калия, определенная по п.4.4, %.
Затем приливают 75 см3 воды и осторожно нейтрализуют соляной кислотой до pH 2 по универсальной индикаторной бумаге (раствор должен быть прозрачным). Пробу переносят в мерную колбу вместимостью 250 см3, доводят объем раствора водой до метки и хорошо перемешивают, при этом 10 см3 полученного раствора соответствуют 1 г гидрата окиси калия - раствор Г.
5 см3 раствора Г помещают в мерную колбу вместимостью 50 см3, добавляют 20 см3 воды, 0,35 см3 раствора серной кислоты и далее анализируют по п.4.9.2.1.
4.9.4. Обработка результатов
Массовую долю кремния (X8) в процентах вычисляют по формуле
где m - масса кремния в пробе, найденная по градуировочному графику, мкг;
0,5 - масса гидрата окиси калия, соответствующая 5 см3 раствора Г, г.
За результат анализа принимают среднее арифметическое результатов двух параллельных определений, допускаемые расхождения между которыми не должны превышать 0,0005%.
4.9.2.1-4.9.4. (Измененная редакция, Изм. N 2).
4.10. Определение массовой доли натрия и кальция
4.10.1. Аппаратура, реактивы, растворы
Спектрофотометр на основе спектрографа типа ИСП-51 с фотоэлектрической приставкой ФЭП-1.
Фотоумножители типа ФЭУ-17, ФЭУ-22.
Ацетилен по ГОСТ 5457-75, в баллонах.
Воздух для питания приборов и средств автоматизации.
Распылитель.
Вода дистиллированная по ГОСТ 6709-72-->ГОСТ 6709-72, перегнанная в кварцевом приборе.
кислота соляная по ГОСТ 3118-77, х.ч., концентрированная.
Калий хлористый по ГОСТ 4234-77, х.ч. Очищают от примеси кальция обработкой насыщенного раствора соляной кислотой. Выпавший осадок отфильтровывают, промывают на фильтре этиловым спиртом и высушивают.
Из очищенной соли готовят раствор, содержащий 53,2 г/дм3.
Натрий хлористый по ГОСТ 4233-77, х.ч.
кальций углекислый по ГОСТ 4530-76, х.ч.
Растворы образцовые, содержащие натрий и кальций, готовят по ГОСТ 4212-76; соответствующим разбавлением готовят раствор Д, содержащий 0,575 мг натрия в 1 см3, и раствор Д1 содержащий 0,01 мг кальция в 1 см3.
Спирт этиловый ректификованный технический по ГОСТ 18300-87.
Бумага индикаторная универсальная.
Все исходные и образцовые растворы, а также воду, применяемую для приготовления растворов, необходимо хранить в полиэтиленовой или кварцевой посуде.
(Измененная редакция, Изм. N 1, 2).
4.10.2. Подготовка к анализу
4.10.2.1. Приготовление образцов
Для определения натрия в пять мерных колб вместимостью 100 см3 помещают по 5 см3 раствора хлористого калия, приведенные в табл.2 количества раствора Д, доводят объем раствора водой до метки и перемешивают.
Таблица 2
4.10.2.2. Для определения кальция в пять мерных колб вместимостью 100 см3 помещают по 50 см3 раствора хлористого калия, приведенные в табл.3 количества раствора Д, доводят объем раствора водой до метки и перемешивают.
Таблица 3
4.10.3. Проведение анализа
Отбирают пипеткой 20 см3 раствора Г (п.4.9.3) в мерную колбу вместимостью 100 см3, доводят водой до метки, хорошо перемешивают и фильтруют через сухой фильтр, отбрасывая первые порции фильтрата. Фильтрат (раствор Д2) используют для определения кальция.
10 см3 раствора Д2 помещают в мерную колбу вместимостью 100 см3, разбавляют водой и доводят объем водой до метки. Полученный раствор Д3 используют для определения натрия.
При анализе сравнивают интенсивность излучения резонансных линий натрия 589,0-589,6 нм и калия - 422,7 нм, возникающих в спектре пламени смеси ацетилен-воздух, при введении в него анализируемых и образцовых растворов.
После подготовки прибора проводят фотометрирование анализируемых и образцовых растворов в порядке возрастания содержания примесей.
Затем проводят фотометрирование в обратной последовательности, начиная с максимального содержания примесей, и вычисляют среднее арифметическое значение показаний для каждого раствора, учитывая в качестве поправки отсчет, полученный при фотометрировании первого образцового раствора. После каждого измерения распыляют воду.
По полученным данным для образцовых растворов строят градуировочный график, откладывая на оси ординат интенсивность излучения, на оси абсцисс - массовую долю примеси натрия и кальция в гидрате окиси калия.
За результат анализа принимают среднее арифметическое результата двух параллельных определений, допускаемые расхождения между которыми не должны превышать для натрия 0,05%, для кальция 0,0005%.
4.11. Определение массовой доли алюминия
4.11.1. Реактивы, растворы и аппаратура
кислота соляная по ГОСТ 3118-77, х.ч., концентрированная и раствор концентрации c(НСl)=1 моль/дм3.
Калий хлористый по ГОСТ 4234-77, ч.д.а., готовят раствор, содержащий 1 г в 4 см3.
Раствор образцовый, содержащий алюминий, готовят по ГОСТ 4212-76; разбавлением в 100 раз получают раствор, содержащий 10 мкг алюминия в 1 см3.
Кислота аскорбиновая медицинская, свежеприготовленный раствор с массовой долей 2%.
желатин, свежеприготовленный раствор с массовой долей 1%.
Алюминон (триаммонийная соль ауринтрикарбоновой кислоты) "экстра", ч.д.а., раствор с массовой долей 0,1%, приготовленный не менее чем за 1 сут до определения. Годен в течение 5 сут.
Раствор, содержащий железо (III), 1 мг в 1 см3, готовят по ГОСТ 4212-76.
Натрий уксуснокислый по ГОСТ 199-78, ч.д.а., раствор концентрации c(CH3COONa)=1 моль/дм3.
Раствор буферный pH 5,3; готовят следующим образом: в мерной колбе вместимостью 250 см3 смешивают 10 см3 раствора соляной кислоты концентрации 1 моль/дм3 и 50 см3 раствора уксуснокислого натрия, объем раствора водой доводят до метки и перемешивают, pH раствора контролируют на рН-метре.
Вода дистиллированная по ГОСТ 6709-72-->ГОСТ 6709-72.
Бумага индикаторная универсальная.
Фотоэлектроколориметр типа ФЭК-56, ФЭК-56М или ФЭК-60.
(Измененная редакция, Изм. N1, 2).
4.11.2. Подготовка к анализу
4.11.2.1. Построение градуировочного графика
В пять стаканчиков вместимостью 50 см3 помещают по 2,5 см3 раствора хлористого калия, 0,3 см3 раствора железа; 0; 1,0; 2,0; 4,0; 6,0 см3 образцового раствора, что соответствует 0; 10; 20; 40; 60 мкг алюминия, по 2 см3 раствора аскорбиновой кислоты и 20 см3 воды. Растворы хорошо перемешивают и оставляют стоять 5 мин. Затем приливают по 5 см3 буферного раствора и, на pH-метре с помощью раствора уксуснокислого натрия устанавливают pH 5,0-5,3.
Растворы переносят в мерные колбы вместимостью 50 см3, вводят 2 см3 раствора желатина, 4 см3 раствора алюминона, перемешивают и нагревают на кипящей водяной бане в течение 10 мин. После охлаждения растворов объем доводят водой до метки, перемешивают. Затем измеряют оптическую плотность полученных растворов относительно раствора, не содержащего алюминия, при длине волны 540 нм (светофильтр N 6) на приборах ФЭК-56 или ФЭК-56М или при длине волны 520 нм (светофильтр N 4) на приборе ФЭК-60 (толщина поглощающего свет слоя 5 мм).
По полученным данным строят градуировочный график, откладывая на оси абсцисс массу алюминия в микрограммах, а на оси ординат оптическую плотность.
4.11.3. Проведение анализа
В мерную колбу вместимостью 50 см3 помещают 5 см3 раствора Г, приготовленного по п.4.9.3, и раствор железа массой, вычисленной по формулам:
для твердого продукта - (0,3-2,5m·10-3) мг;
для раствора гидрата окиси калия - (0,3-0,5m·10-3) мг,
где m - масса железа в пробе, найденная по градуировочному графику (п.4.7.2.1), мкг.
Затем приливают 2 см3 раствора аскорбиновой кислоты, перемешивают, оставляют на 5 мин и далее определяют по п.4.11.2.1. Одновременно в тех же условиях готовят контрольный раствор, не содержащий алюминия, но содержащий 0,3 мг железа и остальные реактивы.
(Измененная редакция, Изм. N 2).
4.11.4. Обработка результатов
Массовую долю алюминия (X9) в процентах вычисляют по формуле
где m - масса алюминия, найденная по градуировочному графику, мкг.
За результат анализа принимают среднее арифметическое результатов двух параллельных определений, допускаемые расхождения между которыми не должны превышать 0,0005%.
4.12. Определение массовых долей нитратов и нитритов
4.12.1. Реактивы, растворы и аппаратура
Кислота серная по ГОСТ 4204-77, разбавленная 1:3 и раствор концентрации c(1/2H2SO4)=0,1 моль/дм3.
Раствор, содержащий азот, готовят по ГОСТ 4212-76; разбавлением в 100 раз в день определения получают рабочий раствор, содержащий 10 мкг азота в 1 см3.
Реактив Несслера, готовят по ГОСТ 4517-87.
кислота соляная по ГОСТ 3118-77, х.ч., раствор концентрации c(НСl)=0,1 моль/дм3.
Натрия гидроокись по ГОСТ 4328-77, х.ч., раствор с массовой долей 20%.
Сплав Деварда.
Вода дистиллированная по ГОСТ 6709-72-->ГОСТ 6709-72.
Анализируемые растворы и растворы сравнения готовят на одновременно отобранной пробе воды.
Фотоэлектроколориметр типа ФЭК-56, ФЭК-56М или ФЭК-60.
Прибор для отделения аммиака дистилляцией (черт.3), состоящий из следующих частей: круглодонной длинногорлой колбы 1 вместимостью 250 см3, лабораторного стеклянного холодильника 3 с длиной кожуха 250-400 мм; брызгоуловителя 2, диаметром 50-60 мм; мерного цилиндра 5 вместимостью 50 см3 для приема дистиллята; стеклянной отводной трубки 4 для наращивания нижнего конца холодильника.
Допускается применять дистилляционные установки других конструкций, обеспечивающие полное отделение аммиака.
(Измененная редакция, Изм. N2).
4.12.2. Подготовка к анализу
4.12.2.1. Перед началом работы дистилляционную установку очищают паром, полученным кипячением в перегонной колбе достаточного количества дистиллированной воды до тех пор, пока дистиллят не будет свободен от аммиака (качественную проверку проводят реактивом Несслера, сравнивая окраску анализируемого дистиллята с окраской контрольного раствора, содержащего в равном объеме дистиллированной воды равное количество реактива Несслера).
Черт.3
4.12.2.2. Построение градуировочного графика
В пять круглодонных колб помещают 1,0; 2,0; 3,0; 4,0 и 6,0 см3 рабочего раствора азота, что соответствует 0,01; 0,02; 0,03; 0,04 и 0,06 мг азота, доводят объем растворов водой до 75 см3 и перемешивают. В каждый раствор прибавляют 1 г сплава Деварда, 5 см3 раствора гидроокиси натрия, перемешивают содержимое колб, быстро присоединяют колбы к приборам для дистилляции и выдерживают в течение 1 ч, периодически перемешивая. Одновременно готовят контрольный раствор, не содержащий азот.
Допускается проводить реакцию восстановления в колбе, не присоединенной к прибору для дистилляции. В этом случае колбу закрывают пробкой, снабженной насадкой, наполненной раствором серной кислоты 1:3, или клапаном Бунзена.
Через 1 ч отгоняют из каждой колбы 40 см3 раствора в мерный цилиндр вместимостью 50 см3, содержащий 2 см3 раствора серной кислоты концентрации 0,1 моль/дм3, причем конец выводной трубки холодильника должен быть погружен в кислоту. Полученные отгоны охлаждают, добавляют воду от промывки холодильника и выводной трубки, перемешивают, количественно переносят в мерные колбы вместимостью 50 см3. Прибавляют по 1 см3 гидроокиси натрия, 2 см3 реактива Несслера, доводят до метки, снова перемешивают и через 10 мин измеряют оптическую плотность рабочих растворов и контрольного раствора по отношению к воде на фотоэлектроколориметре при длине волны 400-450 нм (светофильтр N 3), в кюветах с толщиной поглощающего свет слоя 30 мм. Из оптической плотности рабочих растворов вычитают оптическую плотность контрольного раствора. По полученным данным строят градуировочный график, откладывая на оси абсцисс массу азота в миллиграммах, и на оси ординат оптическую плотность.
4.12.3. Проведение анализа
В круглодонную колбу вместимостью 250 см3 взвешивают с погрешностью не более 0,01 г навеску 2 г твердого или раствора гидрата окиси калия, вычисляют по формуле
где X - массовая доля гидрата окиси калия, определенная по п.4.4, %.
Затем навеску растворяют в воде и объем раствора доводят до 75 см3, прибавляют 1 г сплава Деварда, перемешивают содержимое колбы и выдерживают в течение 1 ч, периодически перемешивая. Далее определяют по п.4.12.2.2.
Одновременно проводят контрольный опыт в таких же условиях и с такими же количествами реактивов.
4.12.2.2, 4.12.3. (Измененная редакция, Изм. N 2).
4.12.4. Обработка результатов
Массовую долю азота (X10) в процентах вычисляют по формуле
где m - масса азота, найденная по градуировочному графику, мг.
За результат анализа принимают среднее арифметическое результатов двух параллельных определений, допускаемые расхождения между которыми не должны превышать 0,0005%.
5. УПАКОВКА, МАРКИРОВКА, ТРАНСПОРТИРОВАНИЕ И ХРАНЕНИЕ
5.1. Раствор гидрата окиси калия заливают в чистые стальные контейнеры или бочки БСI-100-2, БСI-200-3 по ГОСТ 13950-84* или БСI или БСII вместимостью 100, 200 и 275 дм3 по ГОСТ 6247-79 или БСТI 110-2, БСТI 275-3 по ГОСТ 17336-80.
______________
* На территории Российской Федерации действует ГОСТ 13950-91. - Примечание изготовителя базы данных.
(Измененная редакция, Изм. N 2).
5.2. (Исключен, Изм. N 2).
5.3. Наливные люки контейнеров, а также горловины бочек уплотняют резиновыми прокладками, изготовленными из кислотощелочестойкой резины средней твердости по ГОСТ 7338-77*.
______________
* На территории Российской Федерации действует ГОСТ 7338-90. - Примечание изготовителя базы данных.
(Измененная редакция, Изм. N 2).
5.4. (Исключен, Изм. N 2).
5.5. Контейнеры и бочки перед заполнением должны быть промыты.
Контейнеры и бочки заполняют гидратом окиси калия до полной вместимости с учетом объемного расширения продукта при возможном перепаде температур окружающей среды.
5.6. Твердый гидрат окиси калия упаковывают в чистые сухие стальные барабаны по ГОСТ 5044-79 типа I или III вместимостью 50-180 дм3, исполнения Б, изготовленные из листовой кровельной стали.
Допускается по согласованию с потребителем твердый гидрат окиси калия упаковывать в стальные барабаны по ГОСТ 5044-79 типа II исполнения Б вместимостью 50-180 дм3.
Продукт в виде чешуек допускается упаковывать в стальные барабаны по ГОСТ 5044-79, вместимостью 50-180 дм3, исполнения Б или В с полиэтиленовыми вкладышами толщиной 0,1 мм или в полиэтиленовые мешки по ГОСТ 17811-78 типа 10-0,230. Мешки-вкладыши и полиэтиленовые мешки заваривают или по согласованию с потребителем завязывают химически стойким шпагатом с перегибом горловины на 180°.
Температура продукта при упаковке в барабаны с полиэтиленовыми вкладышами или в полиэтиленовые мешки не должна быть выше 50 °С.
При поставках твердого продукта на длительное хранение наружную поверхность барабанов окрашивают щелочеводостойким лаком.
5.7. На боковой поверхности контейнеров с обеих сторон должна быть нанесена предупредительная надпись "Едкая жидкость".
5.5-5.7. (Измененная редакция, Изм. N 2).
5.8. Транспортная маркировка - по ГОСТ 14192-77* с нанесением на ярлык N 1 манипуляционного знака "Боится сырости" и знаков опасности по ГОСТ 19433-88, класс 8, классификационный шифр 8212.
________________
* На территории Российской Федерации действует ГОСТ 14192-96. Здесь и далее по тексту. - Примечание изготовителя базы данных.
Кроме того, на каждую упаковочную единицу при помощи трафарета несмываемой краской наносится маркировка, содержащая следующие данные:
полное или условное наименование предприятия-изготовителя и его товарный знак;
наименование продукта, его марку и сорт;
номер партии и дату изготовления;
наименование настоящего стандарта.
При перевозке гидрата окиси железа железнодорожным и автомобильным транспортом допускается наносить маркировочные надписи на бумажные ярлыки с типографским оттиском, прочно наклеенные на транспортную тару и покрытые прозрачным лаком или липкой лентой.
5.9. При перевозке продукта транспортными пакетами на каждый из них наносят маркировку по ГОСТ 14192-77.
5.8, 5.9. (Измененная редакция, Изм. N 1, 2).
5.10. (Исключен, Изм. N 1).
5.11. Гидрат окиси калия транспортируют железнодорожным, водным и автомобильным транспортом в соответствии с правилами перевозок грузов, действующими на данном виде транспорта.
Продукт, упакованный в бочки, барабаны и мешки, транспортируют железнодорожным и водным транспортом в крытых транспортных средствах. При этом бочки и барабаны транспортируют загрузочными люками вверх.
Железнодорожным транспортом гидрат окиси калия перевозят в бочках повагонно, в мешках повагонно, в барабанах повагонно и мелкими отправками или наливом в железнодорожных цистернах, в соответствии с правилами перевозок грузов, действующими на железнодорожном транспорте.
Цистерны заполняют гидратом окиси калия до полной вместимости с учетом объемного расширения продукта при возможном перепаде температур в пути следования.
Гидрат окиси калия, упакованный в стальные контейнеры, транспортируют только автомобильным транспортом.
Гидрат окиси калия, упакованный в мешки, бочки и барабаны вместимостью до 100 дм3 включительно, транспортируют в пакетированном виде в соответствии с требованиями ГОСТ 26663-85, ГОСТ 21929-76, ГОСТ 24597-81, ГОСТ 21650-76, ГОСТ 21140-88, на поддонах по ГОСТ 9557-87.
5.12. Раствор гидрата окиси калия хранят в специальных стальных герметичных емкостях. Барабаны с твердым продуктом хранят в крытых неотапливаемых складских помещениях или под навесом.
5.11, 5.12. (Измененная редакция, Изм. N 2).
6. ГАРАНТИИ ИЗГОТОВИТЕЛЯ
6.1. Изготовитель гарантирует соответствие продукта требованиям настоящего стандарта при соблюдении условий транспортирования и хранения.
(Измененная редакция, Изм. N 1, 2).
6.2. Гарантийный срок хранения гидрата окиси калия - три года со дня изготовления.
(Измененная редакция, Изм. N 1).
официальное издание
М.: Издательство стандартов, 1992