Новости Нефтегазовая пром.
Выставки Наука и технология


Натрия триполифосфат ГОСТ 13493-86

Натрия триполифосфат. Технические условия (с Изменениями N 1, 2, 3) ГОСТ 13493-86


ГОСТ 13493-86

Группа Л14

     
     
МЕЖГОСУДАРСТВЕННЫЙ СТАНДАРТ

НАТРИЯ ТРИПОЛИФОСФАТ 

Технические условия

Sodium tripolyphosphate. Specifications



ОКП 21 4831

Дата введения 1987-01-01

     
     
ИНФОРМАЦИОННЫЕ ДАННЫЕ

1. РАЗРАБОТАН И ВНЕСЕН Министерством по производству минеральных удобрений 

РАЗРАБОТЧИКИ

Т.А.Оралов, Ф.Б.Юдаева, Л.И.Горобец, А.Ф.Гафарова, Л.А.Елышева, В.А.Гармаш

2. УТВЕРЖДЕН И ВВЕДЕН В ДЕЙСТВИЕ Постановлением Государственного комитета СССР по стандартам от 08.05.86 N 1187

3. ВЗАМЕН ГОСТ 13493-77

4. Стандарт полностью соответствует международным стандартам ИСО 850-76, ИСО 851-76, ИСО 852-76, ИСО 2996-74, ИСО 3000-74

5. ССЫЛОЧНЫЕ НОРМАТИВНО-ТЕХНИЧЕСКИЕ ДОКУМЕНТЫ

Обозначение НТД, на который дана ссылка

Номер пункта, подпункта

ГОСТ 12.4.013-85

2.4

ГОСТ 12.4.041-89

2.4

ГОСТ 12.4.103-83

2.4

ГОСТ 61-75

4.5.2; 4.12.2

ГОСТ 199-78

4.5.2

ГОСТ 1027-67

4.12.2; 4.13.2

ГОСТ 1277-75

4.13.2

ГОСТ 1770-74

4.2.5

ГОСТ 2226-88

5.1; 5.6

ГОСТ 2603-79

4.5.2

ГОСТ 3118-77

4.4.1.2; 4.4.2.2; 4.5.2; 4.8.2; 4.12.2; 4.13.2

ГОСТ 3760-79

4.4.2.2; 4.8.2

ГОСТ 3765-78

4.4.2.2

ГОСТ 4198-75

4.4.2.2

ГОСТ 4204-77

4.13.2

ГОСТ 4212-76

4.12.2

ГОСТ 4232-74

4.13.2

ГОСТ 4328-77

4.4.1.2; 4.12.2; 4.13.2

ГОСТ 4461-77

4.4.2.2

ГОСТ 4517-87

4.4.1.2; 4.13.2

ГОСТ 4525-77

4.5.2

ГОСТ 4919.1-77

4.9.2

ГОСТ 5845-79

4.12.2

ГОСТ 6259-75

4.6.2

ГОСТ 6613-86

1.3; 4.2.4; 4.6.3; 4.15

ГОСТ 6709-72-->ГОСТ 6709-72

4.4.1.2; 4.4.2.2; 4.5.2; 4.6.2; 4.8.2; 4.9.2; 4.12.2; 4.13.2

ГОСТ 6824-96

4.6.2

ГОСТ 8864-71

4.13.2

ГОСТ 9147-80

4.2.5

ГОСТ 9336-75

4.4.2.2

ГОСТ 10354-82

5.1

ГОСТ 13841-95

5.2

ГОСТ 14192-96

5.4

ГОСТ 15846-79

5.6

ГОСТ 17339-79

5.1

ГОСТ 17811-78

5.1

ГОСТ 18300-87

4.5.2; 4.8.2

ГОСТ 21560.0-82

4.1.1

ГОСТ 22567.12-82

4.16

ГОСТ 24024.1-80

4.15

ГОСТ 24024.4-80

4.17

ГОСТ 24024.5-80

4.14

ГОСТ 24024.8-81

4.4.2.5

ГОСТ 24024.10-81

4.13.5

ГОСТ 24024.11-81

4.8.6

ГОСТ 24104-88

4.2.1

ГОСТ 25336-82

4.2.5; 4.9.2

ГОСТ 25951-83

5.2

ГОСТ 28498-90

4.2.6

6. Ограничение срока действия снято по протоколу N 7-95 Межгосударственного Совета по стандартизации, метрологии и сертификации (ИУС 11-95)

7. ПЕРЕИЗДАНИЕ (январь 1999 г.) с Изменениями N 1, 2, 3, утвержденными в апреле 1987 г., декабре 1988 г., декабре 1990 г. (ИУС 7-87, 4-89, 5-91)

Настоящий стандарт распространяется на порошкообразный триполифосфат натрия, являющийся продуктом переработки термической ортофосфорной кислоты.

Настоящий стандарт устанавливает требования к порошкообразному триполифосфату натрия, изготовляемому для нужд народного хозяйства и экспорта.

Триполифосфат натрия является малогигроскопичным продуктом и предназначается для приготовления моющих средств, обработки воды, используемой для питания котлов, в мясной и молочной промышленности, розничной торговли и других целей.

Требования пунктов 11 и 12 таблицы являются рекомендуемыми, другие требования настоящего стандарта являются обязательными.

Формула: Na5P3O10

Молекулярная масса (по международным атомным массам 1985 г.) - 367,86.

(Измененная редакция, Изм. N 2, 3).

1. ТЕХНИЧЕСКИЕ ТРЕБОВАНИЯ

1.1. Триполифосфат натрия должен быть изготовлен в соответствии с требованиями настоящего стандарта по технологическому регламенту, утвержденному в установленном порядке.

1.2. Триполифосфат натрия выпускают технический и пищевой.

1.3. По физико-химическим показателям триполифосфат натрия должен соответствовать нормам, указанным в таблице.

Наименование показателя

Норма для марки

пищевой
ОКП 21 4831 0400

Технический 
ОКП 21 4831 0100

высший сорт 
ОКП 21 4831 0120

первый сорт 
ОКП 21 4831 0130

1. Внешний вид

Рассыпающийся порошок белого цвета

2. Массовая доля общей пятиокиси фосфора (P2O5), %, не менее

57,0

57,0

56,5

3. Массовая доля триполифосфата натрия (Na5P3O10), %, не менее

94

94

92

4. Массовая доля первой формы триполифосфата натрия, %, не более

10

10

10

5. Массовая доля железа (Fe), %, не более

0,01

0,01

0,02

6. Массовая доля нерастворимых в воде веществ, %, не более

0,10

0,10

0,13

7. pH 1%-ного водного раствора

9,7±0,3

9,7±0,3

9,7±0,3

8. Массовая доля тяжелых металлов, осаждаемых сероводородом (Pb), %, не более

0,002

Не нормируется

9. Массовая доля мышьяка (As), %, не более

0,004

То же

10. Гранулометрический состав, %

проходит через сито по ГОСТ 6613 с размерами стороны ячейки в свету 0,25 мм, %, не менее

97

97

97

11. Степень белизны, %, не менее

80

80 

80

12. Сыпучесть, %, не менее

30

30

30


Примечания:

1. Технический триполифосфат натрия первого сорта, предназначенный для горнорудной промышленности, допускается изготовлять с массовой долей общей пятиокиси фосфора (P2O5) не менее 53,5% и мышьяка - не более 0,01%.

2. Показатели "сыпучесть" и "степень белизны" не нормируются. Определение обязательно для набора статистических данных.

3. Показатели "массовая доля железа" и "массовая доля нерастворимых в воде веществ" гарантируются.

(Измененная редакция, Изм. N 3).

2. ТРЕБОВАНИЯ БЕЗОПАСНОСТИ

2.1. Триполифосфат натрия не токсичен, пожаро- и взрывобезопасен.

2.2. Вдыхание пыли триполифосфата натрия может вызвать раздражение слизистых оболочек и дыхательных путей.

2.3. Производственные помещения, в которых проводят работы с триполифосфатом натрия, должны быть оборудованы приточно-вытяжной вентиляцией.

2.4. Все работы с триполифосфатом натрия проводят в специальной одежде по ГОСТ 12.4.103, а также в индивидуальных средствах защиты органов дыхания (фильтрующие респираторы по ГОСТ 12.4.041*), глаз (защитные очки по ГОСТ 12.4.013**) и кожных покровов.

_________________

* На территории Российской Федерации действует ГОСТ 12.4.041-2001. - Примечание изготовителя базы данных.

** На территории Российской Федерации действует ГОСТ Р 12.4.013-97.

3. ПРАВИЛА ПРИЕМКИ

3.1. Триполифосфат натрия принимают партиями. Партией считают количество продукта, однородного по своим качественным показателям, сопровождаемого одним документом о качестве. Масса партии должна быть не более 70 т.

Документ о качестве должен содержать:

наименование предприятия-изготовителя и его товарный знак;

наименование продукта, марку, сорт;

номер партии и дату изготовления;

массу брутто и нетто;

результаты проведенных анализов или подтверждение соответствия качества продукта требованиям настоящего стандарта;

обозначение настоящего стандарта.

3.2. Для контроля качества триполифосфата натрия пробы отбирают от каждого пятого контейнера или каждого вагона-цистерны от 1% упаковочных единиц и 3% единиц транспортной тары для розничной торговли, но не менее чем от трех единиц при малых партиях.

Для контроля качества триполифосфата натрия у изготовителя делают выборку из трубопровода пневмотранспорта при наполнении расходного бункера в количестве не менее 1 кг от 5 т продукта.

У потребителя пробы отбирают от 3% упаковочных единиц, но не менее трех упаковочных единиц при малых партиях.

3.1, 3.2. (Измененная редакция, Изм. N 2).

3.3. При получении неудовлетворительных результатов анализа хотя бы по одному из показателей проводят повторный анализ на удвоенной выборке. Результаты повторного анализа распространяются на всю партию.

4. МЕТОДЫ АНАЛИЗА

4.1. Отбор проб

4.1.1. Пробы продукта отбирают по ГОСТ 21560.0. 

Масса точечной пробы должна быть не менее 0,2 кг.

4.1.2. Отобранные пробы соединяют, тщательно перемешивают и сокращают квартованием до получения объединенной пробы массой не менее 0,5 кг.

Объединенную пробу помещают в чистую сухую банку и плотно закрывают. На банку наклеивают этикетку с указанием наименования и назначения продукта, номера пробы, даты отбора пробы.

4.1.1, 4.1.2. (Измененная редакция, Изм. N 2).

4.2. Общие требования

4.2.1. При проведении анализов и приготовлении растворов используют лабораторные весы общего назначения 2-го класса точности с наибольшим пределом взвешивания 200 г, а также лабораторные весы общего назначения 4-го класса точности с наибольшим пределом взвешивания 500 г по ГОСТ 24104*.
______________
* На территории Российской Федерации действует ГОСТ 24104-2001. - Примечание изготовителя базы данных.

Допускается применение других весов с аналогичными метрологическими характеристиками.

4.2.2. Для проведения колориметрических измерений оптических плотностей растворов в диапазоне длин волн 300-1000 нм используют фотоэлектрические лабораторные колориметры типа КФК-2 по НТД, спектрофотометры типа СФ-4А. Допускается применение других приборов с аналогичными метрологическими характеристиками.

(Измененная редакция, Изм. N 1).

4.2.3. Для проведения потенциометрических измерений используют лабораторные рН-метры с погрешностью измерения не более 0,05 pH.

4.2.4. При выполнении анализов используют лабораторное оборудование:

набор сит по ГОСТ 6613;

секундомер механический типа СОпр-2а-3 или другого типа;

шкаф сушильный электрический круглый типа 2В-151 или другого типа;

баню водяную лабораторную типа БВ-6;

плитку электрическую закрытого типа. 

(Измененная редакция, Изм. N 1, 2).

4.2.5. Для проведения анализов используют мерную химическую посуду не ниже 2-го класса точности:

бюретки исполнений 1-5 вместимостью 10, 25, 50 см3;

колбы мерные исполнений 1, 2 по ГОСТ 1770 вместимостью 50, 100, 250, 500, 1000, 2000 см3;

мензурки по ГОСТ 1770;

пипетки исполнений 1-7 по ГОСТ 1770 вместимостью 1, 2, 5, 10, 20, 25 и 50 см3;

цилиндры исполнений 1, 3 по ГОСТ 1770 вместимостью 25, 50, 100, 500, 1000 см3.

Кроме того, используют лабораторные стеклянные посуду и оборудование:

воронки типа В по ГОСТ 25336;

воронки для фильтрования типа ВФ исполнения 1 ПОР 100 по ГОСТ 25336;

колбы конические типа КН исполнения 2 по ГОСТ 25336 вместимостью 100, 250, 500, 1000, 2000 см3;

колбы с тубусом (для фильтрования под вакуумом) типа 1-1000 или 1-2000 по ГОСТ 25336;

склянки для промывания газов типа СН 1-200 по ГОСТ 25336 или аналогичные;

стаканчики для взвешивания типа СВ по ГОСТ 25336;

стаканы типа Н или В по ГОСТ 25336 вместимостью 50, 100, 150, 250, 400, 600, 1000, 2000 см3;

тигли фильтрующие типа ТФ-32-ПОР16 ХС или ТФ-40-ПОР16 ХС по ГОСТ 25336;

холодильники типа ХМ-1-100-14/23 по ГОСТ 25336;

эксикаторы 2-230 по ГОСТ 25336;

посуда фарфоровая, тигли, чашки выпарные по ГОСТ 9147;

насос водоструйный по ГОСТ 25336. 

(Измененная редакция, Изм. N 2).

4.2.6. Для измерения температуры от 0 до 50 °С используют термометры с ценой деления 0,1 и 1 °С, для измерения температуры от 0 до 250 °С по ГОСТ 28498. 

(Измененная редакция, Изм. N 3).

4.2.7. При определении нормируемых показателей допускается применять другие методы, обеспечивающие достаточную точность, экспрессность анализа. При разногласиях анализ проводят методами, указанными к настоящем стандарте.

4.3. Определение внешнего вида триполифосфата натрия 

Внешний вид триполифосфата натрия определяют визуально.

4.4. Определение массовой доли общей пятиокиси фосфора 

4.4.1. Потенциометрический метод

4.4.1.1. Сущность метода

Метод основан на потенциометрическом титровании от pH 4,4 до 9,0 мононатрийфосфата, полученного после гидролиза триполифосфата натрия в среде соляной кислоты.

4.4.1.2. Реактивы и растворы

Вода дистиллированная по ГОСТ 6709.

кислота соляная по ГОСТ 3118, ч.д.а., плотностью 1,19 г/см3 и раствор c(НСl)=0,5 моль/дм3.

Натрия гидроокись по ГОСТ 4328, раствор с массовой долей гидроокиси натрия 10% и раствор c(NaOH)=0,5 моль/дм3 (0,5 н. раствор), свободный от карбонатов, приготовленный по ГОСТ 4517.

Метиловый оранжевый (индикатор), водный раствор с массовой долей метилового оранжевого 0,1%.

4.4.1.1, 4.4.1.2. (Измененная редакция, Изм. N 2).

4.4.1.3. Подготовка к анализу

Для подготовки к испытанию проводят проверку измерительной цепи pH-метра со стеклянным электродом в соответствии с прилагаемой к прибору инструкцией с применением буферных растворов.

4.4.1.4. Проведение анализа

2 г триполифосфата натрия взвешивают, результат взвешивания в граммах записывают до четвертого десятичного знака. Навеску помещают в стакан вместимостью 400 см3, прибавляют 100 см3 воды, 5 см3 соляной кислоты, накрывают стакан фарфоровой чашкой и кипятят раствор в течение 30 мин. Затем прибавляют 1-2 капли метилового оранжевого и, помешивая стеклянной палочкой, прибавляют по каплям 10%-ный раствор гидроокиси натрия до перехода розовой окраски раствора в оранжевую. Обмывают палочку водой, раствор кипятят 5 мин, охлаждают и доводят объем раствора водой приблизительно до 200 см3. После этого стакан ставят на магнитную мешалку, помещают электроды pH-метра и при постоянном помешивании доводят pH раствора точно до 4,4 раствором c(NaOH)=0,5 моль/дм3 или раствором соляной кислоты c(НСl)=0,5 моль/дм3. Затем титруют мононатрий фосфат от pH 4,4 до 9,0 раствором c(NaOH)=0,5 моль/дм3.

4.4.1.5. Обработка результатов

Массовую долю общей пятиокиси фосфора (P2O5) (X) в процентах вычисляют по формуле где - объем точно c(NaOH)=0,5 моль/дм3 раствора, израсходованный на титрование пробы от pH 4,4 до 9,0 см3;

0,0355 - масса пятиокиси фосфора, соответствующая 1 см3 точно c(NaOH)=0,5 моль/дм3 раствора, г;

m - масса навески, г.

За результат анализа принимают среднее арифметическое результатов двух параллельных определений, допускаемые расхождения между которыми не должны превышать 0,3% при доверительной вероятности P=0,95.

4.4.1.4, 4.4.1.5. (Измененная редакция, Изм. N 2).

4.4.2. Фотоколориметрический метод

4.4.2.1. Сущность метода

Метод основан на гидролизе пробы триполифосфата натрия и фотометрическом определении общего содержания фосфатов в виде фосфорнованадиевомолибденового комплексного соединения. Оптическую плотность измеряют относительно раствора сравнения, содержащего известное количество пятиокиси фосфора.

4.4.2.2. Реактивы и растворы

аммиак водный по ГОСТ 3760, раствор 1:1. 

Кислота азотная по ГОСТ 4461 плотностью 1,36 г/см3 и раствор 1:3.

кислота соляная по ГОСТ 3118 плотностью 1,19 г/см3.

Аммоний молибденовокислый по ГОСТ 3765.

Аммоний ванадиевокислый мета по ГОСТ 9336.

калий фосфорнокислый однозамещенный по ГОСТ 4198, х.ч., высушенный при (100±5) °С.

Вода дистиллированная по ГОСТ 6709.

Молибденовованадиевый реактив готовят следующим образом:

50 г молибденовокислого аммония взвешивают и результат взвешивания в граммах записывают до первого десятичного знака. Навеску растворяют в 500 см3 воды, нагретой до 50-60 °С, охлаждают и фильтруют - раствор А;

1,5 г ванадиевокислого аммония взвешивают и результат взвешивания в граммах записывают до второго десятичного знака. Навеску растворяют в 250 см3 воды, нагретой до 50-60 °С (если раствор желтеет, добавляют несколько капель аммиака), раствор фильтруют, охлаждают и прибавляют 250 см3 раствора азотной кислоты (1:3) - раствор Б.

Раствор А вливают, перемешивая, в раствор Б, после чего добавляют в раствор 350 см3 азотной кислоты плотностью 1,36 г/см3 и перемешивают. Реактив устойчив в течение длительного времени.

Раствор сравнения, 1 см3 которого соответствует 0,25 мг пятиокиси фосфора, готовят следующим образом: 0,4790 г однозамещенного фосфорнокислого калия взвешивают и результат взвешивания в граммах записывают до четвертого десятичного знака. Навеску переносят в мерную колбу вместимостью 1000 см3, растворяют в воде, объем раствора доводят до метки водой и перемешивают.

4.4.2.3. Построение градуировочного графика

Готовят серию образцов для градуировки. Для этого в мерные колбы вместимостью 100 смкаждая с помощью бюретки вносят 20, 24, 28, 32, 36, 40 см3 раствора сравнения, что соответствует 5, 6, 7, 8, 9, 10 мг P2O5.

В каждую колбу прибавляют приблизительно до 70 см3 воды и 25 сммолибденовованадиевого реактива, доводят объем растворов до метки водой, перемешивают и через 20-30 мин измеряют оптическую плотность образцов относительно раствора сравнения, содержащего 5 мг пятиокиси фосфора и 25 см3 молибденовованадиевого реактива.

Измерение проводят в кюветах с толщиной поглощающего свет слоя 10 мм.

При работе на фотоэлектроколориметре типа КФК-2 измерения проводят при длине волны 440 нм, при работе на спектрофотометре - при длине волны 450 нм.

По полученным значениям оптических плотностей строят градуировочный график, откладывая по оси абсцисс содержащиеся в образцах для градуировки массы пятиокиси фосфора в миллиграммах, по оси ординат - соответствующие им значения оптических плотностей.

Градуировочный график проверяют ежедневно по трем основным точкам.

4.4.2.4. Проведение анализа

0,3 г триполифосфата натрия взвешивают и результат взвешивания в граммах записывают до четвертого десятичного знака. Навеску помещают в стакан вместимостью 250 см3, прибавляют 100 см3 воды и 5 см3 соляной кислоты.

Раствор кипятят в течение 30 мин, охлаждают и количественно переносят в мерную колбу вместимостью 250 см3, доводят объем раствора водой до метки и перемешивают. Если раствор мутный, его фильтруют. 10 см3 полученного раствора помещают в мерную колбу вместимостью 100 см3, прибавляют примерно до 70 см3 воды и 25 см3 молибденовованадиевого реактива. Затем доводят объем раствора водой до метки, перемешивают и через 20-30 мин измеряют оптическую плотность раствора так, как описано в п.4.4.2.3, по отношению к раствору сравнения, приготовленному одновременно с анализируемой пробой.

Массу пятиокиси фосфора в миллиграммах в аликвотной части раствора находят по градуировочному графику.

(Измененная редакция, Изм. N 2).

4.4.2.5. Обработка результатов 

Массовую долю общей пятиокиси фосфора (P2O5) (X1) в процентах вычисляют по формуле где m1 - масса пятиокиси фосфора в аликвотной части раствора, найденная по градуировочному графику, мг;
m - масса навески, г.

За результат анализа принимают среднее арифметическое результатов двух параллельных определений, допускаемые расхождения между которыми не должны превышать 0,5% при доверительной вероятности P=0,95.

При разногласиях в оценке массовой доли пятиокиси фосфора анализ проводят по ГОСТ 24024.8.

4.5. Определение массовой доли триполифосфата натрия

4.5.1. Сущность метода

Метод основан на весовом определении триполифосфата натрия с применением для его осаждения хлористого триэтилендиаминкобальта.

4.5.2. Реактивы и растворы

Вода дистиллированная по ГОСТ 6709.

кислота соляная по ГОСТ 3118 плотностью 1,19 г/см3 и раствор c(НСl)=0,5 моль/дм3 (0,5 н. раствор).

Кислота уксусная по ГОСТ 61.

Натрий уксуснокислый по ГОСТ 199.

Спирт этиловый ректификованный технический по ГОСТ 18300.

кобальт хлористый по ГОСТ 4525.

Этилендиамин, основание, раствор с массовой долей этилендиамина 70%.

Триэтилендиаминкобальт хлористый [Со (NH2-CH2-CH2-NH2)3]·Cl3·3H2O готовят следующим образом: 261,0 г этилендиамина взвешивают и результат взвешивания в граммах записывают с точностью до первого десятичного знака, навеску помещают в стакан вместимостью 1000 см3 и растворяют в смеси, состоящей из 85 см3 соляной кислоты плотностью 1,19 г/см3 и 535 см3 воды.

В колбе вместимостью 2000 см3 растворяют 250 г хлористого кобальта в 750 см3 воды, вливают, энергично перемешивая, в раствор хлористого кобальта раствор этилендиамина. Через газораспределительную трубку, помещенную в раствор на глубину 1-2 см от дна колбы, пропускают воздух в течение 8 ч при комнатной температуре. Содержимое колбы переносят в стакан вместимостью 2000 см3 и упаривают на водяной бане, пропуская над раствором поток воздуха до образования на поверхности тонкой корочки кристаллов (обычно это происходит при уменьшении объема в 2-2,5 раза). Раствор охлаждают, тщательно перемешивая, добавляют 150 см3 соляной кислоты плотностью 1,19 г/см3 и нагревают до полного растворения выпавших кристаллов.

Высаливают хлористый триэтилендиаминкобальт медленным прибавлением 300 см3 спирта в течение 1 ч. Раствор охлаждают, кристаллы отфильтровывают через фильтрующую воронку типа ВФ ПОР100 под вакуумом, создавая разряжение при помощи водоструйного насоса, промывают четыре раза спиртом по 100-150 см3, перемешивая каждый раз кристаллы и отсасывая промывную жидкость. Кристаллы помещают в фарфоровую чашку и на водяной бане выпаривают остаток спирта.

Полученный продукт растворяют в 350 см3 кипящей воды и снова высаливают 300 смспирта в течение 1 ч. Охлаждают, отфильтровывают кристаллы через стеклянную фильтрующую воронку типа ВФ ПОР100 и промывают спиртом до тех пор, пока фильтрат не будет бесцветным. Кристаллы тонким слоем распределяют в чашках для выпаривания и сушат сначала на воздухе не менее 12 ч, а затем в течение 3-4 ч в сушильном шкафу при температуре (105±3) °С.

Масса полученного препарата - около 300 г.

Препарат хранят в герметично закрытой банке и перед использованием сушат в сушильном шкафу в течение 1 ч при температуре (105±3) °С.

60 г препарата взвешивают, результат взвешивания в граммах записывают до второго десятичного знака, растворяют в воде и объем раствора доводят до 1000 см3.

Буферный раствор с pH 3,6 готовят следующим образом: 12,3 г уксуснокислого натрия растворяют в воде, добавляют 80 см3 уксусной кислоты и доводят водой объем раствора до 1000 см3. pH раствора проверяют на pH-метре и корректируют добавлением одного из указанных реактивов.

Ацетон по ГОСТ 2603.

Бромкрезоловый зеленый (индикатор), раствор с массовой долей реактива 0,2%; готовят следующим образом: 0,2 г индикатора растворяют в 6 см3 раствора  c(NaOH)=0,1 моль/дм3 и 5 см3 этилового спирта, разбавляют водой до 100 см3.

(Измененная редакция, Изм. N 2, 3).

4.5.3. Проведение анализа

2,5 г триполифосфата натрия взвешивают, результат взвешивания в граммах записывают до четвертого десятичного знака, переносят в мерную колбу вместимостью 250 см3, растворяют в воде, доводят объем раствора водой до метки и перемешивают (раствор 1). Фильтруют через сухой бумажный фильтр ("синяя лента") в сухую колбу, отбрасывая первые порции фильтрата. 50 см3 полученного фильтрата пипеткой переносят в стакан вместимостью 250 см3 и добавляют раствор c(НСl)=0,5 моль/дм3 до pH 3,6 (проверяют на pH-метре), перемешивая на магнитной мешалке. Добавляют 10 см3 буферного раствора и приливают по каплям 12 см3 раствора триэтилендиаминкобальта.

После добавления всего количества реактива раствор перемешивают в течение 15 мин. Полученный осадок фильтруют через высушенный до постоянной массы фильтрующий тигель типа ТФ ПОР16, промывают небольшими порциями воды, подкисленной до pH 3,6, сушат в сушильном шкафу при температуре (105±3) °С до постоянной массы, охлаждают в эксикаторе и взвешивают.

(Измененная редакция, Изм. N 2).

4.5.4. Обработка результатов

Массовую долю триполифосфата натрия (X1) в процентах вычисляют по формуле где m1 - масса высушенного осадка, г;


m - масса навески, г;
 - отношение молекулярной массы безводного триполифосфата натрия (Na5P3O10) к соответствующей массе осадка [Со(NH2CH2-CH2NH2)]·H2P3O10·2H2O.
За результат анализа принимают среднее арифметическое результатов двух параллельных определений, допускаемые расхождения между которыми не должны превышать 0,4% при доверительной вероятности P=0,95.

4.5.5. Допускается определение массовой доли триполифосфата натрия проводить по экспрессной методике.

Для этого 50 см3 фильтрата, полученного в соответствии с п.4.5.3, помещают в стакан вместимостью 250 см3, прибавляют 1-2 капли бромкрезолового зеленого и при постоянном перемешивании на магнитной мешалке прибавляют по каплям раствор c(НСl)=0,5 моль/дм3 до перехода синего цвета раствора в желтый. Затем прибавляют 10 см3 буферного раствора и, не прекращая перемешивания, прибавляют из бюретки медленно, по каплям, 12 см3 раствора хлористого триэтилендиаминкобальта в течение 4-5 мин (скорость приливания реактива регулируют с помощью винтового зажима).

После прибавления всего объема реактива раствор с осадком перемешивают еще в течение 15 мин. Осадок фильтруют через предварительно промытый ацетоном и высушенный в течение 30 мин фильтрующий тигель ПОР 16. Осадок количественно переносят на фильтр минимальным объемом воды, подкисленной уксусной кислотой до pH 3,6. Затем стенки тигля и осадок промывают двумя порциями по 10 см3 ацетона. Тигель с осадком сушат в сушильном шкафу при температуре (100±5) °С в течение 30 мин, охлаждают в эксикаторе и взвешивают.

При разногласиях в оценке массовой доли триполифосфата натрия анализ проводят весовым методом.

(Введен дополнительно, Изм. N 3).

4.6. Определение массовой доли первой формы триполифосфата натрия

4.6.1. Сущность метода

Определение основано на экзотермическом эффекте, возникающем при смешивании триполифосфата натрия с водой в определенных условиях.

4.6.2. Реактивы и аппаратура

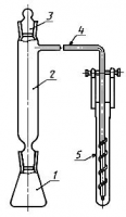
Прибор для определения массовой доли первой формы триполифосфата натрия (черт.1) состоит из стакана 4 с закругленными краями, закрепляемого в крышке стеклянной банки 3, служащей термостатирующим сосудом, вместимостью 1 дм3; термометра 2 со шкалой от 0 до 50 °С и ценой деления 0,1 °С, мешалки 1 из латуни или нержавеющей стали. Стакан, термометр и мешалка должны быть сухими.


Черт.1

глицерин дистиллированный по ГОСТ 6824, сорт динамитный или глицерин по ГОСТ 6259; рассчитанный объем глицерина разбавляют водой до плотности 1,249-1,250 г/см3 при 25 °С.

Вода дистиллированная по ГОСТ 6709.

4.6.3. Подготовка к анализу 

150-200 г триполифосфата натрия, растертые в ступке и пропущенные через сито N 014 по ГОСТ 6613, а также глицерин, дистиллированную воду, мерный цилиндр вместимостью 25 см3 и прибор выдерживают при температуре (25±1) °С.

4.6.2, 4.6.3. (Измененная редакция, Изм. N 2).

4.6.4. Проведение анализа

50 г глицерина взвешивают в химическом стакане, результат взвешивания в граммах записывают до второго десятичного знака. 50 г триполифосфата натрия, полученного в соответствии с п.4.6.3, взвешивают, результат взвешивания в граммах записывают с точностью до второго десятичного знака.

Триполифосфат помещают в стакан прибора и закрепляют его в крышке термостатирующего сосуда 3. Пускают в ход секундомер (начало анализа) и начинают перемешивать смесь.

Сначала мешалку опускают до дна и в течение 30 с смесь перемешивают кругообразными движениями, стремясь получить однородную пасту. Следующие 90 с смесь перемешивают в вертикальном направлении со скоростью около 240 полных движений (движение вверх и вниз) в минуту. Масса должна быть тщательно перемешана во всем объеме.

Через 2 мин после начала анализа перемешивание прекращают, устанавливают термометр, укрепленный на штативе, в центре стакана на расстоянии 1 см от его дна и наблюдают за изменением температуры. Через 4 мин 45 с после начала анализа отмечают температуру (T1). Через 5 мин после начала анализа в смесь быстро вливают 25 см3 воды и вновь начинают перемешивание в вертикальном направлении сначала со скоростью около 90 движений в минуту в течение 5 с, а затем со скоростью около 240 движений в минуту в течение 30 с. Смесь перемешивают от дна стакана до поверхности так, чтобы верхнее кольцо мешалки не выходило из пасты.

Через 5 мин 35 с после начала анализа прекращают перемешивание и наблюдают повышение температуры. В тот момент, когда температура достигнет максимума, а затем снова понизится на 0,1 °С, отмечают максимальную температуру (T2). Если по истечении 15 мин после начала анализа температура не будет понижаться, за T2 принимают температуру, установленную через 15 мин после начала анализа.

Положение прибора после прекращения перемешивания должно сохраняться без изменения. По окончании анализа термометр вынимают и осматривают содержимое стакана для проверки полноты и равномерности перемешивания смеси.

4.6.5. Обработка результатов

Массовую долю первой формы триполифосфата натрия (X2) в процентах вычисляют по эмпирической формуле где T1 - начальная температура смеси, °С;


T2 - максимальная температура смеси, °С;

4 и 6 - эмпирические величины.

За результат анализа принимают среднее арифметическое результатов двух параллельных определений, расхождение между которыми не должно превышать 2% при доверительной вероятности P=0,95.

4.6.4, 4.6.5. (Измененная редакция, Изм. N 1).

4.7. (Исключен, Изм. N 3).

4.8. Определение массовой доли железа с ортофенантролином 

(Измененная редакция, Изм. N 3).

4.8.1. Сущность метода

Метод основан на фотометрическом определении железа с ортофенантролином при pH 4-5, предварительно восстановленного аскорбиновой кислотой.

4.8.2. Реактивы и растворы

Вода дистиллированная по ГОСТ 6709.

аммиак водный по ГОСТ 3760, раствор 1:1.

кислота соляная по ГОСТ 3118, раствор 1:1.

Кислота аскорбиновая, раствор с массовой долей аскорбиновой кислоты 5%, раствор годен в течение 14 сут.

Ортофенантролин, раствор с массовой долей ортофенантролина 0,5%; готовят следующим образом: 0,5 г реактива взвешивают с погрешностью не более 0,001 г, навеску растворяют в 10 см3 этилового спирта и доводят объем раствора водой до 100 см3.

"Конго" красный.

Бумага индикаторная "конго"; готовят следующим образом: 0,1 г индикатора взвешивают с погрешностью не более 0,001 г, навеску растворяют в 100 см3 воды, в раствор погружают на 20-30 мин полоски фильтровальной бумаги "синяя лента", затем бумагу сушат на воздухе, режут на мелкие кусочки и хранят в бюксе.

Спирт этиловый ректификованный технический по ГОСТ 18300.

Железо (III) окись.

Стандартный раствор железа, 1 см3 которого содержит 0,01 мг железа, готовят следующим образом: 0,7140 г железа (III) окиси помещают в стакан вместимостью 250 см3 и растворяют в 50 см3 соляной кислоты 1:1 при нагревании. Раствор после охлаждения количественно переносят в мерную колбу вместимостью 500 см3, доводят до метки водой, перемешивают. 5 см3 полученного раствора помещают в мерную колбу вместимостью 500 см3, прибавляют 10 см3 соляной кислоты 1:1, доводят до метки водой, перемешивают.

4.8.3. Подготовка к анализу

Для построения градуировочного графика готовят серию образцов для градуирования. С этой целью в мерные колбы вместимостью 50 см3 помещают 1, 2, 4, 6, 8, 10 и 12 смстандартного раствора, что соответствует 0,01, 0,02, 0,04, 0,06, 0,08, 0,10 и 0,12 мг железа. Объем растворов в колбах доводят водой приблизительно до 20 см3, прибавляют 1 смраствора соляной кислоты 1:1, 2 см3 аскорбиновой кислоты, перемешивают, прибавляют 2 смортофенантролина, помещают кусочек бумаги "конго" и при тщательном перемешивании прибавляют по каплям раствор аммиака 1:1 до перехода синего цвета бумаги в красный. Доводят объем растворов водой до метки и перемешивают.

Одновременно готовят контрольный раствор.

Через 10 мин измеряют оптическую плотность образцовых растворов на фотоколориметре относительно контрольного раствора при длине волны (540±10) нм в кюветах с толщиной поглощающего свет слоя 20 мм.

4.8.4. Проведение анализа

5 г продукта взвешивают с погрешностью не более 0,01 г, навеску помещают в стакан вместимостью 250 см3, прибавляют 50 см3 воды, 10 см3 соляной кислоты плотностью 1,18 г/см3, накрывают стакан фарфоровой чашкой и кипятят в течение 15 мин.

После охлаждения раствор переносят в мерную колбу вместимостью 10 см3, доводят объем раствора водой до метки и перемешивают. Если раствор мутный, его фильтруют.

10 см3 раствора помещают в мерную колбу вместимостью 50 см3, прибавляют 2 смаскорбиновой кислоты, перемешивают, прибавляют 2 см3 ортофенантролина и далее анализ продолжают, как при подготовке образцов для построения градуировочного графика.

Одновременно готовят контрольный раствор, в который вносят 1 см3 соляной кислоты, используемой для гидролиза пробы, и все реактивы для фотометрического определения железа.

4.8.5. Обработка результатов 

Массовую долю железа (X3) в процентах вычисляют по формуле где m1 - масса железа, найденная по градуировочному графику, мг;


m - масса навески, г.

За результат анализа принимают среднее арифметическое результатов двух параллельных определений, допускаемые расхождения между которыми не должны превышать 0,002% при доверительной вероятности P=0,95.

4.8.6. Допускается определение массовой доли железа проводить по ГОСТ 24024.11.

При разногласиях в оценке массовой доли железа анализ проводят по ГОСТ 24024.11.

4.8.1-4.8.6. (Введены дополнительно, Изм. N 3).

4.9. Определение массовой доли нерастворимых в воде веществ

4.9.1. Сущность метода

Метод основан на растворении пробы в воде при определенных условиях и весовом определении нерастворимых в воде веществ.

4.9.2. Реактивы и растворы 

Вода дистиллированная по ГОСТ 6709.

Фенолфталеин, спиртовой раствор с массовой долей фенолфталеина 1%; готовят по ГОСТ 4919.1.

Тигель фильтрующий типа ТФ ПОР 16 по ГОСТ 25336. 

(Измененная редакция, Изм. N 2).

4.9.3. Проведение анализа

10 г триполифосфата натрия взвешивают и результат взвешивания в граммах записывают до второго десятичного знака. Навеску помещают в стакан вместимостью 400 см3, растворяют в 200 см3 воды и кипятят в течение 10 мин. После охлаждения раствор фильтруют под вакуумом через фильтрующий тигель типа ТФ ПОР 16, который предварительно высушивают при температуре (105±3) °С до постоянной массы и взвешивают. Результат взвешивания в граммах записывают до четвертого десятичного знака. Остаток на фильтре промывают водой до нейтральной реакции промывных вод по фенолфталеину.

Тигель с осадком сушат при температуре (105±3) °С до постоянной массы, охлаждают в эксикаторе и взвешивают. Результат взвешивания в граммах записывают до четвертого десятичного знака.

(Измененная редакция, Изм. N 1, 2).

4.9.4. Обработка результатов

Массовую долю нерастворимых в воде веществ (X4) в процентах вычисляют по формуле где m - масса навески, г;
m1 - масса тигля с осадком, г;

m2 - масса тигля, г.

За результат анализа принимают среднее арифметическое результатов двух параллельных определений, допускаемые расхождения между которыми не должны превышать 0,01% при доверительной вероятности P=0,95.

4.10, 4.11-4.11.4. (Исключены, Изм. N 3).

4.12. Определение массовой доли тяжелых металлов, осаждаемых сероводородом

4.12.1. Сущность метода

Метод основан на фотометрическом измерении величин оптических плотностей растворов, содержащих сульфиды тяжелых металлов, при использовании тиоацетамида, гидролизующегося до сероводорода в щелочной среде:

CH3CSNH2+2H2

OCH3COONH4+

H2S.

4.12.2. Реактивы и растворы

Вода дистиллированная по ГОСТ 6709.

кислота соляная по ГОСТ 3118, раствор 1:1.

Кислота уксусная (ледяная) по ГОСТ 61.

Натрия гидроокись по ГОСТ 4328, раствор с массовой долей гидроокиси натрия 20%.

Калий-Натрий виннокислый 4-водный (сегнетова соль) по ГОСТ 5845, раствор с массовой долей калия-натрия виннокислого 20%.

Тиоацетамид, водный раствор с массовой долей тиоацетамида 2%, профильтрованный через плотный беззольный фильтр, раствор устойчив в течение 3-4 сут.

Свинец уксуснокислый по ГОСТ 1027.

Раствор сравнения, 1 см3 которого содержит 0,01 мг свинца, готовят следующим образом: по ГОСТ 4212 готовят раствор, содержащий в 1 см3 1 мг свинца. Раствор устойчив продолжительное время. Затем 2 см3 этого раствора помещают в мерную колбу вместимостью 200 см3, прибавляют 50-70 см3 воды, 1 см3 уксусной кислоты, доводят объем раствора до метки водой и перемешивают (раствор неустойчив, его готовят перед употреблением).

4.12.3. Построение градуировочного графика

Готовят серию образцов для градуировки. Для этого в мерные колбы вместимостью 50 см3 с помощью бюретки помещают 2,5; 5,0; 7,5; 10,0; 12,5; 15,0; 17,5; 20,0 см3 раствора сравнения, что соответствует 0,025; 0,050; 0,075; 0,100; 0,125; 0,150; 0,175 и 0,200 мг свинца и добавляют до 40 см3 воды. Одновременно в тех же условиях готовят раствор, не содержащий свинца.

В каждую колбу прибавляют 2 см3 сегнетовой соли, 4 см3 гидроокиси натрия, 2 смтиоацетамида. Объемы растворов доводят водой до метки, перемешивают и через 10 мин измеряют оптическую плотность образцов для градуировки на фотоэлектроколориметре при длине волны (440±10) нм в кюветах с толщиной поглощающего свет слоя 50 мм, относительно раствора, содержащего все реактивы, за исключением раствора свинца.

По полученным значениям оптических плотностей строят градуировочный график, откладывая по оси абсцисс содержащиеся в образцах для градуировки массы свинца в миллиграммах, по оси ординат - соответствующие им значения оптических плотностей.

4.12.1-4.12.3. (Измененная редакция, Изм. N 2).

4.12.4. Проведение анализа

15 г триполифосфата натрия взвешивают и результат взвешивания в граммах записывают до второго десятичного знака. Навеску растворяют в 150 см3 воды в мерной колбе вместимостью 250 см3, доводят объем раствора водой до метки и перемешивают. Если раствор мутный, его фильтруют. 25 см3 полученного раствора помещают в мерную колбу вместимостью 50 см3, прибавляют 2 см3 сегнетовой соли и далее проводят анализ, как описано в п.4.12.3.

Оптическую плотность измеряют относительно раствора пробы триполифосфата натрия, приготовленной одновременно с анализируемой пробой и содержащей все реактивы, за исключением раствора тиоацетамида.

Массу свинца в пробе в миллиграммах находят по градуировочному графику.

4.12.5. Обработка результатов

Массовую долю тяжелых металлов (X5) (в пересчете на свинец) в процентах вычисляют по формуле где m - масса навески, г;


m1- масса свинца, найденная по градуировочному графику, мг.

За результат анализа принимают среднее арифметическое результатов двух параллельных определений, допускаемые расхождения между которыми не должны превышать 0,0004% при доверительной вероятности P=0,95.

(Измененная редакция, Изм. N 1).

4.13. Определение массовой доли мышьяка

4.13.1. Сущность метода

Метод основан на восстановлении соединений мышьяка до арсина, взаимодействии арсина с раствором диэтилдитиокарбамата серебра в диметилформамиде и фотометрическом измерении оптической плотности раствора с образовавшимся комплексным соединением при длине волны (540±10) нм.

4.13.2. Реактивы, растворы и аппаратура 

Вода дистиллированная по ГОСТ 6709.

Кислота серная по ГОСТ 4204, раствор с массовой долей серной кислоты 10%. 

кислота соляная по ГОСТ 3118 плотностью 1,19 г/см3.

Олово двухлористое, раствор готовят растворением 40 г двухлористого олова в смеси 25 см3 дистиллированной воды и 75 см3 соляной кислоты.

Калий йодистый по ГОСТ 4232, раствор с массовой долей йодистого калия 15%.

Цинк гранулированный, не содержащий мышьяка.

Натрия гидроокись по ГОСТ 4328, раствор с массовой долей гидроокиси натрия 10%.

Свинец уксуснокислый по ГОСТ 1027, раствор с массовой долей уксуснокислого свинца 5%.

Серебро азотнокислое по ГОСТ 1277, ч.д.а., раствор с массовой долей азотнокислого серебра 1,7%.

l-Эфедрин фармакопейный.

Натрия N, N-диэтилдитиокарбамат по ГОСТ 8864.

Фенолфталеин, спиртовой раствор с массовой долей фенолфталеина 0,1%. 

Бумага, пропитанная раствором уксуснокислого свинца; готовят по ГОСТ 4517. 

Мышьяка трехокись. 

Диметилформамид.

N, N-диэтилдитиокарбамат серебра; готовят следующим образом: 2,25 г N, N-диэтилдитиокарбамата натрия взвешивают (результат взвешивания в граммах записывают до третьего десятичного знака), растворяют в 100 см3 воды, затем медленно при перемешивании прибавляют равный объем азотнокислого серебра, фильтруют через фильтрующий тигель, промывают небольшим объемом воды и высушивают. Хранят в склянке из темного стекла.

Поглотительный раствор готовят следующим образом: 0,25 г N, N-диэтилдитиокарбамата серебра и 0,25 г l-эфедрина взвешивают (результаты взвешивания в граммах записывают до третьего десятичного знака), растворяют в 1000 см3 диметилформамида при интенсивном перемешивании в течение 1 ч, после чего раствор фильтруют через бумажный фильтр в сухую склянку из темного стекла. Раствор пригоден в течение двух недель.

Раствор сравнения, содержащий 0,001 мг мышьяка в 1 см3, готовят следующим образом: взвешивают 0,132 г трехокиси мышьяка (результат взвешивания в граммах записывают до четвертого десятичного знака), навеску растворяют в 10 см3 гидроокиси натрия. Полученный раствор нейтрализуют в присутствии фенолфталеина раствором серной кислоты в мерной колбе вместимостью 1000 см3, добавляют 10 см3 избытка раствора серной кислоты, доводят объем раствора до метки водой и перемешивают.

5 см3 полученного раствора отбирают в мерную колбу вместимостью 500 см3, объем раствора доводят водой до метки и перемешивают (раствор готовят перед употреблением).

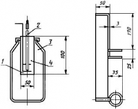
Прибор для определения мышьяка (черт.2) состоит из конической колбы 1 вместимостью 100 см3, в которую вставляется на шлифе фильтрующая насадка 2 для заполнения бумагой, пропитанной уксуснокислым свинцом. Сверху насадка закрывается пришлифованной пробкой 3. Насадка имеет боковой отвод 4, заканчивающийся капилляром и навинченной стеклянной спиралью.


Черт.2



Поглотительный сосуд 5 представляет собой пробирку с расширением вверху и крючками для подвешивания на боковом отводе фильтрующей насадки. Длина узкой части пробирки 10-11 см3, внутренний диаметр - 1 см3, высота расширенной части - 3 см3

(Измененная редакция, Изм. N 2). 

4.13.3. Построение градуировочного графика 

Готовят серию образцов для градуировки, для чего в колбы приборов для отгонки мышьяка вносят 2, 4, 6, 8, 10, 12 и 15 см3 раствора сравнения, что соответствует 0,002; 0,004; 0,006; 0,008; 0,01; 0,012 и 0,015 мг мышьяка.

В каждую колбу прибавляют 10 см3 соляной кислоты, доводят до объема 40 см3 водой, прибавляют 2 см3 раствора йодистого калия и 2 см3 двухлористого олова. Растворы перемешивают и оставляют на 15 мин.

Собирают прибор следующим образом. Фильтрующую насадку заполняют сухой бумагой, пропитанной раствором уксуснокислого свинца. В поглотительный сосуд наливают 5 смраствора N, N-диэтилдитиокарбамата серебра в диметилформамиде, помещают внутрь трубку бокового отвода и подвешивают сосуд к отводу на крючках.

5 г металлического цинка взвешивают (результат взвешивания в граммах записывают до первого десятичного знака), помещают в колбу для отгонки и быстро закрывают насадкой.

Отгонку мышьяка проводят в течение 1 ч, после чего измеряют оптическую плотность поглотительного раствора на фотоэлектроколориметре при длине волны 540 нм в кюветах с толщиной поглощающего свет слоя 10 мм.

Измерения проводят относительно раствора N, N-диэтилдитиокарбамата серебра в диметилформамиде из поглотительного сосуда, полученного в результате отгонки раствора, содержащего все реактивы, за исключением раствора мышьяка.

По полученным значениям оптических плотностей строят градуировочный график, откладывая по оси абсцисс содержащуюся в образцах для градуировки массу мышьяка в миллиграммах, по оси ординат - соответствующие им значения оптической плотности.

(Измененная редакция, Изм. N 1, 2).

4.13.4. Проведение анализа

0,3 г триполифосфата натрия взвешивают и результат взвешивания в граммах записывают до четвертого десятичного знака. Навеску помещают в колбу для отгонки мышьяка, растворяют в 30 см3 воды, добавляют 10 см3 соляной кислоты и далее анализ проводят, как описано в п.4.13.3.

4.13.5. Обработка результатов

Массовую долю мышьяка (X6) в процентах вычисляют по формуле где m - масса навески, г;


m1 - масса мышьяка, найденная по градуировочному графику, мг.

За результат анализа принимают среднее арифметическое результатов двух параллельных определений, допускаемые расхождения между которыми не должны превышать 0,0004% при доверительной вероятности P=0,95.

При разногласиях в оценке массовой доли мышьяка анализ проводят по ГОСТ 24024.10.

4.14. Определение pH 1%-ного водного раствора 

Раствор 1, полученный по п.4.5.3, помещают в стакан вместимостью 50 см3, погружают электроды pH-метра и измеряют величину pH согласно инструкции, прилагаемой к прибору.

При разногласиях в оценке pH 1%-ного водного раствора анализ проводят по ГОСТ 24024.5. 

(Измененная редакция, Изм. N 2).

4.15. Определение гранулометрического состава 

Определение проводят по ГОСТ 24024.1. Определяют остаток на сетке со стороной ячейки в свету 0,500 и 0,250 мм по ГОСТ 6613. 

(Измененная редакция, Изм. N 1).

4.16. Определение сыпучести 

Определение проводят по ГОСТ 22567.12.

4.17. Определение степени белизны - по ГОСТ 24024.4. 

(Введен дополнительно, Изм. N 3).

5. УПАКОВКА, МАРКИРОВКА, ТРАНСПОРТИРОВАНИЕ И ХРАНЕНИЕ

5.1. Технический триполифосфат натрия упаковывают в клапанные или открытые четырех-, пяти-, шестислойные бумажные мешки по ГОСТ 2226 марки БМ или полиэтиленовые мешки по ГОСТ 17811, или полипропиленовые мешки, а также в мягкие специализированные контейнеры для сыпучих продуктов типа МК-1,5 Л или в специальные мягкие контейнеры разового использования типов МКР-1,0 M, МКР-1,0 С и МКР-М.

Триполифосфат натрия для розничной торговли упаковывают при фасовке в картонные пачки N 14 по ГОСТ 17339 или в картонные пачки N 14 по нормативно-технической документации, или пакеты из полиэтиленовой пленки по ГОСТ 10354.

Пищевой триполифосфат натрия упаковывают в четырех-, пяти-, шестислойные бумажные мешки по ГОСТ 2226 марки БМ.

При перевозках морским или речным транспортом триполифосфат натрия упаковывают в бумажные мешки с вложенным в них полиэтиленовым мешком-вкладышем или в бумажные мешки по ГОСТ 2226 марки ПМ, или в бумажные мешки по ГОСТ 2226 марки БМ, уложенные в универсальные контейнеры.

Открытые полиэтиленовые мешки должны быть заварены, бумажные мешки - зашиты машинным способом.

(Измененная редакция, Изм. N 1, 2).

5.2. Продукт, предназначенный для экспорта, упаковывают в соответствии с заказом-нарядом внешнеторговых организаций.

Триполифосфат натрия для розничной торговли в пачках или полиэтиленовых пакетах дополнительно упаковывают в ящики из гофрированного картона по ГОСТ 13841 или упаковывают в термоусадочную пленку по ГОСТ 25951.

Масса брутто упакованного триполифосфата натрия во вторичную упаковку не должна превышать 25 кг.

5.3. Масса нетто мешка с триполифосфатом натрия должна быть 30-35 кг. Допускаемые отклонения массы составляют ±3%.

Для триполифосфата натрия, предназначенного для экспорта, отклонения по массе нетто - в соответствии с требованиями заказа-наряда внешнеторговых организаций.

Масса нетто продукта для розничной торговли должна быть не более 2 кг. Допускаемое отклонение от массы нетто порошка в пачках и в полиэтиленовых пакетах должно быть в пределах ±5%.

5.2, 5.3. (Измененная редакция, Изм. N 2).

5.4. Транспортная маркировка - по ГОСТ 14192 с нанесением манипуляционного знака "Беречь от влаги", а также следующих данных, характеризующих продукцию:

наименования предприятия-изготовителя и его товарного знака;

наименования продукта, марки, сорта;

наименования партии и даты изготовления;

обозначения настоящего стандарта.

Маркировочные данные наносят на поверхность полиэтиленового мешка маркировочной машиной или полиэтиленовый ярлык с указанной маркировкой приваривают к поверхности мешка, или заваривают вместе с горловиной мешка. На бумажные мешки приклеивают ярлыки или наносят маркировку печатью.

На каждый мешок триполифосфата натрия, предназначенного на экспорт, маркировку наносят по ГОСТ 14192 в соответствии с заказом-нарядом внешнеторговой организации.

При перевозке в мягких специализированных контейнерах ярлык с маркировочными данными вкладывается в карман контейнера.

На пакеты и пачки с триполифосфатом натрия, предназначенным для розничной торговли, наносится полиграфическим способом красочная этикетка со следующими маркировочными данными:

наименование и назначение продукции;

наименование предприятия-изготовителя и (или) его товарный знак;

масса нетто;

обозначение настоящего стандарта;

краткая инструкция по применению (см. приложение).

(Измененная редакция, Изм. N 2, 3).

5.5. Триполифосфат натрия транспортируют в крытых железнодорожных вагонах, закрытых палубных судах и крытым автомобильным транспортом в соответствии с правилами перевозок, действующими на данном виде транспорта.

Допускается при транспортировании железнодорожным транспортом упаковывать триполифосфат натрия в специализированные мягкие контейнеры без перевалок в пути следования с погрузкой и выгрузкой на подъездных путях предприятий.

5.6. Триполифосфат натрия для Крайнего Севера и отдаленных районов упаковывают в мягкие специализированные контейнеры и бумажные мешки по ГОСТ 2226 марки БМ в соответствии с ГОСТ 15846*.
________________
* На территории Российской Федерации действует ГОСТ 15846-2002. - Примечание изготовителя базы данных.

5.5, 5.6. (Измененная редакция, Изм. N 2).

5.7. Триполифосфат натрия транспортируют насыпью в специально оборудованных крытых вагонах, вагонах-цистернах.

Упакованный продукт транспортируют пакетами в соответствии с правилами перевозок, действующими на данном виде транспорта. Допускается по согласованию с потребителем транспортирование упакованного продукта в непакетированном виде.

(Измененная редакция, Изм. N 2, 3).

5.8. Триполифосфат натрия хранят в закрытых складских помещениях. 

Специализированные мягкие контейнеры хранят в закрытых помещениях или под навесом.

5.9. Срок хранения продукта не ограничен.

ПРИЛОЖЕНИЕ (обязательное). ИНСТРУКЦИЯ ПО ПРИМЕНЕНИЮ ТРИПОЛИФОСФАТА НАТРИЯ

ПРИЛОЖЕНИЕ
Обязательное


Триполифосфат натрия применяется в качестве добавки при стирке всех видов тканей в любой воде различной температуры; для мытья стекол, сильно загрязненной и жирной посуды, для чистки ванн, раковин и унитазов.

Перед стиркой белье предварительно замачивают в теплом растворе триполифосфата натрия (1/2 стакана на ведро воды). Очень загрязненное белье рекомендуется оставить в указанном растворе на 2-3 ч.

Затем белье стирают и при необходимости кипятят с моющими средствами.

После стирки белье следует тщательно прополоскать в чистой воде.

При условии хранения в сухом месте срок хранения триполифосфата натрия неограничен.

ПРИЛОЖЕНИЕ. (Введено дополнительно, Изм. N 2).



официальное издание
М.: ИПК Издательство стандартов, 1999