Вещества вспомогательные ОП-7 и ОП-10 ГОСТ 8433-81
Вещества вспомогательные ОП-7 и ОП-10. Технические условия ГОСТ 8433-81
ГОСТ 8433-81
Группа Л23
ГОСУДАРСТВЕННЫЙ СТАНДАРТ СОЮЗА ССР
ВЕЩЕСТВА ВСПОМОГАТЕЛЬНЫЕ
ОП-7 и ОП-10
Технические условия
Indirect materials OP-7, ОР-10
Specifications
ОКП 24 8382
Срок действия с 01.01.1982
до 01.01.1987*
___________________
* Ограничение срока действия снято Постановлением
Госстандарта России от 28.09.92 N 360.
(ИУС N 12, 1992 год).
РАЗРАБОТАН Министерством химической промышленности
ИСПОЛНИТЕЛИ
А.И.Савельев, Ю.А.Демидов, Б.В.Емельянов, Э.А.Назарова, Р.А.Панина
ВНЕСЕН Министерством химической промышленности
Член Коллегии В.Ф.Ростунов
УТВЕРЖДЕН И ВВЕДЕН В ДЕЙСТВИЕ Постановлением Государственного комитета СССР по стандартам от 24 февраля 1981 г. N 968
ВЗАМЕН ГОСТ 8433-57
Настоящий стандарт распространяется на вспомогательные вещества ОП-7 и ОП-10, представляющие собой продукты обработки смеси моно- и диалкилфенолов окисью этилена и применяемые в качестве смачивающих и эмульсирующих поверхностно-активных веществ.
где R - алкильный остаток, содержащий 8-12 атомов углерода, 1. ТЕХНИЧЕСКИЕ ТРЕБОВАНИЯ
1.1. Вспомогательные вещества ОП-7 и ОП-10 должны быть изготовлены в соответствии с требованиями настоящего стандарта по технологическому регламенту, утвержденному в установленном порядке.
1.2. По физико-химическим показателям вспомогательные вещества ОП-7 и ОП-10 должны соответствовать требованиям и нормам, указанным в таблице.
|
|
||
|
Наименование показателя |
ОП-7 |
ОП-10 |
|
ОКП 24 8382 0100 |
ОКП 24 8382 0200 |
|
|
1. Внешний вид |
Маслоподобная жидкость или паста от светло-желтого до светло-коричневого цвета |
|
|
2. Внешний вид водного раствора концентрации 10 г/л |
Прозрачная или слегка мутная жидкость |
Прозрачная жидкость |
|
3. Массовая доля основного вещества, %, не менее |
88 |
80 |
|
4. Массовая доля воды, %, не более |
0,3 |
0,3 |
|
5. Водородный показатель pH водного раствора концентрации 10 г/л |
6-8 |
6-8 |
|
6. Температурные пределы посветления водного раствора, °С |
||
|
вещества ОП-7 концентрации 20 г/л |
55-65 |
- |
|
вещества ОП-10 концентрации 10 г/л |
- |
80-90 |
|
7. Поверхностное натяжение водного раствора концентрации 5 г/л, нм, не более |
35·10-3 |
37·10-3 |
Примечание. Норма по показателю 3 таблицы является факультативной до 01.07. 1983 г.
2. ТРЕБОВАНИЯ БЕЗОПАСНОСТИ
2.1. Вспомогательные вещества ОП-7 и ОП-10 являются пожароопасными.
Температура вспышки для вещества ОП-7 - 49 °С;
для вещества ОП-10 - 77 °С.
Температура самовоспламенения для вещества ОП-7 - 357 °С;
для вещества ОП-10 - 400 °С.
Нижний предел воспламенения вспомогательного вещества ОП-10 - 75 °С.
Предельно допустимая концентрация в воздухе рабочей зоны для вспомогательных веществ ОП-7 и ОП-10 - 1,5 мг/м3.
2.2. Вспомогательные вещества ОП-7 и ОП-10 умеренно опасные вещества, 3-й класс опасности по ГОСТ 12.1.007-76. Попадание на кожу вызывает контактный дерматит. При попадании в глаза развивается конъюнктивит. Продукты обладают сенсибилизирующими свойствами.
Помещение, где проводится работа с продуктами, должно быть оборудовано общеобменной приточно-вытяжной вентиляцией и ежесменно подвергаться влажной уборке.
2.3. При работе со вспомогательными веществами ОП-7 и ОП-10 следует пользоваться спецодеждой, индивидуальными средствами защиты (защитные очки, халат или хлопчатобумажный костюм, резиновые перчатки или брезентовые рукавицы, прорезиненный фартук, резиновые сапоги) в соответствии с действующими типовыми отраслевыми нормами.
При работе с вспомогательными веществами ОП-7 и ОП-10 необходимо соблюдать правила личной гигиены. Продукты с кожи и слизистых оболочек удаляют водой.
2.4. Для тушения вспомогательных веществ ОП-7 и ОП-10 используют тонкораспыленную воду, сухие порошки или газовые составы. Подача обычной пены или комнатной воды может привести к вспениванию горящей жидкости, переливу через борт емкости и увеличению площади горения.
2.5. Вспомогательные вещества ОП-7 и ОП-10 относятся к неионогенным поверхностно-активным веществам.
Биологическая разлагаемость ОП-7 и ОП-10 составляет 45%.
3. ПРАВИЛА ПРИЕМКИ
3.1. Приемка вспомогательных веществ ОП-7 и ОП-10 производится партиями. За партию принимают любое количество продукта, однородного по своим показателям качества, сопровождаемого одним документом о качестве, но не более 60 т.
При отгрузке продукта в цистернах за партию принимают каждую цистерну.
3.2. Каждая партия продукта должна сопровождаться документом, удостоверяющим соответствие его качества требованиям настоящего стандарта.
Документ должен содержать:
наименование предприятия-изготовителя, его товарный знак;
наименование продукта;
номер партии;
количество мест в партии;
массу брутто;
массу нетто;
обозначение настоящего стандарта;
дату изготовления продукта;
результаты проведенных анализов или подтверждение о соответствии качества продукта требованиям настоящего стандарта.
3.3. Для проверки качества партии продукта на соответствие его требованиям настоящего стандарта от партии отбирают 10% упаковочных единиц, но не менее чем три единицы.
При отгрузке продукта в цистернах проверке подвергают каждую цистерну.
3.4. При получении неудовлетворительных результатов анализа хотя бы по одному из показателей проводят повторный анализ по данному показателю на удвоенной выборке.
Результаты повторного анализа распространяются на всю партию.
4. МЕТОДЫ АНАЛИЗА
4.1. Точечные пробы отбирают от каждой упаковочной единицы, как указано в п.3.3, чистой сухой стеклянной трубкой диаметром 10-15 мм с оттянутым концом погружением ее на 3/4 уровня высоты залива продукта.
Пробы из цистерны отбирают по ГОСТ 2517-80 стационарным пробоотборником из нержавеющей стали для отбора точечных проб с трех уровней или с перфорированной заборной трубкой по ГОСТ 2517-80 из трех слоев по высоте залива продукта (верхнего, среднего, нижнего).
Перед отбором пробы содержимое бочек перемешивают перекатыванием. При наличии пастоподобного продукта в холодное время содержимое бочек и железнодорожных цистерн предварительно расплавляют до жидкого состояния глухим паром при 70-80 °С.
4.2. Объем точечной пробы должен быть не менее 200 см3.
Отобранные точечные пробы соединяют вместе и тщательно перемешивают, затем отбирают среднюю пробу объемом не менее 600 см.
Среднюю пробу делят на две равные части и помещают в две сухие чистые герметично закрываемые склянки.
На склянку со средней пробой наклеивают этикетку с указанием: наименования продукта, номера партии, даты изготовления, даты и места отбора пробы.
Одну склянку со средней пробой передают в лабораторию для анализа, другую хранят в течение трех месяцев на случай разногласий.
Перед каждым анализом среднюю пробу тщательно перемешивают.
4.3. Определение внешнего вида
Вспомогательные вещества ОП-7 и ОП-10 помещают в пробирки П 2-16-18 по ГОСТ 10515-75 и определяют внешний вид веществ визуально в проходящем свете.
4.4. Определение внешнего вида водного раствора
4.4.1. Реактивы
Вода дистиллированная по ГОСТ 6709-72-->ГОСТ 6709-72.
Колба мерная вместимостью 1000 см3 по ГОСТ 1770-74.
Цилиндр 1-100 по ГОСТ 1770-74.
Водный раствор концентрации 10 г/л, готовят растворением 10 г вещества ОП-7 или вещества ОП-10, взвешенных с погрешностью не более 0,01 г, в дистиллированной воде, в мерной колбе при 40-50 °С. После этого раствор наливают в цилиндр из бесцветного стекла и определяют его внешний вид визуально в проходящем свете.
4.5. Определение массовой доли основного вещества
Массовую долю основного вещества в продукте (X) определяют расчетным, путем, вычитая из 100% массовую долю всех примесей в процентах
X=100-(X1-X2)
где X1 - массовая доля полиэтиленгликолей, определяемая по п.4.5.1., %;
X2 - массовая доля воды, определяемая по п.4.6, %.
Определение массовой доли полиэтиленгликолей
4.5.1. Реактивы, растворы, приборы, оборудование, посуда
Алюминия окись безводная, II степени активности, для хроматографии.
Висмут азотнокислый основной, фармакопейный.
Кислота уксусная по ГОСТ 61-75, ледяная.
Калий йодистый по ГОСТ 4232-74.
барий хлористый по ГОСТ 4108-72, 20%-ный раствор.
полиэтиленгликоль с молекулярной массой 400.
Хлороформ фармакопейный.
Спирт этиловый ректификованный технический по ГОСТ 18300-72.
Вода дистиллированная по ГОСТ 6709-72-->ГОСТ 6709-72.
Бумага индикаторная универсальная.
Сито N 24 или 25 по ГОСТ 3584-73.
Весы типа АДВ-200, ВТ-1000 по ГОСТ 24104-80.
Микрошприц типа МШ-10, с погрешностью не более 0,1 мм3.
Печь муфельная любого типа с температурой нагревания до 1000 °С.
Шкаф сушильный по ГОСТ 13474-79, ГОСТ 7365-55.
Линейка измерительная по ГОСТ 17435-72.
Термометр типа 1-Б-3 по ГОСТ 215-73.
Пластинки из стекла по ГОСТ 111-78, размером 90120 мм, .толщиной 1,5-3,0 мм.
Кристаллизатор типа ЧКТ 170-60.
Пипетка 7-2-10 по ГОСТ 20292-74.
Колба мерная 2-100-2, 2-1000-2 по ГОСТ 1770-74.
Колба коническая с притертой пробкой типа КнКш-100-14/23 ТС по ГОСТ 10394-72.
Валик стеклянный или металлический нестандартный с утолщениями на концах, равными 1 мм.
Цилиндр измерительный 1-100, 1-250 по ГОСТ 1770-74.
Допускается применение средств измерения с метрологическими характеристиками не хуже вышеуказанных.
4.5.2. Подготовка к анализу
4.5.2.1. Приготовление сорбента
Для определения полиэтиленгликолей методом тонкослойной хроматографии применяют специально подготовленную окись алюминия. Для этого окись алюминия (сорбент) отмывают кипящей дистиллированной водой до pH-водной вытяжки, равной 8-9, по универсальной индикаторной бумаге, сушат 5-6 ч в сушильном шкафу при 100-120 °С, прокаливают 6 ч в муфельной печи при 800-900 °С. Хранят подготовленный сорбент в банке с притертой пробкой.
4.5.2.2. Подготовка элюента
В качестве элюента используют смесь хлороформа с этиловым спиртом. 100 см3 хлороформа и 2,5 см3 этилового спирта смешивают.
4.5.2.3. Приготовление раствора для проявления
50 см3 20%-ного раствора хлористого бария смешивают со 100 см3 реактива Драгендорфа, который готовят следующим образом: в мерную колбу вместимостью 100 см3 вносят 1,7 г основного азотнокислого висмута, взвешенного с погрешностью не более 0,0002 г, и 20 см3 ледяной уксусной кислоты. Объем раствора доводят до метки дистиллированной водой (раствор А); отдельно в мерной колбе 40 г йодистого калия, взвешенного с погрешностью не более 0,01 г, растворяют в 100 см3 дистиллированной воды (раствор Б). Затем в мерную колбу вместимостью 1000 см3 сливают растворы А и Б, добавляют 200 см3 ледяной уксусной кислоты, доводят объем раствора до метки дистиллированной водой и тщательно перемешивают.
4.5.2.4. Приготовление градуировочных растворов
1 г полиэтиленгликоля, взвешенного с погрешностью не более 0,0002 г, растворяют в хлороформе в мерной колбе вместимостью 100 см3. Из этого раствора берут пипеткой 1, 2, 3, 4 и 5 см3 и разводят в мерных колбах вместимостью 100 см3 хлороформом. Масса полиэтиленгликоля в 10 мкл полученных растворов составляет соответственно 1, 2, 3, 4 и 5 мкг.
4.5.2.5. Подготовка пробы
Навеску вещества ОП-7 или ОП-10 массой 0,01-0,04 г взвешивают с погрешностью не более 0,0002 г и растворяют в 10 см3 хлороформа, взятого пипеткой, в конической колбе вместимостью 25 см3.
4.5.3. Проведение анализа
Около 10 г сорбента (окиси алюминия), подготовленного как указано в п.4.5.2.1, и просеянного через сито, насыпают на стеклянную пластинку и валиком распределяют по ее поверхности до получения однородного слоя толщиной 1 мм.
От края пластинки на расстоянии 15 мм иглой от микрошприца или стеклянным капилляром намечают шесть точек, отстоящих друг от друга на расстоянии 15 мм с погрешностью измерительной линейки.
Микрошприцем отбирают 0,01 см3 (10 мкл) пробы, приготовленной как указано в п.4.5.2.5, и наносят на пластинку в среднюю точку, а в остальные пять наносят по 0,01 см3 градуировочных растворов полиэтиленгликоля, приготовленных как указано в п.4.5.2.4, и выдерживают в течение 5-10 мин.
В сухой кристаллизатор заливают 50-60 см3 элюента, приготовленного как указано в п.4.5.2.2, помещают в него подготовленную пластинку на подставку под углом 15-17° к поверхности так, чтобы край с пробой погружался в элюент на 5-7 мм. Сверху кристаллизатор закрывают стеклянной пластинкой. Разделение считают законченным, когда фронт элюента достигает верхнего края пластинки. Затем ее вынимают из кристаллизатора и, не давая подсохнуть, опрыскивают из пульверизатора раствором для проявления, приготовленным как указано в п.4.5.2.3. После проявления вся поверхность окиси алюминия окрашивается в желтый цвет, пятна полиэтиленгликоля на ней - в розовый, а пятно поверхностно-активного вещества - в оранжевый.
4.5.4. Обработка результатов
Массовую долю полиэтиленгликоля (X1) в процентах вычисляют по формуле
где a - масса полиэтиленгликоля в 0,01 см3 градуировочнопу раствора, интенсивность окраски пятна которого совпадает с интенсивностью окраски пробы, мкг;
10 - объем приготовленной пробы, см3;
m - масса вещества, взятая на анализ, г;
0,01 - объем пробы раствора, нанесенный на пластинку, см3;
106 - коэффициент перевода граммов в микрограммы.
За результат анализа принимают среднее арифметическое двух параллельных определений, допускаемые расхождения между которыми не должны превышать 1%.
Суммарная погрешность анализа - не более 0,6%.
4.6. Определение массовой доли воды
Определение проводят по ГОСТ 14870-77, при этом масса навески пробы вещества ОП-7 или вещества ОП-10 должна быть не менее 100 г, взвешенной с погрешностью не более 0,01 г.
В качестве растворителя используют Бензол по ГОСТ 5955-75 или бензин по ГОСТ 443-76 в объеме 100 см3.
4.7. Определение водородного показателя pH водного раствора
Водородный показатель pH водного раствора вещества ОП-7 или ОП-10 концентраций 10 г/л замеряют pH-метром любого типа, с погрешностью измерения 0,05 ед.
Для приготовления водных растворов применяют дистиллированную воду по ГОСТ 4517-75 с pH не более 6.
Результат измерения с погрешностью - не более 0,05 ед.
4.8. Определение температурных пределов посветления водного раствора
4.8.1. Реактивы, растворы, оборудование
Вода дистиллированная по ГОСТ 6709-72-->ГОСТ 6709-72 или глицерин по ГОСТ 6259-75.
Термометры типа 1-Б-2 по ГОСТ 215-73 или типа ТН-5 по ГОСТ 400-80.
Колбы конические, широкогорлые по ГОСТ 10394-72, вместимостью 250 см3.
Секундомер по ГОСТ 5072-79 с погрешностью измерения не более 0,1 с.
Электроплитка бытовая по ГОСТ 300-76.
Пробки по ГОСТ 7852-76, ГОСТ 5541-76.
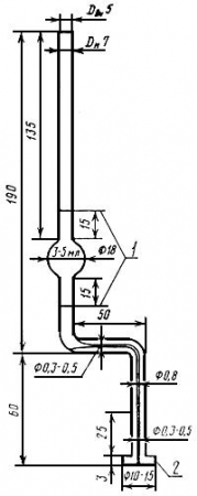
Устройство для определения температурных пределов посветления (черт.1) состоит из пробирки 4, изготовленной из термостойкого стекла, диаметром (31±2) мм и высотой 110-120 мм, которую закрывают пробкой 3 с тремя отверстиями; в центральное из них вставляют термометр 1 так, чтобы конец его находился на расстоянии 5-10 мм от дна пробирки, во второе вставляют кольцевую мешалку 2, а третье отверстие служит для сообщения с атмосферой.
Черт.1
Черт.1
Пробирку с термометром и мешалкой вставляют в горло колбы вместимостью 250 см3, заполненную на половину объема дистиллированной водой или глицерином так, чтобы пробирка не доходила до дна колбы на 10-15 мм, ее бортики придерживались горлом колбы.
4.8.2. Приготовление растворов
Растворы с концентрацией 20 г/л вещества ОП-7 и 10 г/л вещества ОП-10 готовят растворением 20 г вещества ОП-7 и 10 г вещества ОП-10, взвешенных с погрешностью не более 0,01 г, в дистиллированной воде по ГОСТ 6709-72-->ГОСТ 6709-72 в мерной колбе вместимостью 1000 см3 по ГОСТ 1770-74.
4.8.3. Проведение анализа
30 см3 приготовленного раствора вещества ОП-7 или ОП-10 помещают в пробирку. В водяной или глицериновой колбе содержимое пробирки нагревают со скоростью 2-3 °С в 1 мин при периодическом помешивании до резкого помутнения раствора. После этого пробирку вынимают из колбы и раствор энергично помешивают мешалкой до его посветления.
За температуру, при которой происходит посветление раствора, принимают значение, наблюдаемое при резком посветлении раствора в пробирке, когда ртутный шарик термометра станет ясно видимым (мутный раствор переходит в светлый).
Результат измерения с погрешностью - не более 1 °С.
4.9. Определение поверхностного натяжения водного раствора
4.9.1. Реактивы, растворы, оборудование
Кислота серная по ГОСТ 4204-77.
калий двухромовокислый по ГОСТ 2652-78.
Вода дистиллированная по ГОСТ 6709-72-->ГОСТ 6709-72.
Колба мерная 2-1000-2 по ГОСТ 1770-74.
Трубка резиновая, по ГОСТ 3399-76, диаметром, равным 5-7 мм.
Зажим лабораторный.
Термометры 1-Б-2 по ГОСТ 215-73 или ТН-5 по ГОСТ 400-80.
Весы типа ВТ-1000 по ГОСТ 24104-80.
Штатив лабораторный.
Секундомер по ГОСТ 5072-79, с погрешностью измерения не более ±0,1 с.
Сталагмометр для определения поверхностного натяжения водного раствора (черт.2), представляющий собой толстостенную трубку с расширением в середине. Ниже и выше расширения нанесены две метки. Объем между метками составляет 3-5 см3. Нижняя часть трубки сталагмометра согнута и в нее впаян капилляр, диаметром 0,3-0,5 мм. Площадка сталагмометра отшлифована.
Черт. 2
Материал сталагмометра - стекло ХУ-1, ГОСТ 21400-75
1 - метки (наносятся плавиковой кислотой); 2 - площадка отшлифованная
Черт. 2
4.9.2. Подготовка к анализу
Приготовление раствора
Раствор концентрации 5 г/л готовят растворением 5 г вещества ОП-7 или ОП-10, взвешенных с погрешностью не более 0,01 г, в дистиллированной воде, в мерной колбе вместимостью 1000 см3.
4.9.3. Проведение анализа
Сталагмометр укрепляют в штативе в вертикальном положении. Перед началом анализа сталагмометр промывают свежеприготовленной хромовой смесью и несколько раз ополаскивают дистиллированной водой. В сталагмометр засасывают водный раствор концентрации 5 г/л несколько выше верхней метки.
Для регулирования скорости истечения жидкости на верхний конец трубки сталагмометра одевают резиновую трубку с винтовым зажимом. Перед началом работы регулируют скорость истечения жидкости таким образом, чтобы каждая из последних пяти капель образовывалась в течение (2±0,2) с. Жидкости в сталагмометре дают стечь до верхнего деления, после этого отсчитывают количество капель до нижнего деления. Производят три отсчета и берут среднее значение количества капель. Расхождение между отдельными определениями не должно превышать одной капли.
Каждый раз перед определением поверхностного натяжения водных растворов веществ ОП-7 и ОП-10 определяют количество капель по истечении дистиллированной воды при 20 °С, а затем при той же температуре количество капель анализируемого водного раствора вещества ОП-7 или ОП-10.
Постоянство температуры обеспечивается предварительным термостатированием растворов на водяной бане и контролируется термометром.
При переходе от дистиллированной воды к раствору пробы сталагмометр необходимо высушить или несколько раз ополоснуть этим раствором.
4.9.4. Обработка результатов
Поверхностное натяжение анализируемого раствора (o), нм, вычисляют по формуле
где: n - число капель воды;
n1 - число капель анализируемого водного раствора вещества;
72,75·10-3 - поверхностное натяжение воды при 20 °С, нм.
За результат анализа принимают среднее арифметическое двух параллельных определений, допускаемые расхождения между которыми не должны превышать 1·10-3 нм.
Суммарная погрешность анализа - не более 0,6·10-3 нм.
5. УПАКОВКА, МАРКИРОВКА, ТРАНСПОРТИРОВАНИЕ И ХРАНЕНИЕ
5.1. Вспомогательные вещества ОП-7 и ОП-10 упаковывают в стальные бочки по ГОСТ 6247-79, ГОСТ 13950-76, ГОСТ 17366-80, вместимостью 100-275 л, стальные железнодорожные цистерны или стальные контейнеры по ГОСТ 22225-76, ГОСТ 20435-75, ГОСТ 15102-75.
Допускается упаковка продукта в бочки вместимостью 200-300 л, ранее применявшиеся, проверенные техническим контролем предприятия-изготовителя.
При укрупнении грузовых мест в транспортные пакеты, схему пакетирования согласовывают в установленном порядке.
5.2. Маркировка - по ГОСТ 14192-77 с нанесением дополнительных надписей:
наименование предприятия-изготовителя, его товарный знак;
наименование продукта;
номера партии;
количество мест в партии;
массы нетто;
массы брутто;
даты изготовления;
обозначения настоящего стандарта;
манипуляционных знаков "Боится сырости", "Герметичная упаковка", "Боится нагрева".
Класс опасности 9, подкласс 9.1 по ГОСТ 19433-74.
5.3. При транспортировке веществ ОП-7 и ОП-10 в железнодорожных цистернах к крышке наливного люка цистерны прикрепляют ярлык с указанными надписями.
5.4. Вещества ОП-7 и ОП-10 хранят в герметично закрытой стальной таре.
5.5. Вспомогательные вещества ОП-7 и ОП-10 транспортируют любым видом транспорта в соответствии с правилами перевозки грузов на данном виде транспорта.
6. ГАРАНТИИ ИЗГОТОВИТЕЛЯ
6.1. Предприятие-изготовитель гарантирует соответствие качества вспомогательных веществ ОП-7 и ОП-10 требованиям настоящего стандарта при соблюдении условий хранения и транспортирования.
6.2. Гарантийный срок хранения - один год со дня изготовления.
По истечении гарантийного срока хранения продукт перед использованием должен быть проверен на соответствие его качества требованиям настоящего стандарта.
официальное издание
М.: Издательство стандартов, 1981
