Новости Нефтегазовая пром.
Выставки Наука и технология


Теллур технический ГОСТ 17614-80

Теллур технический. Технические условия (с Изменениями N 1, 2) ГОСТ 17614-80


ГОСТ 17614-80

Группа В51

     
МЕЖГОСУДАРСТВЕННЫЙ СТАНДАРТ

     
     
ТЕЛЛУР ТЕХНИЧЕСКИЙ

Технические условия

Tellurium technical. Technical requirements.



ОКП 17 6992

Дата введения 1983-01-01

     
     
ИНФОРМАЦИОННЫЕ ДАННЫЕ

1. РАЗРАБОТАН Министерством цветной металлургии СССР

2. ВНЕСЕН Министерством цветной металлургии СССР

3. УТВЕРЖДЕН И ВВЕДЕН В ДЕЙСТВИЕ Постановлением Государственного комитета СССР по стандартам от 19.03.80 N 2190

4. ВЗАМЕН ГОСТ 17614-72

5. ССЫЛОЧНЫЕ НОРМАТИВНО-ТЕХНИЧЕСКИЕ ДОКУМЕНТЫ

Обозначение НТД, на который дана ссылка

Номер пункта, подпункта

ГОСТ 12.1.005-88

2.1; 2.2; 2.3; 2.4

ГОСТ 12.1.007-76

2.1; 2.2

ГОСТ 12.4.021-75

2.5

ГОСТ 12.4.028-76

2.8

ГОСТ 2228-81

5.2

ГОСТ 2991-85

5.3; 5.4

ГОСТ 3282-74

5.3

ГОСТ 3560-73

5.3; 5.9

ГОСТ 5044-79

5.5

ГОСТ 5959-80

5.3; 5.4

ГОСТ 6613-86

1.5; 4.1; 4.2; 4.4, 5.4

ГОСТ 8273-75

5.2; 5.5

ГОСТ 9557-87

5.9

ГОСТ 9569-79

5.3; 5.5

ГОСТ 9816.0-84-ГОСТ 9816.5-84

4.3

ГОСТ 10354-82

5.3

ГОСТ 12082-82

5.5

ГОСТ 14192-96

5.7

ГОСТ 15102-75

5.9

ГОСТ 17811-78

5.3

ГОСТ 18573-86

5.5

ГОСТ 19433-88

5.7

ГОСТ 20435-75

5.9

ГОСТ 21650-76

5.3; 5.9

ГОСТ 24597-81

5.9

ГОСТ 26381-84

5.9

ГОСТ 26663-85

5.9

6. Ограничение срока действия снято по протоколу N 2-92 Межгосударственного Совета по стандартизации, метрологии и сертификации (ИУС 2-93)

7. ИЗДАНИЕ с Изменениями N 1, 2, утвержденными в июне 1987 г., феврале 1993 г. (ИУС 9-87, 9-93)

Настоящий стандарт распространяется на технический теллур в виде порошка и слитков, предназначенный для получения теллура высокой чистоты, изготовления баббитов, красок и других целей, а также на теллур, предназначенный на экспорт.

1. МАРКИ И ТЕХНИЧЕСКИЕ ТРЕБОВАНИЯ

1.1. Технический теллур должен изготовляться в соответствии с требованиями настоящего стандарта по технологической документации, утвержденной в установленном порядке.

Марки и химический состав технического теллура должны соответствовать требованиям, указанным в табл.1.

Таблица 1

Химический состав, %

Марка

Код ОКП

Теллур, не менее

Примеси, не более

Селен

Свинец

Медь

Сера

Нат-
рий

Крем-
ний

Алю-
миний

Же-
лезо

Сумма опреде-
ляемых примесей

Т0

17 6992 0201 09

99,93

0,01

0,001

0,002

0,04

0,01

0,001

0,001

0,001

0,07

17 6992 0203 07*

Т1

17 6992 0301 06

99,3

0,1

0,1

0,05

0,04

0,05

0,05

0,04

0,1

1,0

17 6992 0302 05*

Т2

17 6992 0401 03

96,5

1,5

1,0

0,3

0,2

0,3

0,2

0,1

0,15

4,0

17 6992 0402 02*


Примечание. Массовая доля кремния и алюминия обеспечивается технологией изготовления и определяется периодически. Периодичность определения устанавливается по согласованию изготовителя с потребителем.
________________
* Код ОКП - для теллура в порошке.

1.2. Технический теллур изготовляют в виде порошка и слитков.

(Измененная редакция, Изм. N 1).

1.3. Порошкообразный теллур - порошок темно-серого или черного цвета.

Требования к насыпной плотности порошкообразного теллура устанавливают по согласованию изготовителя с потребителем.

(Измененная редакция, Изм. N 2).

1.4. Форма и размеры слитка должны соответствовать черт.1 и табл.2, масса слитка (7±1) кг.


Черт.1


Таблица 2


мм

I

I1

b

b1

h

Номин.

Пред. откл.

Номин.

Пред. откл.

Номин.

Пред. откл.

Номин.

Пред. откл.

Номин.

Пред. откл.

255

±10

230

±10

85

±10

60

±10

75

±10

1.5. Порошкообразный теллур всех марок должен проходить через сито с сеткой 1К по ГОСТ 6613. В теллуре не должно быть инородных включений и комков. Допускается применение сеток нормальной точности по ГОСТ 6613.

По требованию потребителя теллур, предназначенный для изготовления красок, должен проходить через сито с сеткой 063К по ГОСТ 6613.

1.4, 1.5. (Измененная редакция, Изм. N 1).

2. ТРЕБОВАНИЯ БЕЗОПАСНОСТИ

2.1. Технический теллур относится к веществам чрезвычайно опасным по ГОСТ 12.1.005 и ГОСТ 12.1.007 при нахождении в агрегатном состоянии - аэрозоль. Вид опасности - отравление.

Технический теллур, попадая в организм человека через дыхательные пути или кожу, вызывает хроническое воспаление суставов, заболевание костей, хронический бронхит, нервные расстройства, болезни печени, изменение эмали зубов.

(Измененная редакция, Изм. N 1, 2).

2.2. Теллур относится к веществам 1-го класса опасности по ГОСТ 12.1.005 и ГОСТ 12.1.007. Вид опасности - отравление аэрозолями теллура.

(Измененная редакция, Изм. N 1).

2.3. Предельно допускаемая концентрация (ПДК) теллура в воздухе рабочей зоны - 0,01 мг/м3 по ГОСТ 12.1.005.

Анализ воздушной среды производственных помещений на содержание теллура должен проводиться в соответствии с нормативно-технической документацией и графиком, утвержденным в установленном порядке.

2.4. Производственные помещения и лаборатории, в которых проводится работа с теллуром, должны быть оборудованы приточно-вытяжной вентиляцией, обеспечивающей содержание теллура в воздухе рабочей зоны в соответствии с требованиями ГОСТ 12.1.005.

2.5. Складские помещения должны быть оборудованы приточно-вытяжной вентиляцией в соответствии с ГОСТ 12.4.021.

(Измененная редакция, Изм. N 1).

2.6. (Исключен, Изм. N 1).

2.7. Все работающие с теллуром должны быть обеспечены санитарно-бытовыми помещениями и спецодеждой в соответствии с правилами, утвержденными в установленном порядке в соответствии с нормативно-технической документацией.

2.8. Для защиты органов дыхания должны применяться респиратор типа "Лепесток" по ГОСТ 12.4.028 или ватно-марлевая повязка.

2.7, 2.8. (Измененная редакция, Изм. N 1).

2.9. Утилизация, обезвреживание и уничтожение отходов от производства теллура проводится в соответствии с нормативно-технической документацией.

3. ПРАВИЛА ПРИЕМКИ

3.1. Технический теллур принимается партиями. Партия должна состоять из теллура одной марки, одного вида и оформлена одним документом о качестве, удостоверяющим соответствие продукта требованиям настоящего стандарта, содержащим:

товарный знак или наименование предприятия-изготовителя и его товарный знак;

наименование продукции и ее марку;

номер партии;

результаты испытаний;

массу нетто партии;

количество мест в партии;

дату выпуска;

обозначение настоящего стандарта.

(Измененная редакция, Изм. N 1, 2).

3.2. Для контроля химического состава, насыпной плотности и крупности порошкообразного теллура отбирают не менее 1 кг от партии.

Насыпная плотность порошкообразного теллура контролируется по согласованию изготовителя с потребителем.

3.3. Для контроля массы и химического состава теллура в слитках отбирают 10% слитков от партии.

(Измененная редакция, Изм. N 1).

3.4. Для контроля химического состава на предприятии-изготовителе допускается отбор проб от жидкого теллура во время разлива.

3.5. В теллуре марки Т0 массовую долю серебра и олова определяют в каждой партии.

3.6. При получении неудовлетворительных результатов анализа хотя бы по одному из показателей проводят испытания удвоенного количества проб, взятых от той же выборки. Результаты анализа распространяются на всю партию.

3.5, 3.6. (Измененная редакция, Изм. N 1).

4. МЕТОДЫ ИСПЫТАНИЙ

4.1. От каждой единицы упаковки порошкообразного теллура механическим пробоотборником или щупом диаметром 20-25 мм отбирают пробу в трех точках, погрузив пробоотборник или щуп на всю глубину единицы упаковки. Точечные пробы объединяют, тщательно перемешивают, сокращают до массы 1 кг и просеивают через сито с сеткой 1К по ГОСТ 6613. Просеянную пробу перемешивают, сокращают до 100 г, измельчают, просеивают через сито с сеткой 014К по ГОСТ 6613 и делят на две части. Одна часть пробы предназначена для определения химического состава, другая - хранится в закрытой таре в течение 3 мес на случай разногласий в оценке качества.

4.2. Каждый отобранный слиток сверлят сверлом диаметром 10-15 мм: сверху на 2/5 глубины слитка в трех точках, расположенных по диагонали прямоугольной поверхности слитка в центре и на расстоянии 1/4 длины диагонали от углов; снизу на 3/5 глубины слитка в двух точках, расположенных по той же диагонали на расстоянии 1/3 длины диагонали от углов. Полученную стружку измельчают, просеивают через сито с сеткой 0355К по ГОСТ 6613, тщательно перемешивают и сокращают до массы 100 г. Сокращенную пробу измельчают, просеивают через сито с сеткой 014К по ГОСТ 6613, перемешивают, обрабатывают магнитом и делят на две части. Одна часть пробы предназначена для определения химического состава, другая хранится в закрытой таре в течение 3 мес на случай разногласий в оценке качества.

4.3. Химический состав технического теллура определяют по ГОСТ 9816.0 - ГОСТ 9816.5.

Допускаются другие методы анализа, не уступающие по точности стандартным. При разногласиях в оценке химического состава примесей в техническом теллуре применяют методы по ГОСТ 9816.0 - ГОСТ 9816.5.

4.2, 4.3. (Измененная редакция, Изм. N 1).

4.4. Для определения крупности порошкообразного теллура берут 0,5 кг от объединенной пробы и просеивают через сита с сетками по ГОСТ 6613.

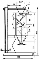
4.5. Для определения насыпной плотности порошкообразного теллура от объединенной пробы берут навеску массой 200-250 г. Насыпную плотность определяют волюмометром Скотта (черт.2).


1 - воронка из белой жести толщиной 0,25 мм; 2 - бункер с пластинами из органического стекла

Черт.2

4.5.1. Чистый сухой стакан с ровными краями высотой 40 мм и диаметром 25 мм следует наполнить до краев водой из бюретки при температуре окружающей среды (20±1) °С.

Количество воды в мл, израсходованное из бюретки на наполнение, соответствует объему стакана в см3. Воду выливают, стакан высушивают, взвешивают на технических весах с погрешностью до 0,01 г и устанавливают под воронкой прибора.

Навеску порошка ссыпают по стенкам воронки с высоты около 20 мм в течение 10-12 с, пока порошок полностью не заполнит стакан и не начнет высыпаться из него.

Не уплотняя порошка, снимают его избыток металлической или стеклянной пластинкой, проводя по краям стакана; стакан после этого взвешивают на технических весах с погрешностью до 0,01 г.

4.5.2. Насыпную плотность (p), г/см3, вычисляют по формуле где m' - масса стакана с порошком, г;
      m - масса пустого стакана, г;

      V - объем стакана, см3.

За окончательный результат принимают среднеарифметическое значение результатов двух параллельных определений, расхождение которых не должно превышать 0,02 г/см3.

4.6. Масса слитка определяется взвешиванием на весах с погрешностью 0,1%.

(Введен дополнительно, Изм. N 1).

4.7. Проверку слитков на соответствие требованиям п.1.4 проводят линейными средствами измерения с ценой деления 1 мм или шаблоном.

Проверку внешнего вида теллура проводят осмотром без применения увеличительных приборов.

(Введен дополнительно, Изм. N 2).

5. МАРКИРОВКА, УПАКОВКА, ТРАНСПОРТИРОВАНИЕ И ХРАНЕНИЕ

5.1. На каждом слитке должна быть отлита марка металла или приклеена этикетка с обозначением марки теллура.

5.2. Каждый слиток должен быть завернут в оберточную бумагу по ГОСТ 8273 или ГОСТ 2228.

5.3. Порошкообразный теллур должен быть упакован в полиэтиленовый мешок по ГОСТ 17811 или двойные или одинарные мешки из полиэтиленовой пленки по ГОСТ 10354. Толщины пленки для двойных мешков не менее 0,060 мм, одинарных не менее 0,120 мм. Мешки с порошком должны быть заварены и помещены в ящики по ГОСТ 5959 (типы III, IV, V, VI) или ГОСТ 2991 (типы II-1, II-2). Ящики должны быть скреплены в соответствии с требованиями ГОСТ 21650 стальной лентой по ГОСТ 3560 или проволокой по ГОСТ 3282.

Допускается упаковка порошкообразного теллура в стальные оцинкованные барабаны по ГОСТ 5044 типа БТ ПБ1, с пропаянными швами. Сверху порошок должен быть закрыт парафинированной бумагой по ГОСТ 9569, крышка барабана должна быть припаяна к корпусу по всей образующей.

Масса брутто ящика или барабана должна быть не более 50 кг.

(Измененная редакция, Изм. N 1, 2).

5.4. Теллур в слитках должен быть упакован в деревянные ящики по ГОСТ 5959 или ГОСТ 2991. Промежутки между слитками заполняют бумагой или другим материалом, не допускающим загрязнения теллура.

Масса ящика брутто должна быть не более 50 кг.

5.5. Порошкообразный теллур, предназначенный для длительного хранения, должен быть упакован с уплотнением в стальные оцинкованные барабаны по ГОСТ 5044 тип БТ ПБ1 массой нетто не более 40 кг с пропаянными швами, обеспечивающими герметичность. Сверху слой порошка должен быть закрыт парафинированной бумагой по ГОСТ 9569. Барабан закрывают оцинкованной стальной крышкой, которую герметично припаивают к корпусу по всей образующей и помещают в деревянный ящик по ГОСТ 18573 или деревянную обрешетку по ГОСТ 12082.

5.6. На каждый ящик или барабан следует наносить маркировку при помощи трафарета несмываемой краской или наклеивать или прикреплять ярлык с указанием:

товарного знака или наименования предприятия-изготовителя и его товарного знака;

наименования продукции и ее марки; 

номера партии; 

массы нетто и брутто;

номера упаковочной единицы (для теллура, предназначенного для длительного хранения);

даты изготовления; 

обозначения настоящего стандарта.

Ярлык с результатами химического анализа теллура, предназначенного для длительного хранения, должен быть наклеен непосредственно на барабан. 

5.3-5.6. (Измененная редакция, Изм. N 1).

5.7. Транспортная маркировка - по ГОСТ 14192. На упаковку порошкообразного теллура следует наносить манипуляционный знак "Герметичная упаковка".

Технический теллур при транспортировании неопасен и по ГОСТ 19433 не классифицируется.

(Измененная редакция, Изм. N 2).

5.8. Маркировку теллура, предназначенного для длительного хранения, необходимо выполнять несмываемой краской.

(Измененная редакция, Изм. N 1).

5.9. Технический теллур транспортируют транспортом всех видов в крытых транспортных средствах в соответствии с правилами перевозки грузов, действующими на транспорте данного вида или почтовыми посылками в соответствии с правилами Министерства связи СССР. При транспортировании железнодорожным транспортом - мелкими и малотоннажными отправками.

Теллур транспортируют в контейнерах по ГОСТ 20435 или ГОСТ 15102 или пакетами по ГОСТ 26663.

При пакетировании должны использоваться плоские деревянные поддоны по ГОСТ 9557 или деревянные бруски сечением 70x70 мм, или поддоны одноразового использования по ГОСТ 26381, или металлические поддоны по нормативно-технической документации.

Средства скрепления пакетов - по ГОСТ 21650.

Габаритные размеры пакета - по ГОСТ 24597. Масса пакета - не более 1250 кг.

При транспортировании теллура мелкими отправками торцы ящиков обивают упаковочной лентой по ГОСТ 3560, скрепленной внахлестку, при железнодорожных перевозках - в замок. При транспортировании почтовыми посылками торцы ящиков стальной упаковочной лентой не обивают.

(Измененная редакция, Изм. N 2).

5.10. Теллур должен храниться в закрытом помещении. 

(Измененная редакция, Изм. N 1).

5.11. Слитки и порошок теллура, предназначенного на экспорт, сопровождают документацией в соответствии с заказом-нарядом внешнеторгового объединения.

(Введен дополнительно, Изм. N 1).

6. ГАРАНТИЯ ИЗГОТОВИТЕЛЯ

6.1. Изготовитель гарантирует соответствие теллура требованиям настоящего стандарта при соблюдении условий транспортирования и хранения, установленных стандартом.

6.2. Гарантийный срок хранения порошкообразного теллура - 7 лет с момента изготовления, теллура в слитках - без ограничения.

(Измененная редакция, Изм. N 1).

6.3. (Исключен, Изм. N 1).




официальное издание
Цветные металлы. Галлий, палладий, 
ниобий, германий, теллур, гафний. 
Технические условия. Марки: Сб. ГОСТов.-
М.: ИПК Издательство стандартов, 2001