Электробезопасность. Общие требования и номенклатура видов защиты ГОСТ Р 12.1.019-2009
Электробезопасность. Общие требования и номенклатура видов защиты. Система стандартов безопасности труда (ССБТ) ГОСТ Р 12.1.019-2009
ГОСТ Р 12.1.019-2009
Группа Т58
НАЦИОНАЛЬНЫЙ СТАНДАРТ РОССИЙСКОЙ ФЕДЕРАЦИИ
Система стандартов безопасности труда
ЭЛЕКТРОБЕЗОПАСНОСТЬ
Общие требования и номенклатура видов защиты
Occupational safety standards system. Electrical safety. General requirements and nomenclature of kinds of protection
ОКС 13.260
Дата введения 2011-01-01
Предисловие
Цели и принципы стандартизации в Российской Федерации установлены Федеральным законом от 27 декабря 2002 г. N 184-ФЗ "О техническом регулировании", а правила применения национальных стандартов Российской Федерации - ГОСТ Р 1.0-2004 "Стандартизация в Российской Федерации. Основные положения"
Сведения о стандарте
1 РАЗРАБОТАН Федеральным государственным учреждением "Всероссийский научно-исследовательский институт охраны и экономики труда" Росздрава
2 ВНЕСЕН Техническим комитетом по стандартизации ТК 251 "Безопасность труда"
3 УТВЕРЖДЕН И ВВЕДЕН В ДЕЙСТВИЕ Приказом Федерального агентства по техническому регулированию и метрологии от 10 декабря 2009 г. N 681-ст
4 ВВЕДЕН ВПЕРВЫЕ
Информация об изменениях к настоящему стандарту публикуется в ежегодно издаваемом информационном указателе "Национальные стандарты", а текст изменений и поправок - в ежемесячно издаваемых информационных указателях "Национальные стандарты". В случае пересмотра (замены) или отмены настоящего стандарта соответствующее уведомление будет опубликовано в ежемесячно издаваемом информационном указателе "Национальные стандарты". Соответствующая информация, уведомление и тексты размещаются также в информационной системе общего пользования - на официальном сайте Федерального агентства по техническому регулированию и метрологии в сети Интернет
Введение
Настоящий стандарт относится к группе стандартов, регламентирующих требования электробезопасности электроустановок производственного и бытового назначения на стадиях проектирования, изготовления, монтажа, наладки, испытаний и эксплуатации.
В настоящем стандарте приведены технические способы и средства защиты, обеспечивающие электробезопасность электроустановок различного назначения.
1 Область применения
Настоящий стандарт распространяется на электроустановки производственного и бытового назначения на стадиях проектирования, изготовления, монтажа, наладки, испытаний и эксплуатации и устанавливает общие требования по предотвращению опасного и вредного воздействия на персонал электрического тока и электрической дуги, а также номенклатуру видов защиты работников от воздействия указанных факторов.
Стандарт не устанавливает требования и номенклатуру видов защиты от электрических полей промышленной частоты, статического и атмосферного электричества.
2 Нормативные ссылки
В настоящем стандарте использованы нормативные ссылки на следующие стандарты:
ГОСТ Р МЭК 536-94 Классификация электротехнического и электронного оборудования по способу защиты от поражения электрическим током
ГОСТ Р МЭК 61140-2000 Защита от поражения электрическим током. Общие положения по безопасности, обеспечиваемой электрооборудованием и электроустановками в их взаимосвязи
ГОСТ 12.2.007.0-75 Система стандартов безопасности труда. Изделия электротехнические. Общие требования безопасности
Примечание - При пользовании настоящим стандартом целесообразно проверить действие ссылочных стандартов в информационной системе общего пользования - на официальном сайте Федерального агентства по техническому регулированию и метрологии в сети Интернет или по ежегодно издаваемому информационному указателю "Национальные стандарты", который опубликован по состоянию на 1 января текущего года, и по соответствующим ежемесячно издаваемым информационным указателям, опубликованным в текущем году. Если ссылочный стандарт заменен (изменен), то при пользовании настоящим стандартом следует руководствоваться заменяющим (измененным) стандартом. Если ссылочный стандарт отменен без замены, то положение, в котором дана ссылка на него, применяется в части, не затрагивающей эту ссылку.
3 Термины и определения
В настоящем стандарте применены следующие термины с соответствующими определениями:
3.1
|
безопасный разделительный трансформатор: Разделительный трансформатор, предназначенный для питания цепей сверхнизким напряжением |
3.2
3.3
3.4
3.5
3.6
3.7
3.8
3.9
3.10 защитная оболочка: Мероприятие для защиты от прикосновения к токоведущим частям, принцип действия которого основан на покрытии токоведущих частей приспособлениями, обеспечивающими полную защиту от прикосновения.
3.11
3.12
3.13 защитное ограждение: Мероприятие для защиты от случайного прикосновения к токоведущим частям, принцип действия которого основан на ограждении токоведущих частей приспособлениями, обеспечивающими частичную защиту от прикосновения.
3.14
3.15
3.16
3.17
3.18
3.19 изоляция нетоковедущих частей (защитная изоляция): Мероприятие для защиты от поражения электрическим током при прикосновении к металлическим нетоковедущим частям, которые могут оказаться под напряжением в результате повреждения изоляции. Принцип действия основан на покрытии нетоковедущих частей в отдельных обоснованных случаях изоляционным материалом или изоляции их от токоведущих частей.
3.20 изоляция рабочего места: Способ защиты, основанный на изоляции рабочего места (пола, площадки, настила и т.п.) и токопроводящих частей в области рабочего места, потенциал которых отличается от потенциала токоведущих частей и прикосновение к которым является предусмотренным или возможным.
3.21 изоляция токоведущих частей (защитное изолирование): Способ защиты от прикосновения к токоведущим частям.
3.22
3.23
3.24
3.25
3.26
3.27
3.28
3.29 повторное заземление: Заземление совмещенных нулевого защитного и нулевого рабочего проводников (PEN-проводника) на концах воздушных линий электропередачи или ответвлений от них длиной более 200 м, а также на вводах воздушных линий электропередачи к электроустановкам, в которых в качестве защитной меры при косвенном прикосновении применено автоматическое отключение питания.
3.30
3.31
3.32
3.33
3.34 совмещенные нулевой защитный и нулевой рабочий (PEN) проводники:Проводники в электроустановках напряжением до 1 кВ, совмещающие функции нулевого защитного и нулевого рабочего проводников.
3.35
3.36
3.37
3.38
3.39 электрическая дуга: Электрический разряд в газовой среде между контактами, возникающий при размыкании электрического контакта или при нестабильности переходного сопротивления контактов (искрение).
3.40
______________
* Вероятно ошибка оригинала. Следует читать: ГОСТ Р 52002-2003, здесь и далее по тексту. - Примечание изготовителя базы данных.
3.41
3.42
3.43
3.44
3.45
4 Основные положения
4.1 Общие положения
4.1.1 Опасное и вредное воздействия на людей электрического тока, электрической дуги и электромагнитных полей проявляются в виде электротравм и профессиональных заболеваний.
4.1.2 Степень опасного и вредного воздействия на человека электрического тока, электрической дуги и электромагнитных полей зависит от:
- рода и величины напряжения и тока;
- частоты электрического тока;
- пути тока через тело человека;
- продолжительности воздействия электрического тока или электромагнитного поля на организм человека;
- условий внешней среды.
4.1.3 Нормы на допустимые токи и напряжения прикосновения в электроустановках должны устанавливаться в соответствии с предельно допустимыми уровнями воздействия на человека токов и напряжений прикосновения и утверждаться в установленном порядке.
4.1.4 Требования электробезопасности при воздействии электрических полей промышленной частоты по [4] и [5].
4.1.5 Электробезопасность должна обеспечиваться:
- конструкцией электроустановок;
- техническими способами и средствами защиты;
- организационными и техническими мероприятиями.
Электроустановки и их части должны быть выполнены таким образом, чтобы работающие не подвергались опасным и вредным воздействиям электрического тока и электромагнитных полей, и соответствовать требованиям электробезопасности.
4.1.6 Требования (правила и нормы) электробезопасности к конструкции и устройству электроустановок должны быть установлены в стандартах безопасности труда, а также в стандартах, технических условиях и технических регламентах на электротехнические изделия, электрифицированное оборудование и инструменты.
Предусматривается переработка требований электробезопасности при переоснащении производственных объектов, производстве и внедрении новой техники и технологий.
4.1.7 Технические способы и средства защиты, обеспечивающие электробезопасность, должны устанавливаться с учетом:
- номинального напряжения, рода и частоты тока электроустановки;
- способа электроснабжения (от стационарной сети, от автономного источника питания электроэнергией);
- режима нейтрали (средней точки) источника питания электроэнергией (изолированная, заземленная нейтраль);
- вида исполнения (стационарные, передвижные, переносные);
- условий внешней среды: особо опасные помещения, помещения с повышенной опасностью, помещения без повышенной опасности, территории открытых электроустановок.
Примечание - Классификация помещений по степени опасности поражения электрическим током определяется в соответствии с Правилами устройства электроустановок [1];
- возможности снятия напряжения с токоведущих частей, на которых или вблизи которых должна производиться работа;
- характера возможного прикосновения человека к элементам цепи тока: однофазное (однополюсное) прикосновение, двухфазное (двухполюсное) прикосновение, прикосновение к металлическим нетоковедущим частям, оказавшимся под напряжением;
- возможности приближения к токоведущим частям, находящимся под напряжением, на расстояние меньше допустимого или попадания в зону растекания тока.
Примечание - Определение зоны досягаемости в электроустановках до 1 кВ приведено в приложении А;
- видов работ: монтаж, наладка, испытание, эксплуатация электроустановок, осуществляемых в зоне расположения электроустановок, в том числе в зоне воздушных линий электропередачи;
- возможности возникновения электрической дуги в результате случайных факторов (в том числе в аварийной ситуации) и связанных с этим рисков поражения термическим действием электрической дуги, а также потенциальный уровень мощности электрической дуги;
- возможности прикосновения работающих к элементам электроустановок, находящихся под наведенным напряжением, вызванным электромагнитным влиянием электроустановок, находящихся под рабочим напряжением [двухцепные воздушные линии (ВЛ) электропередачи, грозозащитные тросы ВЛ, кабельные линии, волоконно-оптические линии связи (ВОЛС) и контактная сеть железных дорог переменного тока].
4.1.8 Требования безопасности при эксплуатации электроустановок на производстве должны соответствовать нормативным требованиям охраны труда, содержащимся в Федеральных законах и иных нормативных правовых актах Российской Федерации [3].
4.1.9 Требования безопасности при пользовании электроустановками бытового назначения должны содержаться в прилагаемых к ним инструкциях по эксплуатации предприятий-изготовителей.
4.2 Обеспечение электробезопасности техническими способами и средствами
4.2.1 Для обеспечения защиты от случайного прикосновения к токоведущим частям необходимо применять следующие способы и средства:
- защитные оболочки;
- защитные ограждения (временные или стационарные);
- защитные барьеры.
Примечание - Барьеры предназначены для защиты квалифицированных специалистов или проинструктированных лиц и не предназначены для защиты простых лиц (см. ГОСТ Р МЭК 61140);
- безопасное расположение токоведущих частей.
Примечание - Части, которые удалены друг от друга более чем на 2,5 м, считают одновременно доступными (см. ГОСТ Р МЭК 61140);
- изоляция токоведущих частей (основная, дополнительная, усиленная, двойная);
- изоляция рабочего места;
- малое напряжение;
- защитное отключение;
- электрическое разделение (см. ГОСТ Р МЭК 61140);
- предупредительная сигнализация, блокировки, знаки безопасности.
4.2.2 Для обеспечения защиты от поражения электрическим током при прикосновении к металлическим нетоковедущим частям, которые могут оказаться под напряжением в результате повреждения изоляции, применяют следующие способы:
- защитное заземление;
- зануление.
Примечание - Обозначения для электроустановок напряжением до 1 кВ приведены в приложении Б;
- выравнивание потенциалов;
- защитное экранирование;
- систему защитных проводов;
- защитное отключение;
- изоляцию нетоковедущих частей;
- электрическое разделение сети;
- простое и защитное разделения цепей (см. ГОСТ Р МЭК 61140);
- малое напряжение;
- контроль изоляции;
- компенсацию токов замыкания на землю;
- электроизоляционные средства;
- средства индивидуальной защиты.
Технические способы и средства применяют раздельно или в сочетании друг с другом так, чтобы обеспечивалась оптимальная защита при нормальном функционировании электроустановок и при возникновении аварийных ситуаций (см. приложения В-Д).
4.2.3 Для обеспечения защиты от поражения термическим действием электрической дуги при работах в закрытых и открытых электроустановках (оборудование электрических сетей, станций и подстанций, контактная сеть железных дорог) со снятием и без снятия напряжения дополнительно следует применять специальные защитные термостойкие комплекты, включающие одежду, обувь, средства защиты головы и рук.
4.2.4 Для защиты от поражения электрическим током при прикосновении работающих к элементам электроустановок, находящихся под наведенным напряжением, вызванным электромагнитным влиянием электроустановок, находящихся под рабочим напряжением (двухцепные ВЛ электропередачи, грозозащитные тросы ВЛ, кабельные линии, ВОЛС и контактная сеть железных дорог переменного тока), дополнительно следует применять шунтирующие (электропроводящие) комплекты, включающие одежду, обувь, средства защиты головы и рук.
4.3 Контроль требований электробезопасности
Контроль выполнения требований электробезопасности, установленных настоящим стандартом, должен проводиться на следующих этапах:
- проектирование;
- изготовление и монтаж (включая испытания и ввод в эксплуатацию);
- эксплуатация.
Приложение А (справочное). Зона досягаемости в электроустановках до 1 кВ
Приложение А
(справочное)
А.1 Зона досягаемости в электроустановках до 1 кВ приведена на рисунке А.1.
Рисунок А.1 - Зона досягаемости в электроустановках до 1 кВ
S - поверхность, на которой может находиться человек; B - основание поверхности S ;
- граница зоны досягаемости токоведущих частей рукой человека, находящегося на поверхности S ; 0,75; 1,25; 2,50 м - расстояния от края поверхности S до границы зоны досягаемости
Рисунок А.1 - Зона досягаемости в электроустановках до 1 кВ
Приложение Б (справочное). Обозначения для электроустановок напряжением до 1 кВ
Приложение Б
(справочное)
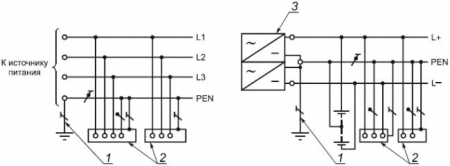
Система TN - система, в которой нейтраль источника питания глухо заземлена, а открытые проводящие части электроустановки присоединены к глухозаземленной нейтрали источника посредством нулевых защитных проводников.
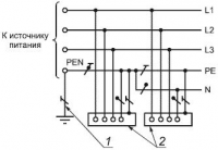
Система TN-C - система TN, в которой нулевой защитный и нулевой рабочий проводники совмещены в одном проводнике на всем ее протяжении (см. рисунок Б.1).
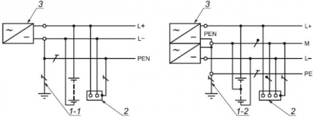
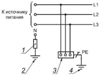
Система TN-S - система TN, в которой нулевой защитный и нулевой рабочий проводники разделены на всем ее протяжении (см. рисунок Б.2).
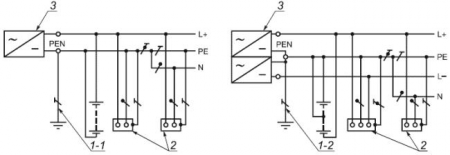
Система TN-C-S - система TN, в которой функции нулевого защитного и нулевого рабочего проводников совмещены в одном проводнике в какой-то ее части, начиная от источника питания (см. рисунок Б.3).
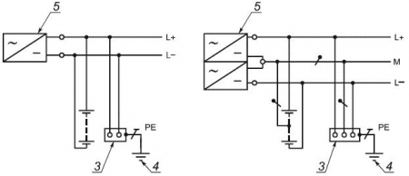
Система IT - система, в которой нейтраль источника питания изолирована от земли или заземлена через приборы или устройства, имеющие большое сопротивление, а открытые проводящие части электроустановки заземлены (см. рисунок Б.4).
Система ТТ - система, в которой нейтраль источника питания глухо заземлена, а открытые проводящие части электроустановки заземлены при помощи заземляющего устройства, электрически независимого от глухозаземленной нейтрали источника (см. рисунок Б.5).
Первая буква - состояние нейтрали источника питания относительно земли:
Т - заземленная нейтраль;
I - изолированная нейтраль.
Вторая буква - состояние открытых проводящих частей относительно земли:
Т - открытые проводящие части заземлены независимо от отношения к земле нейтрали источника питания или какой-либо точки питающей сети;
N - открытые проводящие части присоединены к глухозаземленной нейтрали источника питания.
Последующие (после N) буквы - совмещение в одном проводнике или разделение функций нулевого рабочего и нулевого защитного проводников:
S - нулевой рабочий (N) и нулевой защитный (РЕ) проводники разделены;
С - функции нулевого защитного и нулевого рабочего проводников совмещены в одном проводнике (PEN-проводник);
N -
- нулевой рабочий (нейтральный) проводник;
РЕ -
- защитный проводник (заземляющий проводник, нулевой защитный проводник, защитный проводник системы уравнивания потенциалов);
PEN -
- совмещенный нулевой защитный и нулевой рабочий проводники.
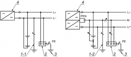
Рисунок Б.1 - Система TN-C переменного и постоянного тока
а) переменного тока б) постоянного тока
1 - заземлитель нейтрали (средней точки) источника питания; 2 - открытые проводящие части; 3 - источник питания постоянного тока
Рисунок Б.1 - Система TN-C переменного и постоянного тока
Рисунок Б.2 - Система TN-S переменного и постоянного тока
а) переменного тока
б) постоянного тока
1 - заземлитель нейтрали источника переменного тока; 1-1 - заземлитель вывода источника постоянного тока; 1-2 - заземлитель средней точки источника постоянного тока; 2 - открытые проводящие части; 3 - источник питания
Рисунок Б.2 - Система TN-S переменного и постоянного тока
Рисунок Б.3 - Система TN-C-S переменного и постоянного тока
а) переменного тока
1 - заземлитель нейтрали источника переменного тока; 1-1 - заземлитель вывода источника постоянного тока; 1-2 - заземлитель средней точки источника постоянного тока; 2 - открытые проводящие части; 3 - источник питания
Рисунок Б.3 - Система TN-C-S переменного и постоянного тока
Рисунок Б.4 - Система IT переменного и постоянного тока
а) переменного тока
1 - сопротивление заземления нейтрали источника питания (если имеется); 2 - заземлитель; 3 - открытые проводящие части; 4 - заземляющее устройство электроустановки; 5 - источник питания
Рисунок Б.4 - Система IT переменного и постоянного тока
Рисунок Б.5 - Система ТТ переменного и постоянного тока
а) переменного тока
1 - заземлитель нейтрали источника переменного тока; 1-1 - заземлитель вывода источника постоянного тока; 1-2 - заземлитель средней точки источника постоянного тока; 2 - открытые проводящие части; 3 - заземлитель открытых проводящих частей электроустановки; 4 - источник питания [5]
Рисунок Б.5 - Система ТТ переменного и постоянного тока
Приложение В (справочное). Классы и маркировки электротехнических изделий по способу защиты человека от поражения электрическим током
Приложение В
(справочное)
Классы и маркировки электротехнических изделий по способу защиты человека от поражения электрическим током приведены в таблице В.1.
Таблица В.1 - Классы и маркировки электротехнических изделий по способу защиты человека от поражения электрическим током
К классу 0 должны относиться изделия, имеющие рабочую изоляцию и не имеющие элементов для заземления, если эти изделия не отнесены к классу II или III.
К классу I должны относиться изделия, имеющие рабочую изоляцию и элемент для заземления. В случае, если изделие класса I имеет провод для присоединения к источнику питания, этот провод должен иметь заземляющую жилу и вилку с заземляющим контактом.
К классу II должны относиться изделия, имеющие двойную или усиленную изоляцию и не имеющие элементов для заземления.
К классу III следует относить изделия, предназначенные для работы при безопасном сверхнизком напряжении, не имеющие ни внешних, ни внутренних электрических цепей, работающих при другом напряжении.
Изделия, получающие питание от внешнего источника, могут быть отнесены к классу III только в том случае, если они присоединены непосредственно к источнику питания, преобразующему более высокое напряжение в безопасное сверхнизкое напряжение, что осуществляется посредством разделительного трансформатора или преобразователя с отдельными обмотками.
При использовании в качестве источника питания разделительного трансформатора или преобразователя его входная и выходная обмотки не должны быть электрически связаны и между ними должна быть двойная или усиленная изоляция.
Приложение Г (справочное). Схемы электрических сетей с примерами повреждений, учитываемыми при выборе и обосновании мер защиты от поражения электрическим током при наличии неисправности
Приложение Г
(справочное)
Рисунок Г.1 - Сеть TN-C с оборванным PEN-проводником
Uпр - напряжение прикосновения; Uш - шаговое напряжение; Rи.п. - заземлитель источника питания; Rпов - заземлитель для повторного заземления PEN-проводника; ОЭ - однофазный электроприемник
Рисунок Г.1 - Сеть TN-C с оборванным PEN-проводником
Стрелками обозначено направление тока, стекающего с заземлителя в землю и частично проходящего через ноги по телу человека под воздействием шагового напряжения
Рисунок Г.2 - Сеть TN-C с оборванным PEN-проводником
Uпр - напряжение прикосновения, на участке а) оно равно нулю, на участке б) - близко к нулю; Uш - шаговое напряжение, на участке б) оно близко к нулю, на участке в), где отсутствует выравнивание потенциалов, оно может достигать опасных для жизни людей и животных значений; Rи.п. - заземлитель источника питания; Rпов - заземлитель для повторного заземления PEN-проводника; ОЭ - однофазный электроприемник
Рисунок Г.2 - Сеть TN-C с оборванным PEN-проводником
Имеется уравнивание потенциалов на участке а), выравнивание потенциалов на участке б), на участке в) выравнивание потенциалов отсутствует.
Рисунок Г.3 - Сеть TN-C с однофазным замыканием на корпус

Uпр - напряжение прикосновения; Uш - шаговое напряжение; Rи.п - заземлитель источника питания; Rпов - заземлитель для повторного заземления PEN-проводника; RPEN - полное сопротивление PEN-проводника
Рисунок Г.3 - Сеть TN-C с однофазным замыканием на корпус
В рассматриваемом аварийном режиме напряжения прикосновения и шаговые напряжения могут до момента срабатывания защиты принимать значения, при которых возможно смертельное поражение электрическим током. Здесь и на следующих рисунках уравнивание и выравнивание потенциалов отсутствуют.
Рисунок Г.4 - Сеть TN-C с замыканием на землю, например с оборванным и упавшим на землю фазным проводом
Uпр - напряжение прикосновения; Uш - шаговое напряжение; Rи.п - заземлитель источника питания; Rпов - заземлитель для повторного заземления PEN-проводника
Рисунок Г.4 - Сеть TN-C с замыканием на землю, например с оборванным и упавшим на землю фазным проводом
В рассматриваемом аварийном режиме напряжения прикосновения на участке б) и шаговые напряжения на участках б) и в) могут длительно принимать значения, при которых возможно смертельное поражение электрическим током.
Рисунок Г.5 - Сеть TN-S с замыканием на землю, например с оборванным и упавшим на землю фазным проводом
Uпр - напряжение прикосновения; Uш - шаговое напряжение; Rи.п - заземлитель источника питания
Рисунок Г.5 - Сеть TN-S с замыканием на землю, например с оборванным и упавшим на землю фазным проводом
В рассматриваемом аварийном режиме напряжения прикосновения на участке б) и шаговые напряжения могут длительно принимать значения, при которых возможно смертельное поражение электрическим током.
Рисунок Г.6 - Сеть TN-S с однофазным замыканием на корпус
Uпр - напряжение прикосновения; Uш - шаговое напряжение; Rи.п - заземлитель источника питания; RPE - сопротивление РЕ-проводника
Рисунок Г.6 - Сеть TN-S с однофазным замыканием на корпус
В рассматриваемом аварийном режиме напряжения прикосновения на участках а), б) и шаговые напряжения на участке б) могут до момента срабатывания защиты принимать значения, при которых возможно смертельное поражение электрическим током.
Рисунок Г.7 - Сеть TN-C-S с обрывом PEN-проводника
Uпр - напряжение прикосновения; Uш - шаговое напряжение; Rи.п - заземлитель источника питания; ОЭ - однофазный электроприемник
Рисунок Г.7 - Сеть TN-C-S с обрывом PEN-проводника
В рассматриваемом аварийном режиме напряжения прикосновения на участках а), б) и шаговые напряжения на участке б) могут длительно принимать значения, при которых возможно смертельное поражение электрическим током.
Рисунок Г.8 - Сеть TN-C-S с однофазным замыканием на корпус после точки разделения PEN-проводника на N- и РЕ-проводники
Uпр - напряжение прикосновения; Uш - шаговое напряжение; Rи.п - заземлитель источника питания; RPEN - полное сопротивление PEN-проводника
Рисунок Г.8 - Сеть TN-C-S с однофазным замыканием на корпус после точки разделения PEN-проводника на N- и РЕ-проводники
В рассматриваемом аварийном режиме напряжения прикосновения на участках а), б) и шаговые напряжения на участке б) могут до момента срабатывания защиты принимать значения, при которых возможно смертельное поражение электрическим током.
Рисунок Г.9 - Сеть TN-C-S с однофазным замыканием на корпус до точки разделения PEN-проводника на N- и РЕ-проводники
Uпр - напряжение прикосновения; Uш - шаговое напряжение; Rи.п - заземлитель источника питания; RPEN - сопротивление PEN-проводника
Рисунок Г.9 - Сеть TN-C-S с однофазным замыканием на корпус до точки разделения PEN-проводника на N- и РЕ-проводники
В рассматриваемом аварийном режиме напряжения прикосновения на участке б) могут до момента срабатывания защиты принимать значения, при которых возможно смертельное поражение электрическим током.
Рисунок Г.10 - Сеть ТТ с нулевым рабочим проводником с однофазным замыканием на корпус
Uпр - напряжение прикосновения; Uш - шаговое напряжение; Rи.п - заземлитель источника питания; Rэ1 - сопротивление заземления электроустановки 1; Rэ2 - сопротивление заземления электроустановки 2
Рисунок Г.10 - Сеть ТТ с нулевым рабочим проводником с однофазным замыканием на корпус
В рассматриваемом аварийном режиме напряжения прикосновения на участках а), б) и шаговые напряжения на участках б) и в) могут до момента срабатывания защиты принимать значения, при которых возможно смертельное поражение электрическим током.
Рисунок Г.11 - Сеть ТТ без нулевого рабочего проводника с однофазным замыканием на корпус
Uпр - напряжение прикосновения; Uш - шаговое напряжение; Rи.п - заземлитель источника питания; Rэ1 - сопротивление заземления электроустановки 1; Rэ2 - сопротивление заземления электроустановки 2
Рисунок Г.11 - Сеть ТТ без нулевого рабочего проводника с однофазным замыканием на корпус
В рассматриваемом аварийном режиме напряжения прикосновения на участках а), б) и шаговые напряжения на участках б) и в) могут до момента срабатывания защиты принимать значения, при которых возможно смертельное поражение электрическим током.
Рисунок Г.12 - Сеть IT с заземлением нейтрали источника питания через сопротивление с однофазным замыканием на корпус
Uпр - напряжение прикосновения; Uш - шаговое напряжение; Rи.п - заземлитель источника питания; Rэ1 - сопротивление заземления электроустановки 1; Rэ2 - сопротивление заземления электроустановки 2; RN - сопротивление в заземляющем проводнике нейтрали источника питания
Рисунок Г.12 - Сеть IT с заземлением нейтрали источника питания через сопротивление с однофазным замыканием на корпус
В рассматриваемом аварийном режиме напряжения прикосновения на участках а), б) и шаговые напряжения на участках б) и в) близки к нулю.
Рисунок Г.13 - Сеть IT с заземлением фазы источника питания через сопротивление с однофазным замыканием на корпус
Uпр - напряжение прикосновения; Uш - шаговое напряжение; Rи.п - заземлитель источника питания; Rэ1 - сопротивление заземления электроустановки 1; Rэ2 - сопротивление заземления электроустановки 2; Rф - сопротивление в заземляющем проводнике фазы источника питания
Рисунок Г.13 - Сеть IT с заземлением фазы источника питания через сопротивление с однофазным замыканием на корпус
В рассматриваемом аварийном режиме напряжения прикосновения на участках а), б) и шаговые напряжения на участках б) и в) близки к нулю.
Приложение Д (справочное). Защитные меры, осуществляемые с помощью защитных устройств
Приложение Д
(справочное)
Д.1 Защитные меры при основной защите и защите при наличии неисправности приведены в таблице Д.1.
Таблица Д.1 - Защитные меры при основной защите и защите при наличии неисправности
Д.2 Защитные меры с ограничением значений электрических величин приведены в таблице Д.2.
Таблица Д.2 - Защитные меры с ограничением значений электрических величин
Библиография
официальное издание
М.: Стандартинформ, 2010







или буквы РЕ, или желто-зеленые полосы












